指南生活
首页
美食营养
手工爱好
生活家居
返回
指南生活
首页
美食营养
游戏数码
手工爱好
生活家居
健康养生
运动户外
职场理财
情感交际
母婴教育
时尚美容
知识问答
生活知识
搜索
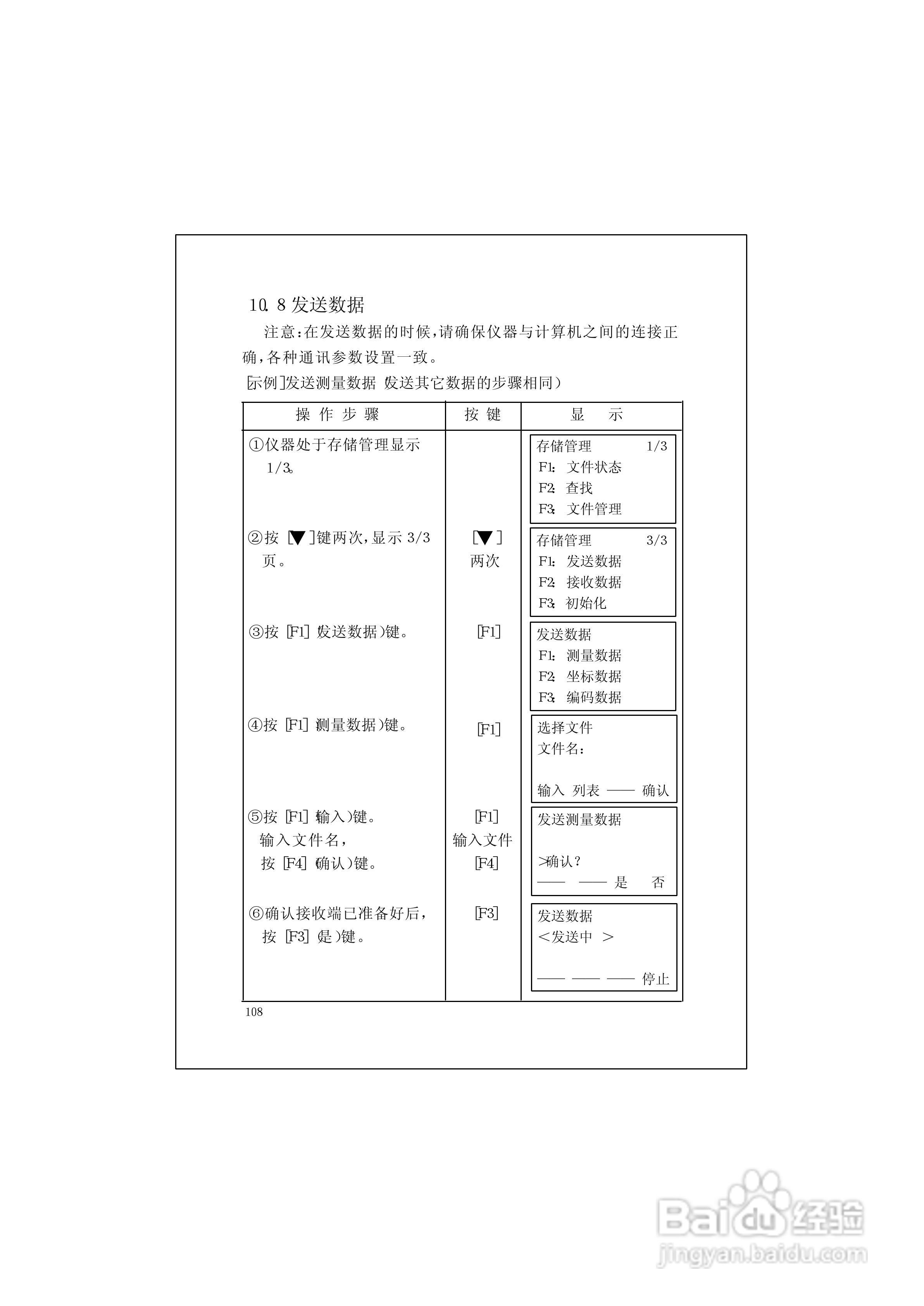
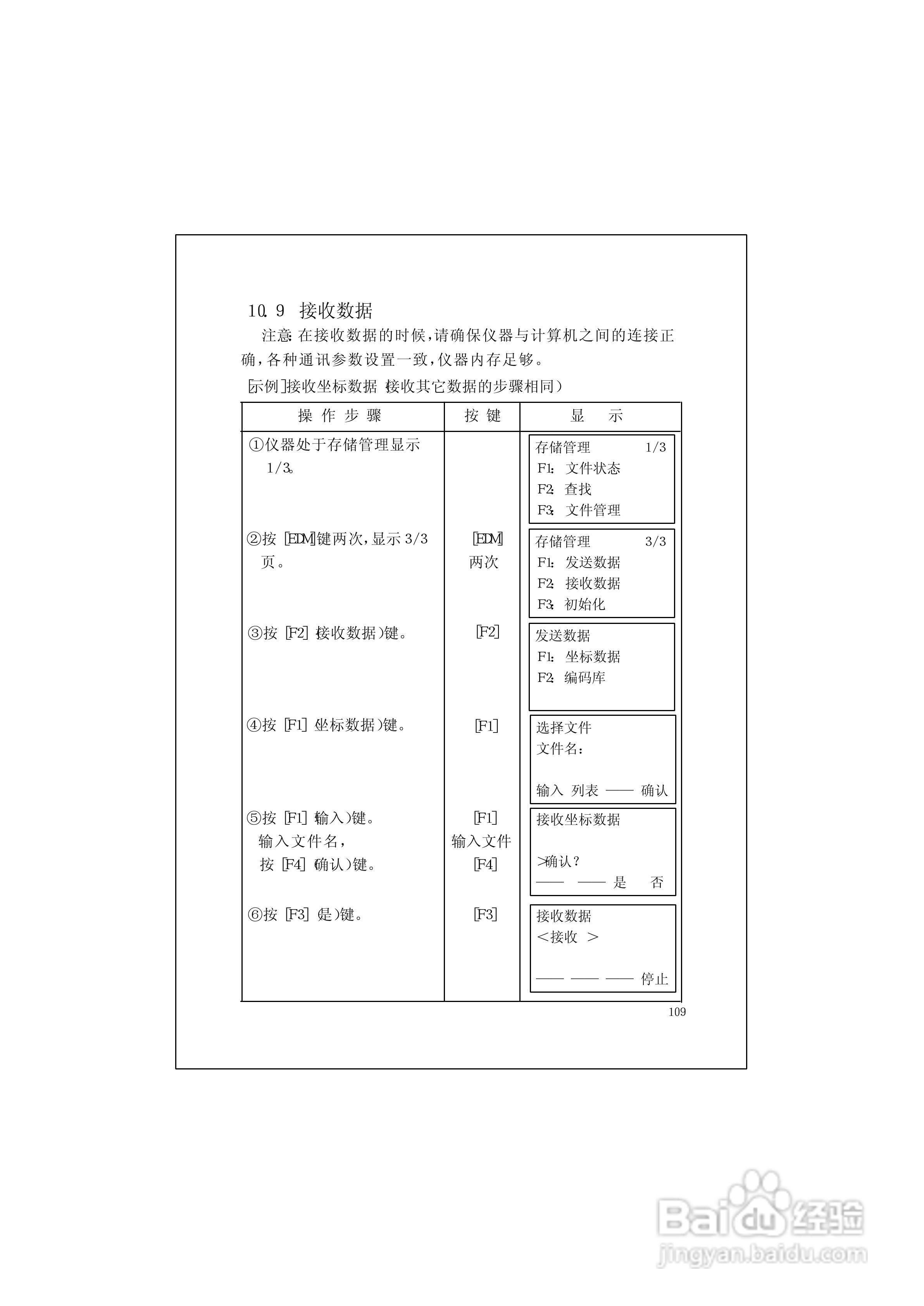
RTS600系列电子全站仪使用说明书:[12]
2026-03-03 00:35:27
本篇为《RTS600系列电子全站仪使用说明书》,主要介绍该产品的使用方法以及常见故障解决方案。
(共篇)
上一篇:
|
下一篇:
声明:
本网站引用、摘录或转载内容仅供网站访问者交流或参考,不代表本站立场,如存在版权或非法内容,请联系站长删除,联系邮箱:site.kefu@qq.com。
相关推荐
RTS600系列电子全站仪使用说明书:[14]
阅读量:130
RTS600系列电子全站仪使用说明书:[9]
阅读量:27
使用说明书封面怎么做
阅读量:60
使用说明书wf2651使用指南
阅读量:183
RTS600系列电子全站仪使用说明书:[6]
阅读量:112
猜你喜欢
婴儿推车怎么选
坐便套怎么套
铃声多多怎么设置铃声
墨粉盒怎么加粉
波子汽水怎么打开
手机版本过低怎么升级
尾巴骨疼是怎么回事
怎么去头皮屑
手机怎么连电视
记忆力不好怎么办
猜你喜欢
宝骏730怎么样
铁锅生锈怎么办
ios14分屏功能怎么开
电子通行证怎么办理
比亚迪唐怎么样
联想电脑怎么进入bios
汽车油表怎么看
引体向上怎么做
难度系数怎么算
su插件怎么安装