指南生活
首页
美食营养
手工爱好
生活家居
返回
指南生活
首页
美食营养
游戏数码
手工爱好
生活家居
健康养生
运动户外
职场理财
情感交际
母婴教育
时尚美容
知识问答
生活知识
搜索
侠诺QVM350路由器使用说明书:[3]
2026-03-17 15:25:15
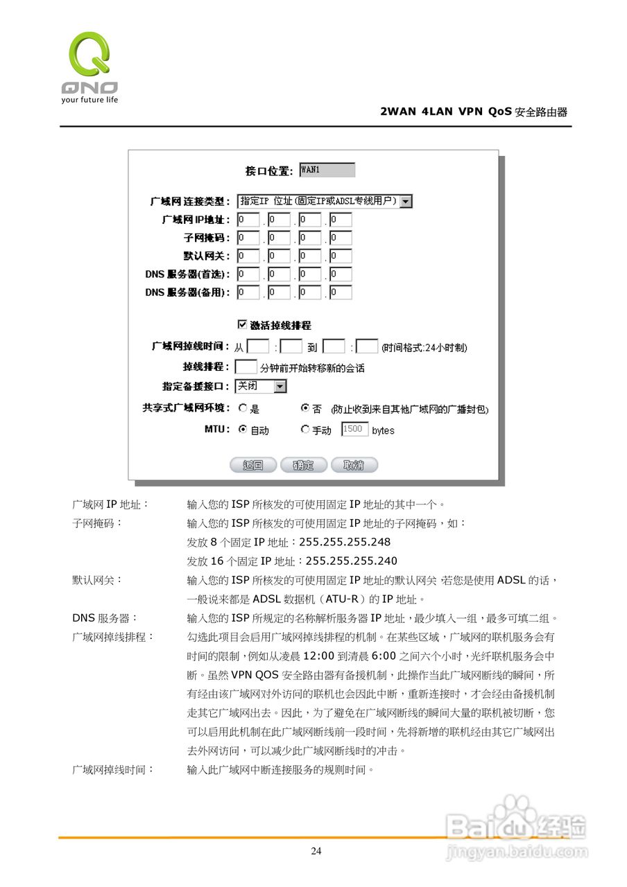
本篇为《侠诺QVM350路由器使用说明书》,主要介绍该产品的使用方法以及常见故障解决方案。
(共篇)
上一篇:
|
下一篇:
声明:
本网站引用、摘录或转载内容仅供网站访问者交流或参考,不代表本站立场,如存在版权或非法内容,请联系站长删除,联系邮箱:site.kefu@qq.com。
相关推荐
侠诺QVM350路由器使用说明书:[18]
阅读量:62
侠诺QVM350路由器使用说明书:[12]
阅读量:163
路由器如何使用
阅读量:177
路由器亮红灯是怎么回事
阅读量:94
路由器上的los红灯闪是什么意思
阅读量:46
猜你喜欢
失眠要吃什么
独善其身是什么意思
腿短粗穿什么裤子
平安祝福
情人节送什么礼物好呢
ireader支持什么格式
hdmi线什么牌子好
control是什么意思
才艺表演学什么速成
微商是什么意思
猜你喜欢
什么属相不适合戴貔貅
相敬如宾是什么意思
闭月羞花的意思
新基建是什么意思
yourself是什么意思
九死一生什么生肖
逆来顺受的意思
对祖国的祝福语
dnf守护者转职什么好
名落孙山的意思