指南生活
首页
美食营养
手工爱好
生活家居
返回
指南生活
首页
美食营养
游戏数码
手工爱好
生活家居
健康养生
运动户外
职场理财
情感交际
母婴教育
时尚美容
知识问答
生活知识
搜索
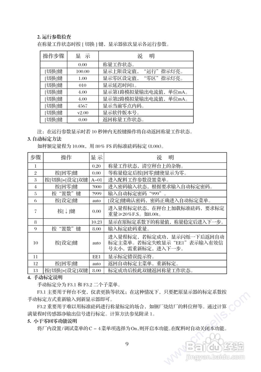
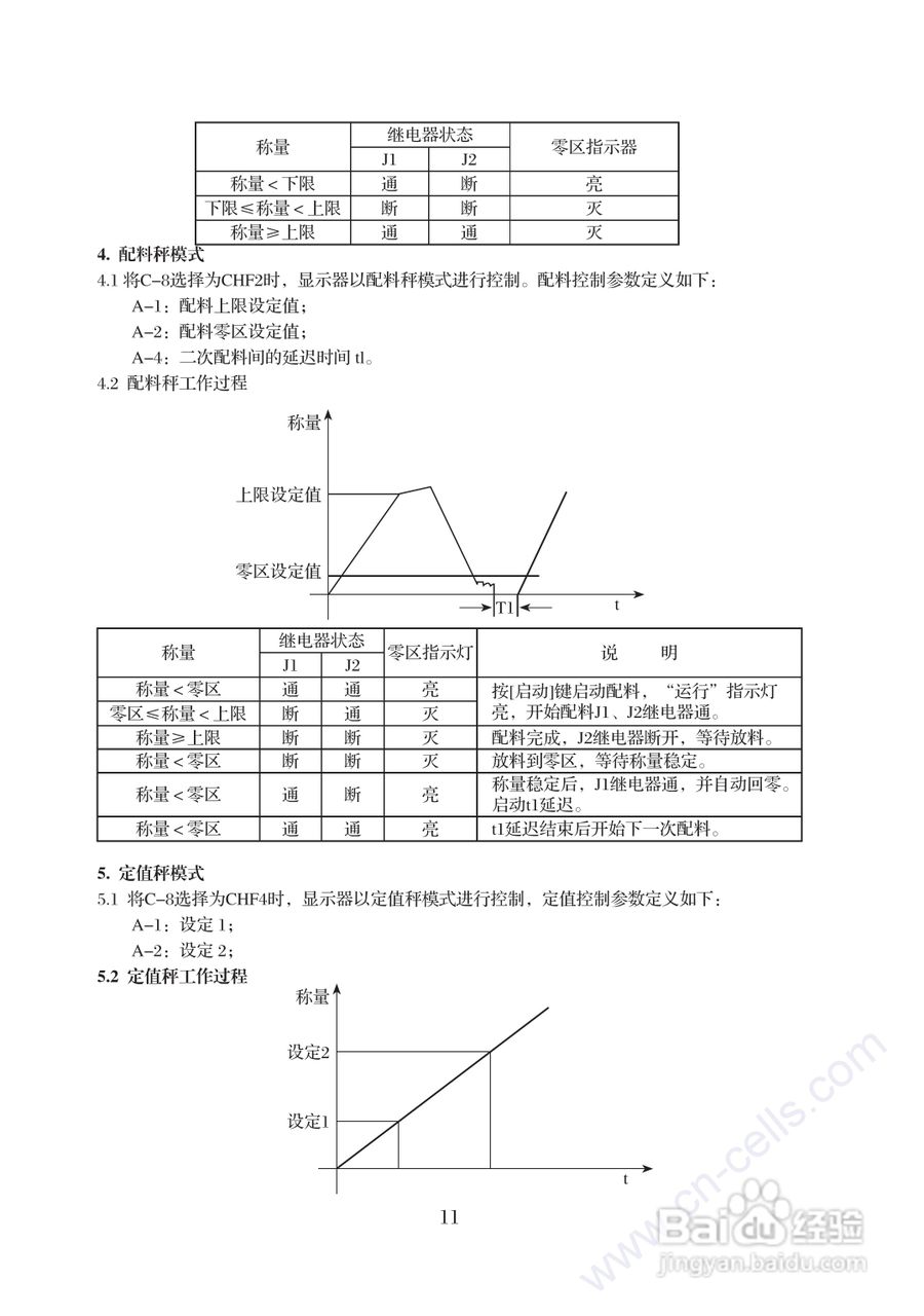
PA8110A型称重显示器使用说明书:[2]
2025-12-27 08:29:44
(共篇)
上一篇:
|
下一篇:
声明:
本网站引用、摘录或转载内容仅供网站访问者交流或参考,不代表本站立场,如存在版权或非法内容,请联系站长删除,联系邮箱:site.kefu@qq.com。
相关推荐
奇迹最强者怎么洗练宠物史诗
阅读量:178
猪粪怎么处理成有机肥
阅读量:56
元宵节去哪玩?
阅读量:100
如何修炼成气质女性
阅读量:100
怎样做好一份详细的自由行旅行攻略?
阅读量:109
猜你喜欢
刺猬养殖
股票前面加xd是什么意思
什么是女儿墙
paul是什么意思
肝脏在什么位置
wood是什么意思
couple是什么意思
clerk是什么意思
霍乱是什么
平展的近义词是什么
猜你喜欢
放单是什么意思
缺乏维生素b的症状
bite是什么意思
sentence是什么意思
善良的反义词是什么
红薯和什么不能一起吃
野鸡养殖
什么牌子电视好
三sprit是什么牌子
christmas什么意思