指南生活
首页
美食营养
手工爱好
生活家居
返回
指南生活
首页
美食营养
游戏数码
手工爱好
生活家居
健康养生
运动户外
职场理财
情感交际
母婴教育
时尚美容
知识问答
生活知识
生活百科
搜索
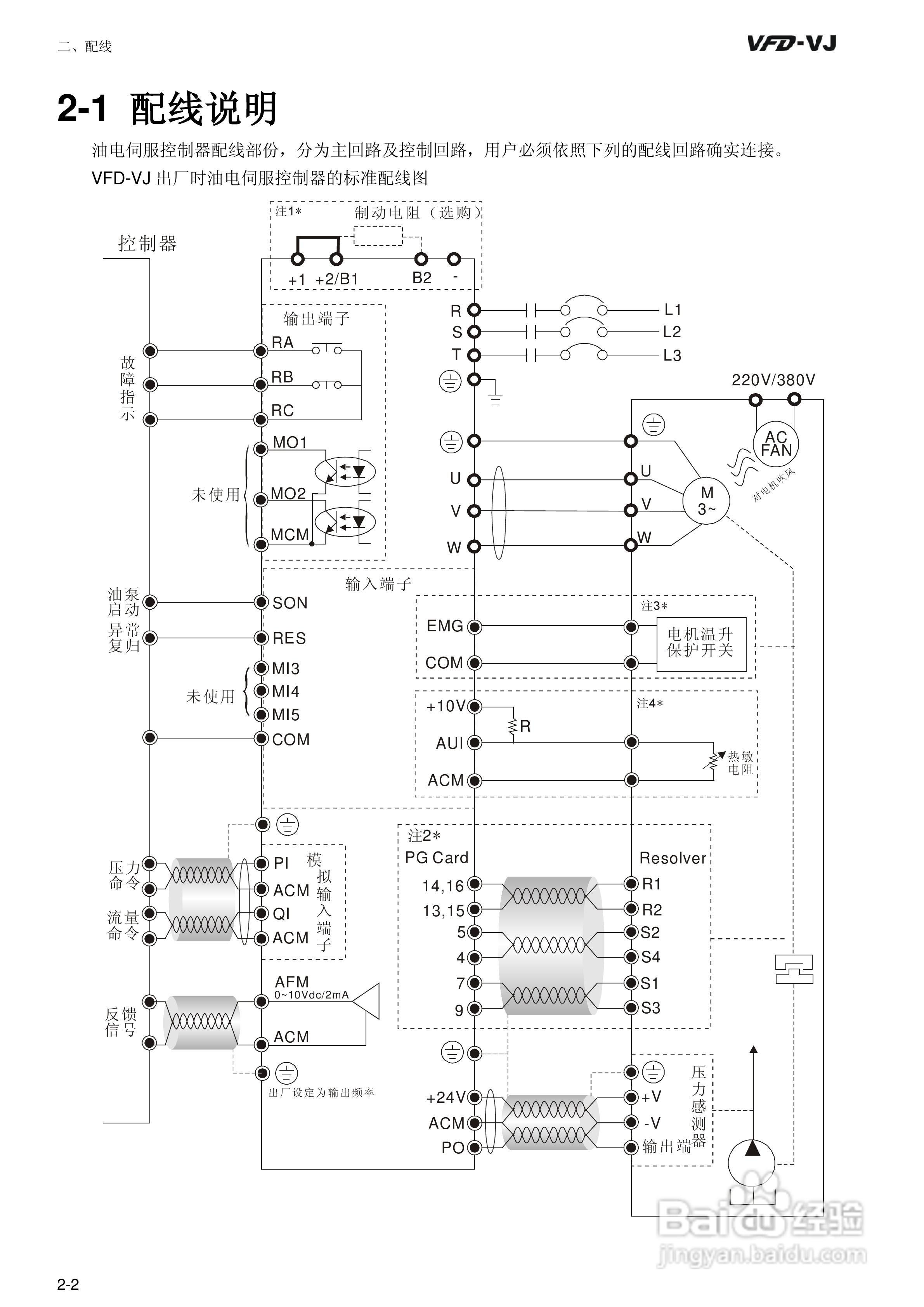
中达电通VFD-VJ/M/SC/20110317注塑专用型油电伺服驱动:[3]
2026-04-21 17:51:34
本篇为《中达电通VFD-VJ/M/SC/20110317注塑专用型油电伺服驱动》,主要介绍该产品的使用方法以及常见故障解决方案。
(共篇)
上一篇:
|
下一篇:
声明:
本网站引用、摘录或转载内容仅供网站访问者交流或参考,不代表本站立场,如存在版权或非法内容,请联系站长删除,联系邮箱:site.kefu@qq.com。
相关推荐
中达电通VFD-VJ/M/SC/20110317注塑专用型油电伺服驱动:[1]
阅读量:61
中达电通CP2000电机驱动器使用手册:[3]
阅读量:94
中达电通CP2000电机驱动器使用手册:[5]
阅读量:191
中达电通CP2000电机驱动器使用手册:[4]
阅读量:130
中达电通CP2000电机驱动器使用手册:[2]
阅读量:161
猜你喜欢
背上长痘痘什么原因导致的
7月14日是什么星座
六甲是什么意思
十年是什么婚
编办是什么单位
肠粉是用什么粉做的
天秤座和什么星座最配
cloud是什么意思
兔区是什么意思
淬火是什么意思
猜你喜欢
头上长红疙瘩是什么原因
老年痴呆症又叫什么名字
百合有什么功效
什么的光芒
什么的枫叶
martell是什么酒
什么的童话
咨询公司是做什么的
cl是什么意思
回馈是什么意思