指南生活
首页
美食营养
手工爱好
生活家居
返回
指南生活
首页
美食营养
游戏数码
手工爱好
生活家居
健康养生
运动户外
职场理财
情感交际
母婴教育
时尚美容
知识问答
生活知识
搜索
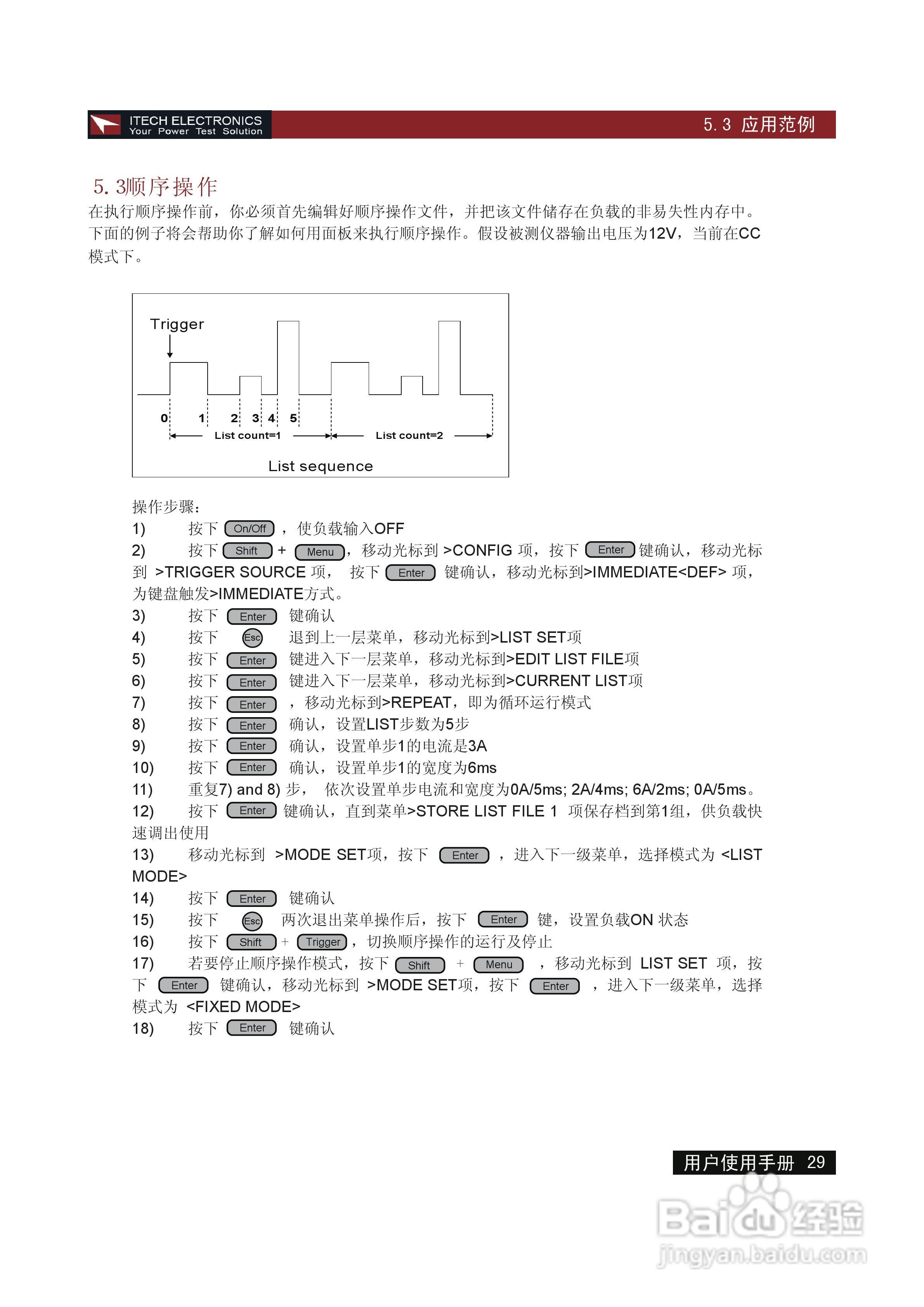
艾德克斯IT8512B电子负载说明书:[3]
2025-12-18 03:38:47
本篇为《艾德克斯IT8512B电子负载说明书》,主要介绍该产品的使用方法以及常见故障解决方案。
(共篇)
上一篇:
声明:
本网站引用、摘录或转载内容仅供网站访问者交流或参考,不代表本站立场,如存在版权或非法内容,请联系站长删除,联系邮箱:site.kefu@qq.com。
相关推荐
艾德克斯IT8512C电子负载说明书:[3]
阅读量:148
艾德克斯IT8512B电子负载说明书:[2]
阅读量:98
艾德克斯IT8512C电子负载说明书:[2]
阅读量:75
艾德克斯IT8513B电子负载说明书:[3]
阅读量:188
艾德克斯IT8513C电子负载说明书:[3]
阅读量:195
猜你喜欢
3月18日是什么星座
如何制定班规
如何卸载ie浏览器
如何约会
慢性非萎缩性胃炎是什么意思
如何制作酸菜
如何叠千纸鹤
高级装扮兑换券怎么用
如何去除头皮屑
如何关闭端口
猜你喜欢
mdf怎么打开
哈弗h2自动挡怎么样
执子之手与子偕老是什么意思
霍乱是什么病
中性粒细胞偏高是什么意思
如何开药店
怎么算命里缺什么
生活的真谛
gtr是什么车
焖烧罐怎么用