指南生活
首页
美食营养
手工爱好
生活家居
返回
指南生活
首页
美食营养
游戏数码
手工爱好
生活家居
健康养生
运动户外
职场理财
情感交际
母婴教育
时尚美容
知识问答
生活知识
生活百科
搜索
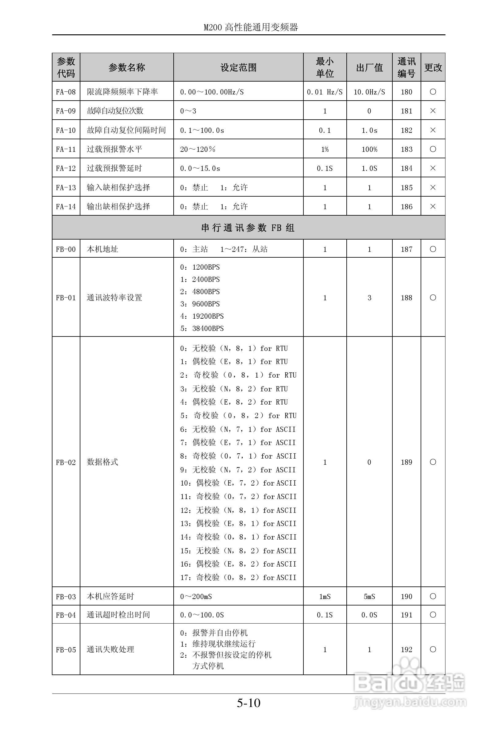
易驱M200-2S0022VER0M00通用变频器使用说明书:[4]
2026-04-19 08:47:26
本篇为《易驱M200-2S0022VER0M00通用变频器使用说明书》,主要介绍该产品的使用方法以及常见故障解决方案。
(共篇)
上一篇:
|
下一篇:
声明:
本网站引用、摘录或转载内容仅供网站访问者交流或参考,不代表本站立场,如存在版权或非法内容,请联系站长删除,联系邮箱:site.kefu@qq.com。
相关推荐
三七追施冲施肥有效果吗?冲施肥的作用有哪些?
阅读量:145
春笋蒸酱肉的做法
阅读量:41
准妈妈患静脉曲张的危害及预防措施
阅读量:58
创卫我们在行动手抄报
阅读量:21
甲鱼汤的详细做法
阅读量:187
猜你喜欢
戒同所是怎么戒的
依波手表怎么样
犬细小病毒怎么治疗
小米盒子怎么安装软件
小米手机质量怎么样
左胸疼是怎么回事
小腿浮肿是怎么回事
节温器怎么安装图解
鲜花怎么保鲜
我的世界红砖怎么做
猜你喜欢
手绘板怎么用
小腹坠胀是怎么回事
狗狗得了细小怎么办
吉利博越怎么样
怎么看电脑多少位
怎么写议论文
热水器泄压阀怎么调节
单眼皮怎么画眼影
东南大学成贤学院怎么样
苜蓿怎么吃