Liquicap M FMI51/FMI52电容式物位探头说明书:[3]

2025-10-25 07:59:12

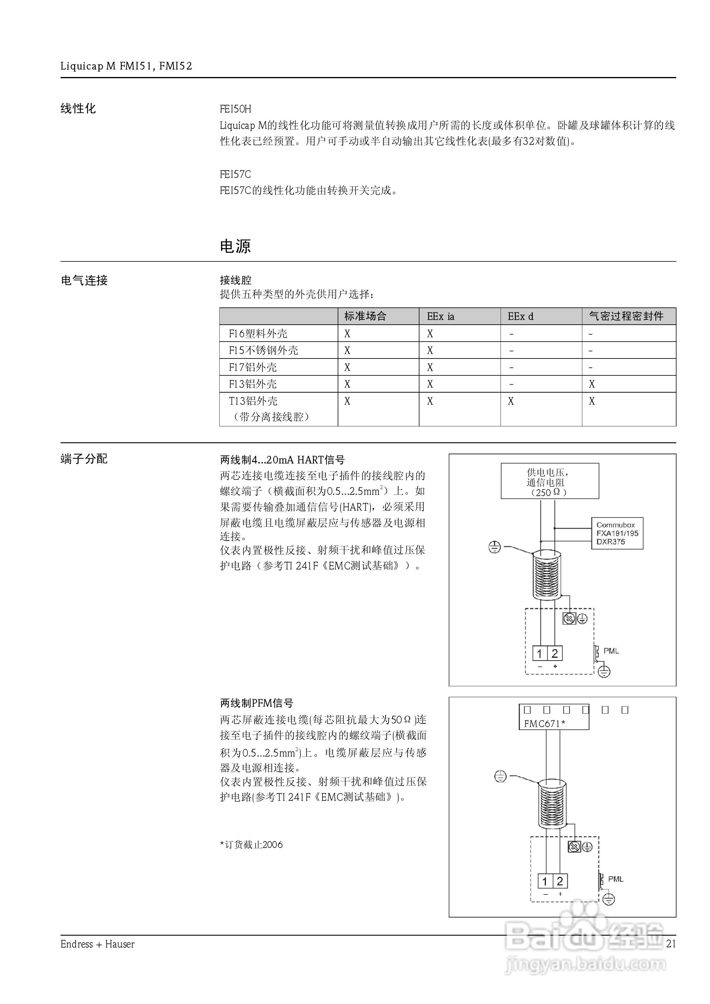
本篇为《Liquicap M FMI51/FMI52电容式物位探头说明书》,主要介绍该产品的使用方法以及常见故障解决方案。

 

Liquicap M FMI51/FMI52电容式物位探头说明书:[3]

Liquicap M FMI51/FMI52电容式物位探头说明书:[3]

Liquicap M FMI51/FMI52电容式物位探头说明书:[3]

Liquicap M FMI51/FMI52电容式物位探头说明书:[3]

Liquicap M FMI51/FMI52电容式物位探头说明书:[3]

Liquicap M FMI51/FMI52电容式物位探头说明书:[3]

Liquicap M FMI51/FMI52电容式物位探头说明书:[3]

Liquicap M FMI51/FMI52电容式物位探头说明书:[3]

Liquicap M FMI51/FMI52电容式物位探头说明书:[3]

Liquicap M FMI51/FMI52电容式物位探头说明书:[3]

(共篇)上一篇:
声明:本网站引用、摘录或转载内容仅供网站访问者交流或参考,不代表本站立场,如存在版权或非法内容,请联系站长删除,联系邮箱:site.kefu@qq.com。
相关推荐
  • 阅读量:132
  • 阅读量:184
  • 阅读量:101
  • 阅读量:70
  • 阅读量:108
  • 猜你喜欢