指南生活
首页
美食营养
手工爱好
生活家居
返回
指南生活
首页
美食营养
游戏数码
手工爱好
生活家居
健康养生
运动户外
职场理财
情感交际
母婴教育
时尚美容
知识问答
生活知识
生活百科
搜索
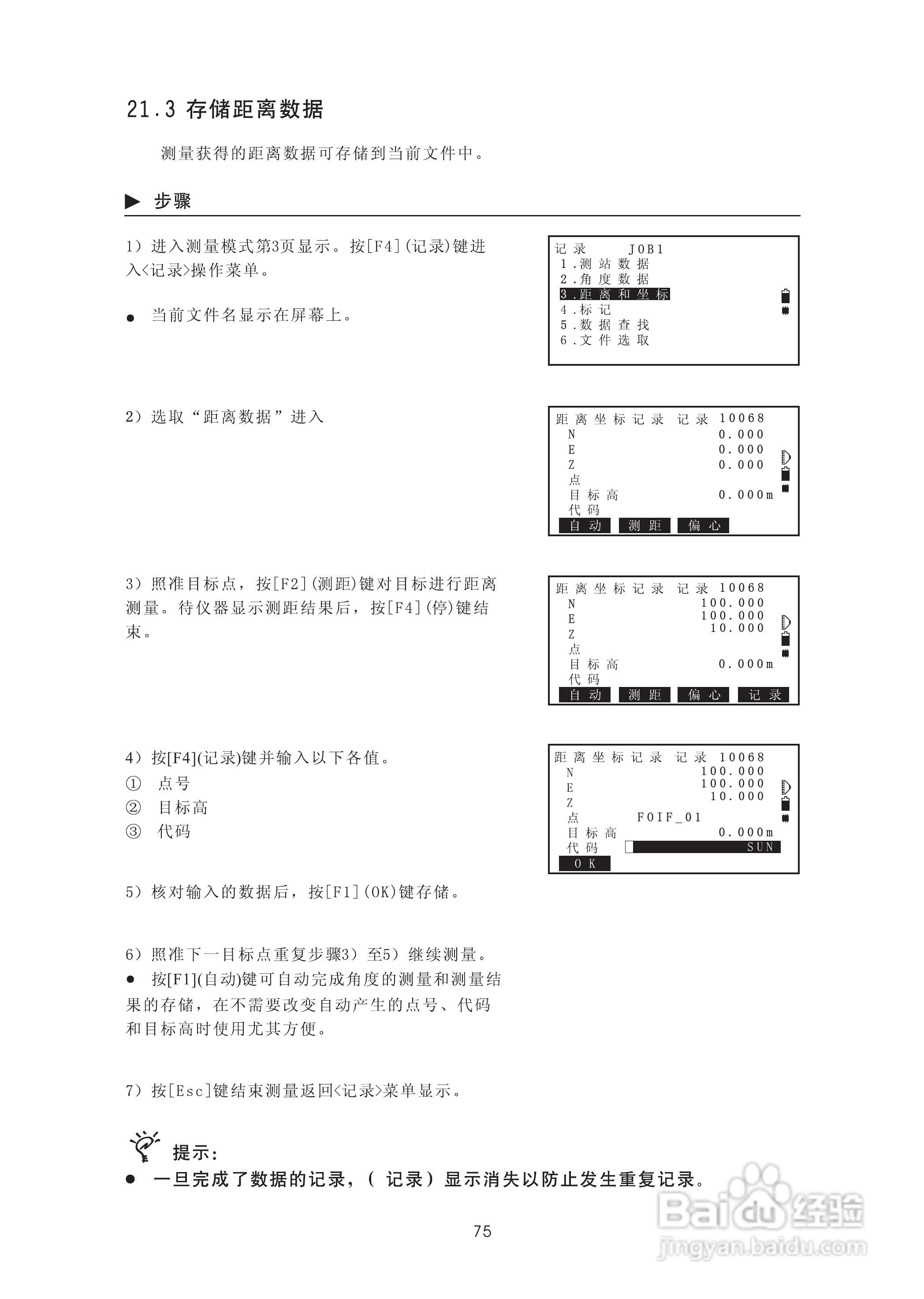
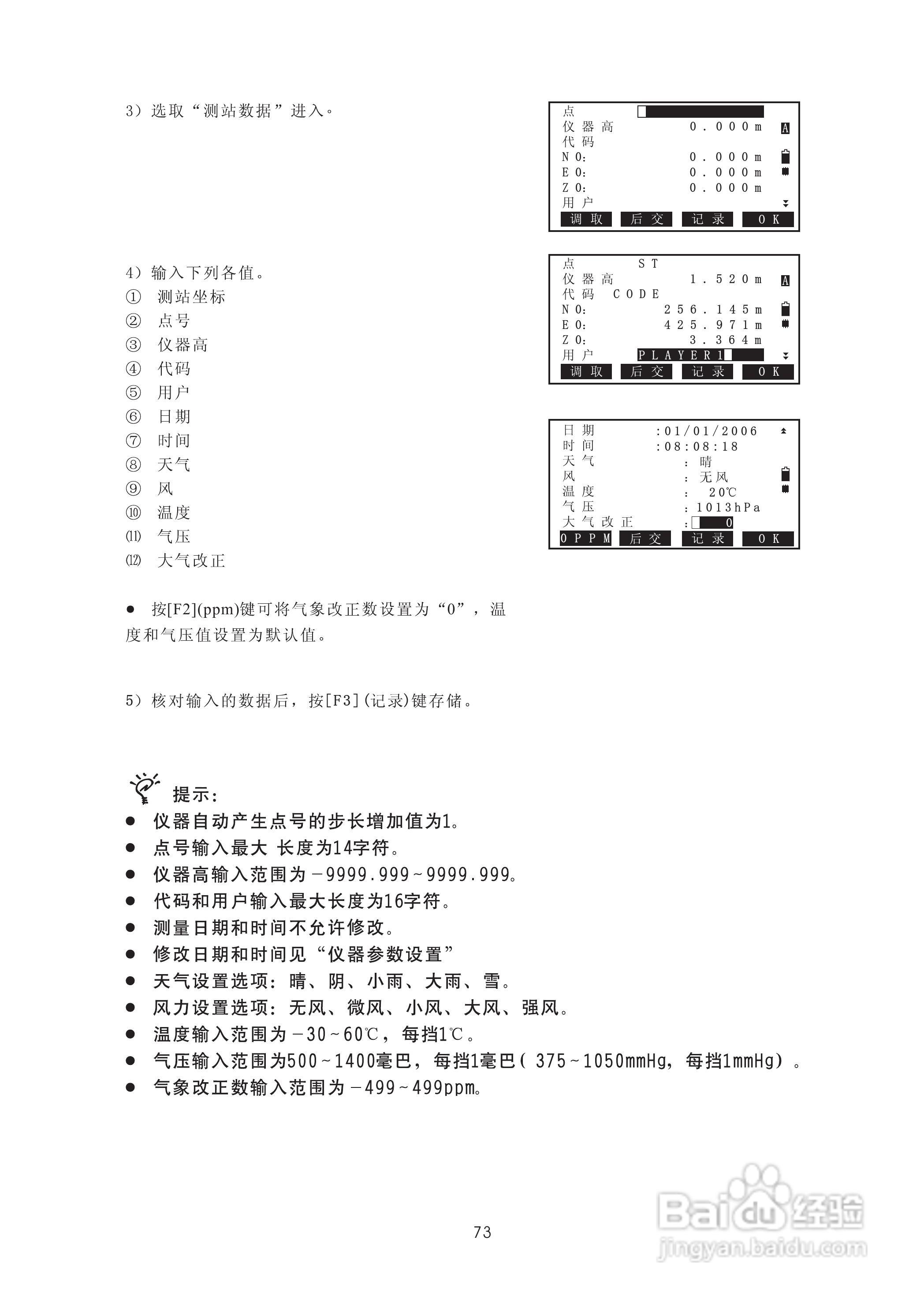
苏州一光RTS322R5全站仪使用说明书:[9]
2026-04-30 19:44:40
本篇为《苏州一光RTS322R5全站仪使用说明书》,主要介绍该产品的使用方法以及常见故障解决方案。
(共篇)
上一篇:
|
下一篇:
声明:
本网站引用、摘录或转载内容仅供网站访问者交流或参考,不代表本站立场,如存在版权或非法内容,请联系站长删除,联系邮箱:site.kefu@qq.com。
相关推荐
配筋率怎么计算
阅读量:144
苏州一光RTS322R5全站仪使用说明书:[8]
阅读量:171
如何编制施工进度计划
阅读量:135
如何看图纸计算工程量
阅读量:62
钢筋间距怎么算?
阅读量:196
猜你喜欢
电脑fps低怎么办
脸上坑坑洼洼怎么办
碧桂园房子质量怎么样
红血丝怎么消除
防沉迷怎么解除
家里有臭虫怎么办
excel柱状图怎么做
怎么调理内分泌失调
秦昊伊能静怎么好上的
怎么举报淘宝卖家
猜你喜欢
长期过度手浮怎么补救
怎么绑蝴蝶结
手机怎么申请qq号
小结怎么写
水烟怎么抽
手机网银怎么开通
安利产品怎么样
怎么去除抬头纹
可转债怎么买
建行信用卡利息怎么算