热网供应无线解决方案之GPRS DTU篇
1、城市供热系统主要由控制中心、供热站(传感器和PLC)、加热站(包括泵和PLC)、无线传输设备组成的。
力控软件主要负责数据采集、通讯处理、人机界面和WEB发布等工作;
2、VIPA PLC主要是安装在供热站中,用来控制现场温度、压力、流量、液位信号的采集;现场各调节阀的控制。
3、CM3160无线通信模块主要将vIPA PLC采集到的各个供热站数据转为无线通讯,并将数据通过无线GPRS网络传递给力控软件;两台SIEMENS PLC互作冗余,同时负责加热站的现场仪表和设备的通讯及数据采集和控制。一旦有一台PLC瘫痪,系统可以在最短的时间内自动实现冗余PLC的智能切换,以此来保证加热站系统监控的绝对可靠性。
采用ARM9高性能工业级嵌入式处理器,以实时操作系统为软件支撑平台,超大内存,内嵌自主知识产权的TCP/IP协议栈。为用户提供高速,稳定可靠,数据终端永远在线,多种协议转换的虚拟专用网络。针对网络流量控制的用户,产品支持语音,短信,数据触发上线以及超时自动断线的功能。同时也支持双数据中心备份,以及多数据中心同步接收数据等功能。
4、加热站:力控软件设在中央数据中心。由两台嵌入CP5611通讯卡的采集服务器互作冗余备份,同时采集下位SIEMENS PLC的现场数据。一旦一台采集站的计算机瘫痪,另一台计算机的力控软件可以自动的接过监控的任务,实现上位机的冗余,画面同步,数据同步显示、历史保存。力控软件采用典型的C/S和B/S结构,B/S方式是作为WEB服务器,将实时数据和画面通过WEB进行发布,远端用户经过授权,无须安装任何插件,使用标准的浏览器通过固定IP或域名绑定进行访问即可在远程进行监视。C/S方式是力控软件作为标准服务器端与各分站多个客户端(通过力控NETSERVER通讯组件)进行通讯。客户端通过局域网的IP地址访问采集站的数据库数据,在非本地中控室的其他控制室就可实现对现场数据的采集,各仪表和执行器的下置控制。
5、供热站:力控同样设置在中控室内,现场66个供热站点分散在一定的区域内。在每个供热站需要有一组相应的采集设备。这里使用VIPA的214CPU作为RTU(数据采集模块)。由该CPU上的IO模块,采集供热站的现场数据,并由自带的串口和DTU连接。上位的力控在进入运行后,通过因特网的TCP/IP协议与各个分供热站的DTU进行通讯,采集每个供热站现场的开关量、模拟量。同时还可以通过对力控HMI(人机界面)上一些参数的设定来控制现场电动执行器或者一些阀门的启停或开度,来达到根据现场的实际情况调整供暖的温度。真正做到了在线的远程监控。为了保证系统的稳定性和便利的管理方式,人性化的操作。该供热站系统的DTU全部采用自动呼叫,断线智能重新连接的方式。这样在现场一旦停电或出现电话线信号不稳定甚至断线的情况下,不需要现场再去重新对DTU进行重新的配置。节省了维护成本,大大提高了系统的自动化程度,并保证了该系统的稳定性。
1、PLC不仅要控制循环水泵的起、停,还要间接控制定压补水泵的起、停和报警输出。下面以一个供热站的结构为例进行说明,设P1、P2、P3为三台循环水泵,P4、P5为两台定压补水泵,P6为PLC的报警输出。两台定压水泵公用一台变频器,由变频器直接控制,两泵电器互锁。变频器的起、停控制分为手动和PLC控制。变频器输入有一路压力传感器信号(反馈量),一路电位器信号(参考量),三路开关量(起、停和复位)。有两路输出信号(故障报警和低于5 Hz运行)。手动控制设有两个停止按钮,一个为接触器的分断按钮,一个为变频器的软停车按钮。需要注意的是因为变频器的停车均设为软停车,所以手动停车时应该先按软停车按钮,软停车结束后再分断接触器(时间由实际情况定)。变频器的故障复位信号也设有手动和自动两路输入。每面柜有一套气候补偿器,其输入由外接传感器输入,输出控制电动调节阀,气候补偿器具有声光报警功能。
水流开关用于检测水泵启动后管路内是否有水流通过,若泵运行为两用一备则每台泵前端安装一个水流传感器、共计3个。或一用一备则两台泵共计安装一个水流传感器。具体工作过程为:PLC启动某台泵后,经过设定的延时,PLC将检测该泵的水流传感器输出信号,若该信号指示无水流动则PLC判定该水泵故障,产生故障报警信号、并通过dtu向中心控制软件发出信号,再由中心将该水泵断电并将该泵的备用泵投入运行。
当管路压力趋于设定值,变频器工作频率很低,此时水泵的转速非常低,水流开关亦有可能发出无水流信号,这种情况并非故障,PLC将通过检测变频器的低频输出信号来区别(低于5 Hz时变频器输出一路信号)。正常情况下水泵24小时进行自动切换,运行备用泵。
1、(1) 现场发起通讯(下位为主,上位为从),如下图所示:
GPRS 通讯控制器 是控制中心与数据采集器(PLC)之间通讯的枢纽,所谓通讯方式以供热现场为“主”指的即是如此。定制的 GPRS 通讯控制器掌握着数据采集器(PLC)通讯协议的控制命令。定时上传数据前, GPRS 通讯控制器先从 PLC 中读取数据并存储,然后再向控制中心传输已取到的数据。
1px;mso-font-kerning:0;" >的提高了热网的现代化管理水平。城市热网监控作为数字化城市的一个方面,已显示出越来越重要的作用。

2、从控制中心发起通讯(上位为主,下位为从),如下图所示:
先由控制中心向数据采集器( RTU )发出“要数据的”请求,数据采集器( RTU )接到通讯请求后,再向控制中心传输数据。这种通讯方式:是将 GPRS 通讯模块看作是透明的。也既是“透传”方式。这种通讯方式,是控制中心上位软件掌握着数据采集器( RTU )通讯协议的控制命令。所谓通讯方式以控制中心为“主”指的即是如此

1、功能
该供暖监控系统(GPRS 远程监控)主要完成对工艺流程的监测、控制以及数据的处理、存储、分析以及报表打印等任务。
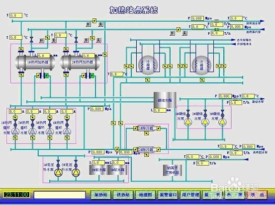
工艺流程显示显示各换热站工艺流程,包括温度、压力、流量、液位等工艺参数、所有设备运行状态以及各控制回路的详细参数等;
调节回路显示包括所有调节回路,可修改设定值、控制方式、调节参数等,并有实时趋势图便于进行PID 回路整定;
设定值显示包括所有必需参数的设定值、控制方式、调节参数以及其它联锁值、报警值等;
报表显示和打印
采用了DDE 技术,从而使用户能够直接使用Excel 编制报表,借助Excel 的强大功能,用户可以随心所欲地编制各种各样的报表;
历史数据的存储与检索对重要的数据进行在线存储,数据的存储时间最长为10 年。可以通过历史报表或者历史趋势曲线的方式来检索历史数据;
控制在监控计算机上可以进行远程手动控制,使用鼠标、键盘控制PLC 来启动和停止现场的设备;
安全管理
对重要设备的操作、重要参数的修改均会自动记录,包括登录的操作员、对设备进行的操作
2、特点
(1) 先进性
本方案设计中不仅采用了先进的软、硬件,而且着眼于企业“管控一体化”的需求,贯彻了数字化、信息化环保的先进思想,使企业生产数据的进一步智能应用成为现实。该方案使控制系统有机地成为企业
整个IT 架构的一部分。
本系统采用先进的计算机控制系统,主要用于城市热网的生产控制、运行操作、监视管理。控制系统配有可靠的硬件设备和功能强大、运行可靠、界面友好的系统软件、编程软件、控制软件。
(2) 高可靠性
① 与传统的无线电台传输相比,GPRS 网的数据传输抗干扰能力更强,且通讯覆盖范围远远强于前者;
② 现场控制站PLC 对工艺过程的控制不会因监控计算机的瘫痪而受影响;
③ 现场控制站的PLC 能够在恶劣的环境中长期可靠运行,并且易配置、易接线、易维护、隔离性好,结构坚固、抗腐蚀、适应较宽的温度变化范围,平均无故障间隔时间(MTBF)15 年。
(3) 强大的功能
① PLC 的编程语言符合IEC61131-3 标准,易学、易懂、易用;
② CPU 内置软PID,并提供了丰富的指令集及函数库,用户直接调用;
③ 组态软件图库丰富,网络功能强大,报警、报表、历史数据以及二次开发功能完善而易用。
(4) 优良的开放性
① TCP/IP 协议是目前开放性最好的协议,可以轻松进行系统扩展;
② 组态软件支持DDE、OPC、ODBC、SQL,且提供丰富的API 编程接口,方便接入全厂MIS 系统;
③ 同时也为世界各大厂商,如Modicon、Siemens、AB、GE、Omron 等的设备提供了完善的驱动程序库,从而可以将其它系统轻松接入本系统。
(5)工程截图



1、该方案实现了对换热站运行参数的集中监视、控制,与老系统相比,可以大量的减少维护人员,部分供热站还实现了无人值守,提高企业的经济效益。与使用传统无线电台相比,该方案具备更好的抗干扰性(尤其是在城市中)、数据传输安全性。相信这种远程监控方案将在城市管网、热网、石油、地震检测、电力等一些无线远程数据监控中得到更大范围应用。