指南生活
首页
美食营养
手工爱好
生活家居
返回
指南生活
首页
美食营养
游戏数码
手工爱好
生活家居
健康养生
运动户外
职场理财
情感交际
母婴教育
时尚美容
知识问答
生活知识
生活百科
搜索
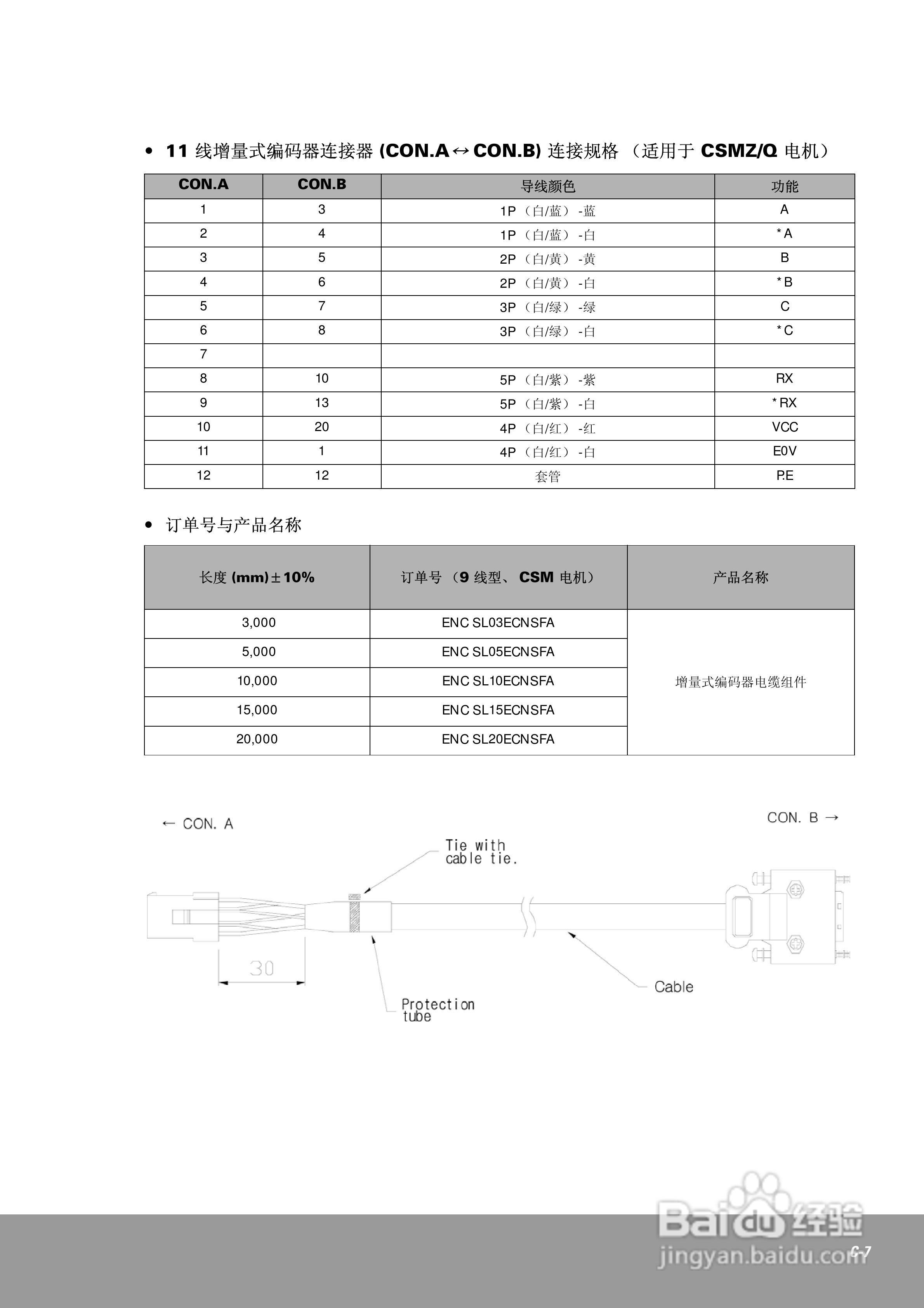
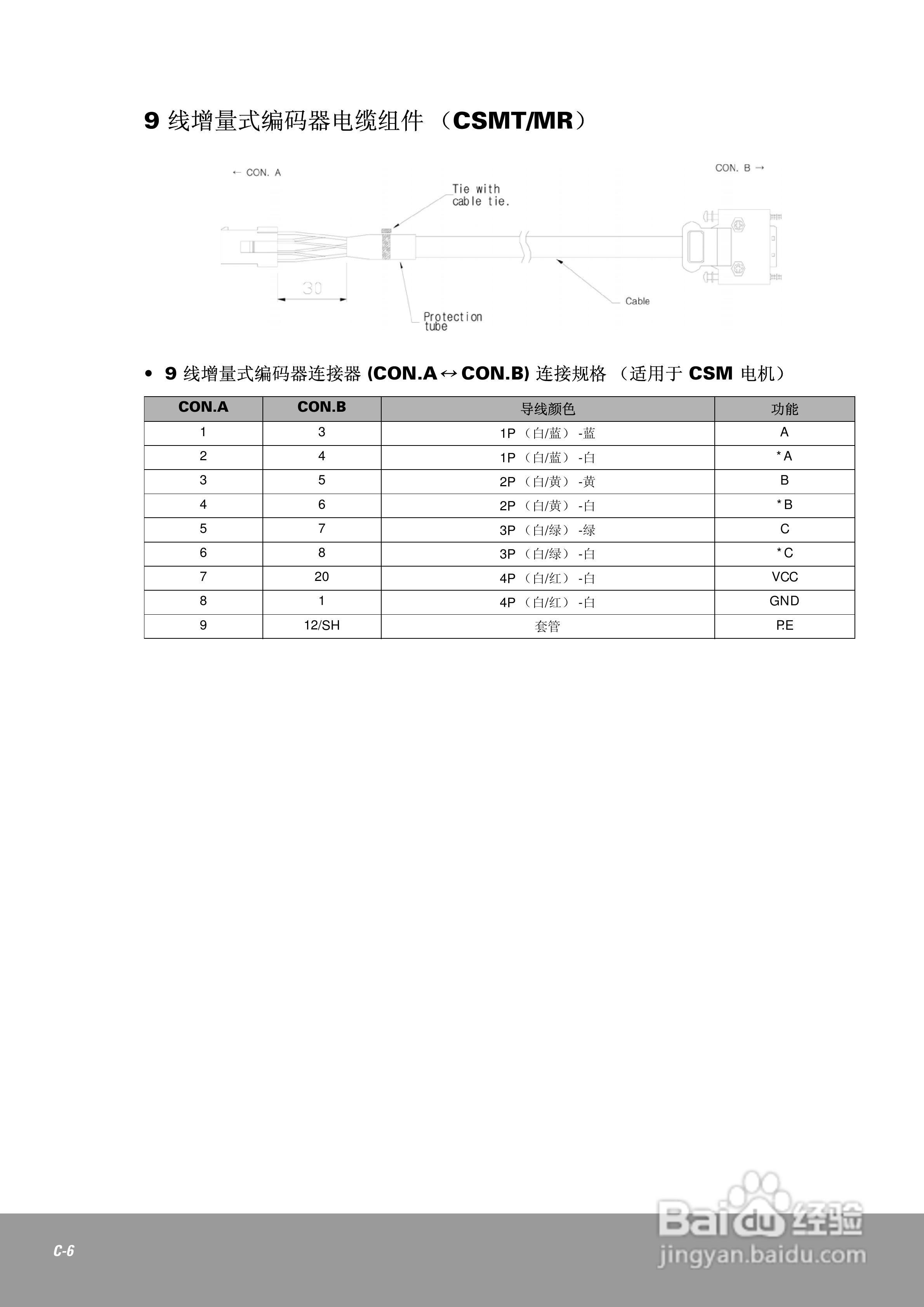
OEMax CSDJPlus伺服驱动器用户手册:[22]
2026-04-04 20:56:46
本篇为《OEMax CSDJPlus伺服驱动器用户手册》,主要介绍该产品的使用方法以及常见故障解决方案。
(共篇)
上一篇:
|
下一篇:
声明:
本网站引用、摘录或转载内容仅供网站访问者交流或参考,不代表本站立场,如存在版权或非法内容,请联系站长删除,联系邮箱:site.kefu@qq.com。
相关推荐
OEMax CSDJPlus伺服驱动器用户手册:[20]
阅读量:34
OEMax CSDJPlus伺服驱动器用户手册:[12]
阅读量:167
伺服驱动器的七个常见故障及其检修
阅读量:129
OEMax CSDJPlus伺服驱动器用户手册:[16]
阅读量:69
OEMax CSDJPlus伺服驱动器用户手册:[13]
阅读量:135
猜你喜欢
盐酸曲马多是什么药
恩赐的意思
一反既往的意思
胸膛的意思
越狱是什么意思
ben是什么意思
荣耀的意思
精华霜什么时候用
twilight什么意思
日食只可能发生在农历的什么日
猜你喜欢
股票做空什么意思
ge是什么意思
喝什么牛奶能长高
仪态端庄的意思
哏是什么意思
沧州有什么好玩的地方
痉挛是什么意思
黄牛是什么意思
宫高是什么意思
什么是航母