指南生活
首页
美食营养
手工爱好
生活家居
返回
指南生活
首页
美食营养
游戏数码
手工爱好
生活家居
健康养生
运动户外
职场理财
情感交际
母婴教育
时尚美容
知识问答
生活知识
生活百科
搜索
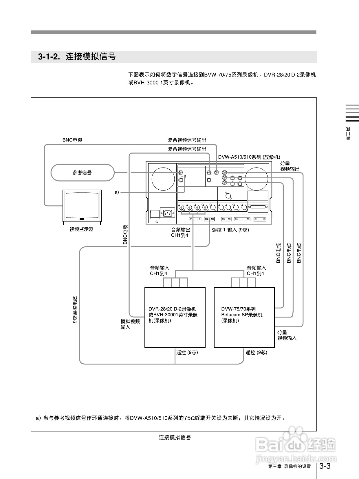
索尼DVW-A510P数字磁带录像机使用说明书:[2]
2026-04-22 16:16:34
(共篇)
上一篇:
|
下一篇:
声明:
本网站引用、摘录或转载内容仅供网站访问者交流或参考,不代表本站立场,如存在版权或非法内容,请联系站长删除,联系邮箱:site.kefu@qq.com。
相关推荐
索尼DVW-510P数字磁带录像机使用说明书:[2]
阅读量:128
索尼DVW-A510P数字磁带录像机使用说明书:[3]
阅读量:49
索尼DVW-510P数字磁带录像机使用说明书:[3]
阅读量:180
DVW-A500P 数字Betacam录/放机系列用户手册:[5]
阅读量:26
DVW-A500P 数字Betacam录/放机系列用户手册:[1]
阅读量:124
猜你喜欢
人间正道是沧桑是什么意思
new什么意思
鼻毛长是什么原因
不知所措什么意思
continue什么意思
徐怀钰事件是什么
remember是什么意思
不屑一顾是什么意思
kill是什么意思
船务是做什么的
猜你喜欢
胸部什么时候停止发育
睡觉做梦是什么原因
张飞字什么
家风是什么
职高是什么学历
什么是射精
someone like you 什么意思
diss什么意思
调侃什么意思
慎重的近义词是什么