指南生活
首页
美食营养
手工爱好
生活家居
返回
指南生活
首页
美食营养
游戏数码
手工爱好
生活家居
健康养生
运动户外
职场理财
情感交际
母婴教育
时尚美容
知识问答
生活知识
搜索
ABB ACS101-1H6-1变频器使用说明书:[2]
2026-01-14 08:40:21
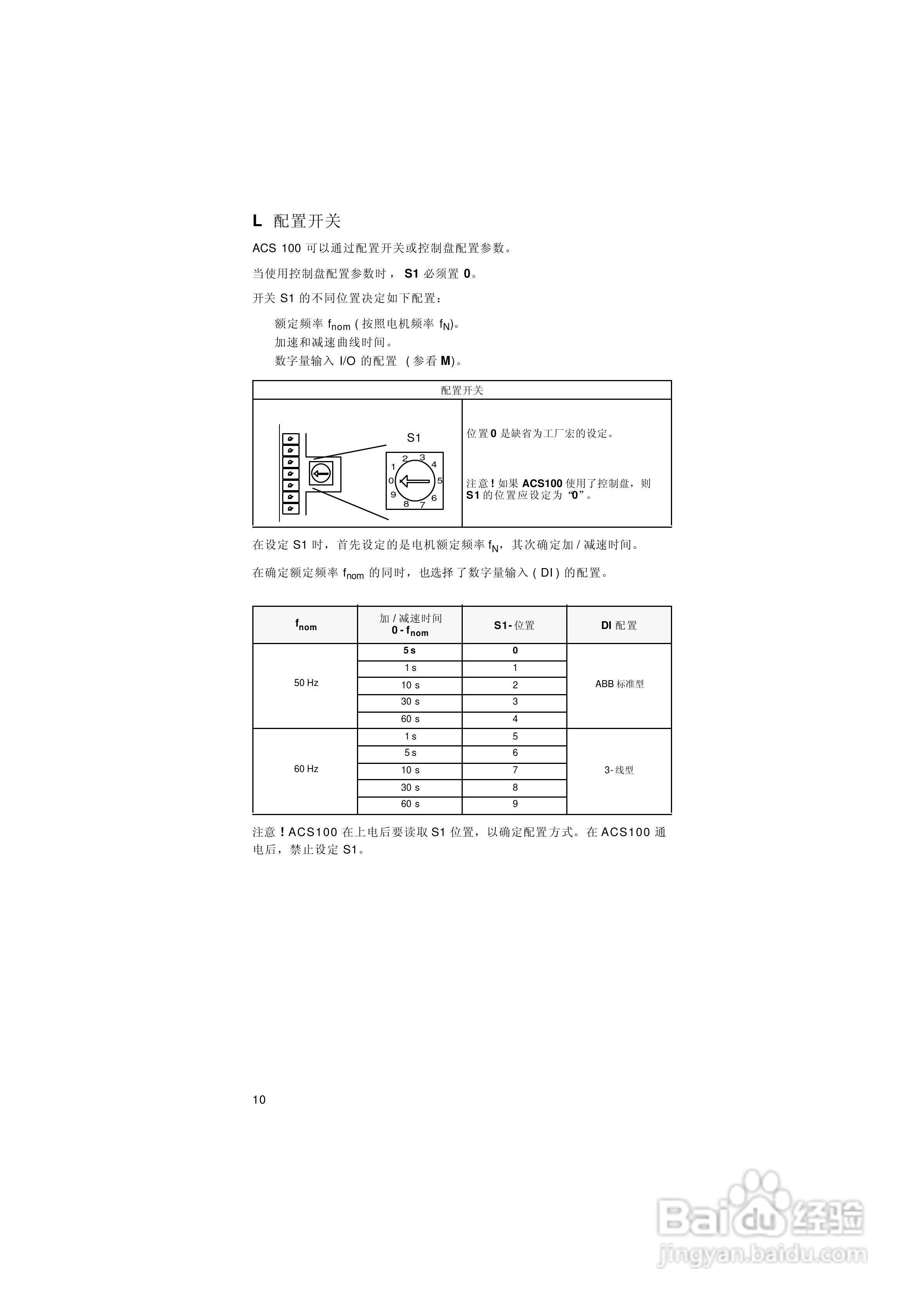
本篇为《ABB ACS101-1H6-1变频器使用说明书》,主要介绍该产品的使用方法以及常见故障解决方案。
(共篇)
上一篇:
|
下一篇:
声明:
本网站引用、摘录或转载内容仅供网站访问者交流或参考,不代表本站立场,如存在版权或非法内容,请联系站长删除,联系邮箱:site.kefu@qq.com。
相关推荐
ABB ACS101-1H6-1变频器使用说明书:[1]
阅读量:76
ABB ACS101-1H6-1变频器使用说明书:[3]
阅读量:33
ABB通用机械传动ACS355变频器说明书:[4]
阅读量:26
ABB通用机械传动ACS355变频器说明书:[5]
阅读量:144
ABB通用机械传动ACS355变频器说明书:[6]
阅读量:34
猜你喜欢
以上是什么意思
母夜叉是什么意思
lazy是什么意思
dnf柔道用什么武器
坚如磐石的意思
460分文科能考上什么大学
abroad是什么意思
blank是什么意思
我的世界书架有什么用
现在什么网游最赚钱
猜你喜欢
被男朋友啪哭是一种什么体验
一到十的祝福语
脸大剪什么发型
气溶胶传播是什么意思
什么粉底液遮瑕效果好
嵌入式烤箱什么牌子好
健美的意思
还有什么可以送给你
巾帼的意思
注册集团公司需要什么条件