指南生活
首页
美食营养
手工爱好
生活家居
返回
指南生活
首页
美食营养
游戏数码
手工爱好
生活家居
健康养生
运动户外
职场理财
情感交际
母婴教育
时尚美容
知识问答
生活知识
搜索
L系列自动平衡小型记录调节、报警仪说明书:[7]
2025-12-28 15:24:45
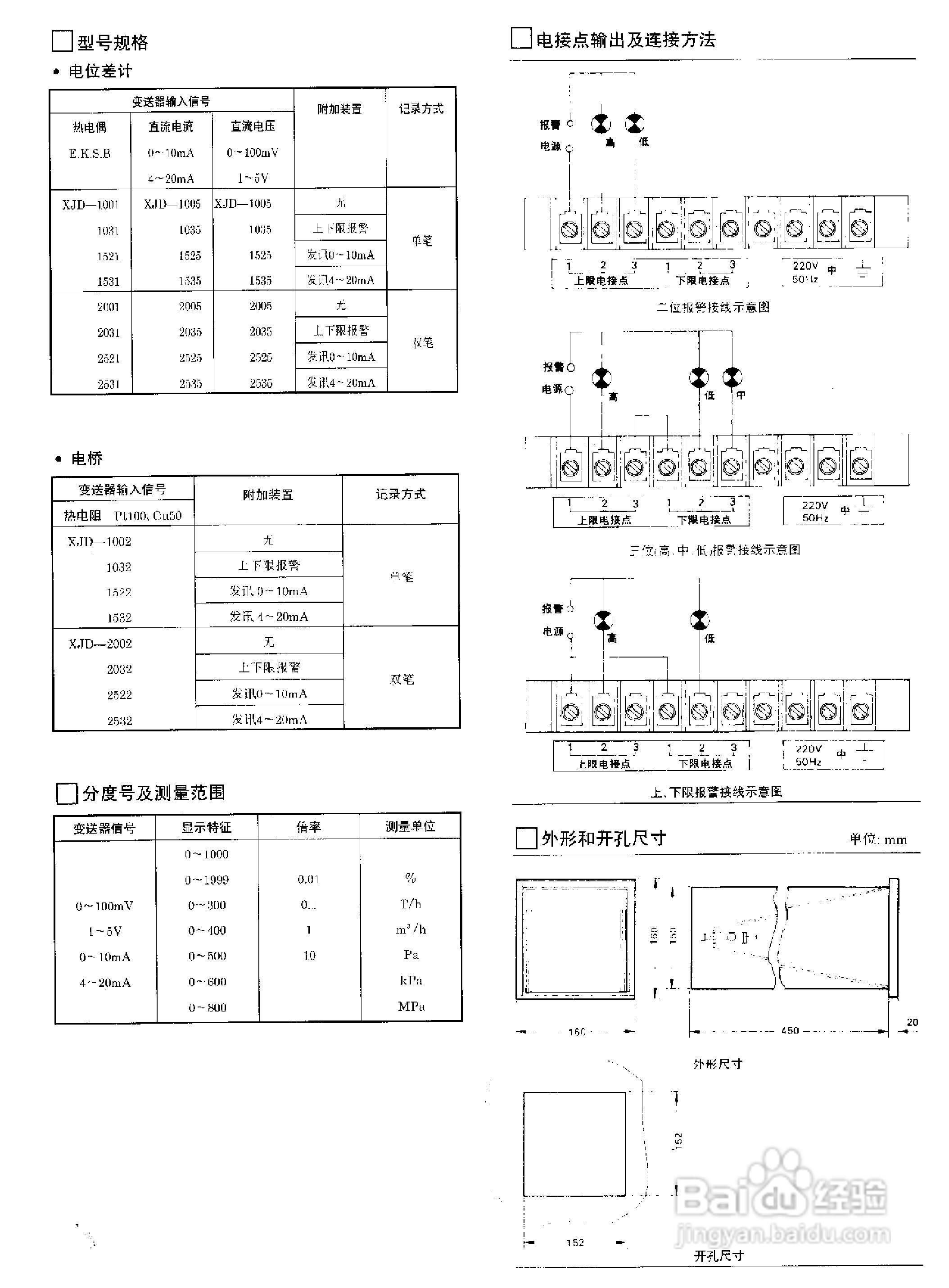
本篇为《L系列自动平衡小型记录调节、报警仪说明书》,主要介绍该产品的使用方法以及常见故障解决方案。
(共篇)
上一篇:
|
下一篇:
声明:
本网站引用、摘录或转载内容仅供网站访问者交流或参考,不代表本站立场,如存在版权或非法内容,请联系站长删除,联系邮箱:site.kefu@qq.com。
相关推荐
L系列自动平衡小型记录调节、报警仪说明书:[8]
阅读量:186
L系列自动平衡小型记录调节、报警仪说明书:[10]
阅读量:153
LTM8203多通道温湿度巡检报警仪说明书:[1]
阅读量:30
单点壁挂式二合一气体报警仪
阅读量:24
LTM8203多通道温湿度巡检报警仪说明书:[2]
阅读量:87
猜你喜欢
网页设计用什么软件
生物必修三知识点总结
多潘立酮片的作用与功效
猫爪草的功效与作用
蜂王浆的功效与作用
烟酰胺的功效与作用
艾灸的功效与作用
法克什么意思
just do it什么意思
过生日送什么好
猜你喜欢
食品安全知识手册
白果的功效与作用
洗面奶什么牌子好
分频器的作用
cotton什么意思
nba常规赛什么时候开始
锁阳的功效与作用
动画运动规律
我的世界有什么好玩的
广场健身操全身运动