指南生活
首页
美食营养
手工爱好
生活家居
返回
指南生活
首页
美食营养
游戏数码
手工爱好
生活家居
健康养生
运动户外
职场理财
情感交际
母婴教育
时尚美容
知识问答
生活知识
搜索
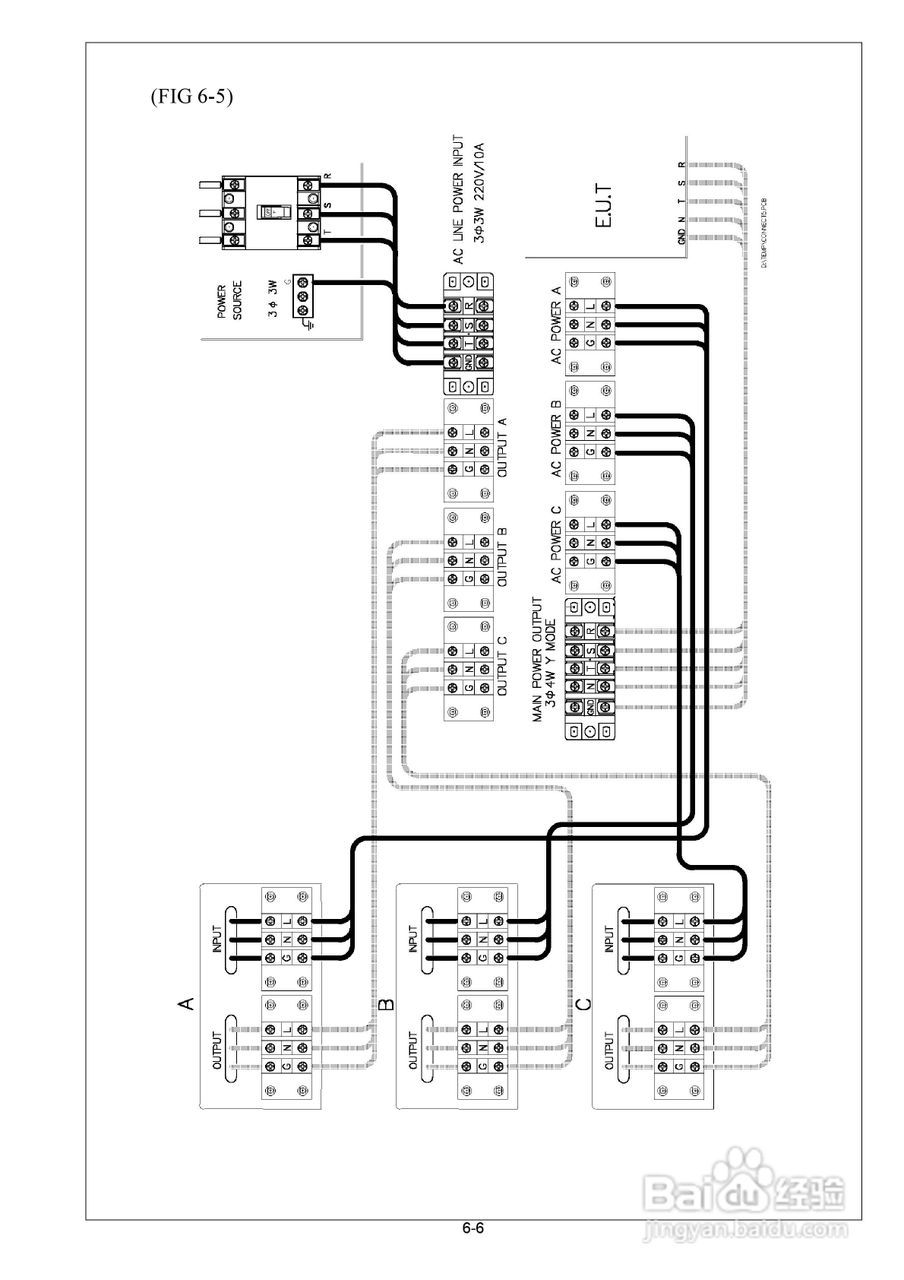
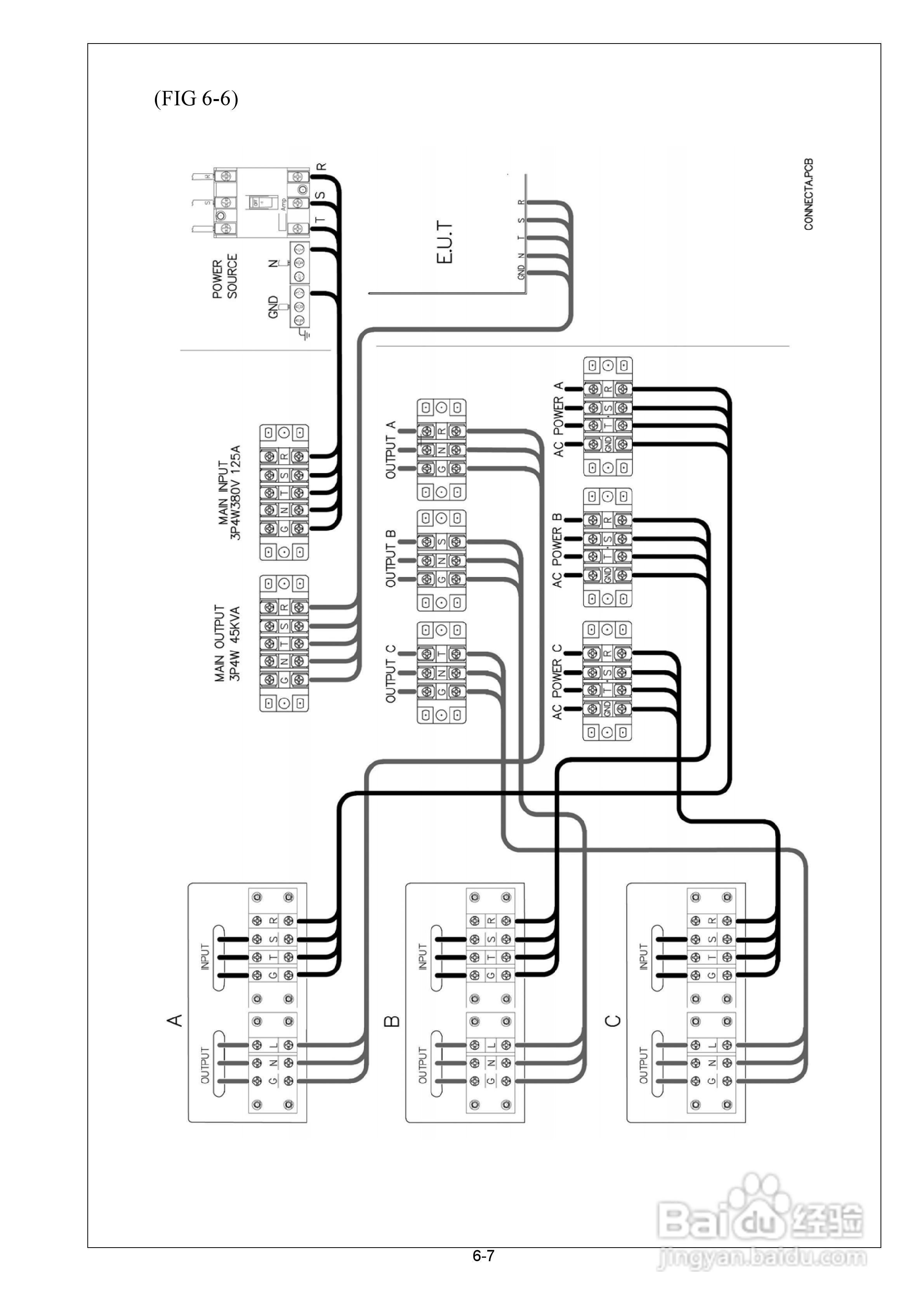
CIF系列附GPIB/RS232 三相控制器操作手冊:[2]
2026-03-17 19:49:46
本篇为《CIF系列附GPIB/RS232 三相控制器操作手冊》,主要介绍该产品的使用方法以及常见故障解决方案。
(共篇)
上一篇:
|
下一篇:
声明:
本网站引用、摘录或转载内容仅供网站访问者交流或参考,不代表本站立场,如存在版权或非法内容,请联系站长删除,联系邮箱:site.kefu@qq.com。
相关推荐
CIF系列附GPIB/RS232 三相控制器操作手冊:[1]
阅读量:72
CIF-A系列交流电源供应器操作手册:[2]
阅读量:111
CIF系列交流电源供应器操作手册:[3]
阅读量:38
NI-GPIB控制器-安捷伦
阅读量:187
cif文件怎么打开
阅读量:69
猜你喜欢
carry是什么意思英语
玩lol用什么显卡好
bend是什么意思
胡子像什么比喻句
上海最近有什么活动
现在坐火车需要什么手续
维族人为什么恨汉族
回眸是什么意思
假唱是什么意思
tph是什么意思
猜你喜欢
河北衡水有什么特产
序幕的意思
笃学的意思
minus是什么意思
女人喝什么奶粉好
养殖什么动物最赚钱
烟嘴什么牌子好
不亦说乎的意思
祝福新年的话
spider是什么意思