指南生活
首页
美食营养
手工爱好
生活家居
返回
指南生活
首页
美食营养
游戏数码
手工爱好
生活家居
健康养生
运动户外
职场理财
情感交际
母婴教育
时尚美容
知识问答
生活知识
生活百科
搜索
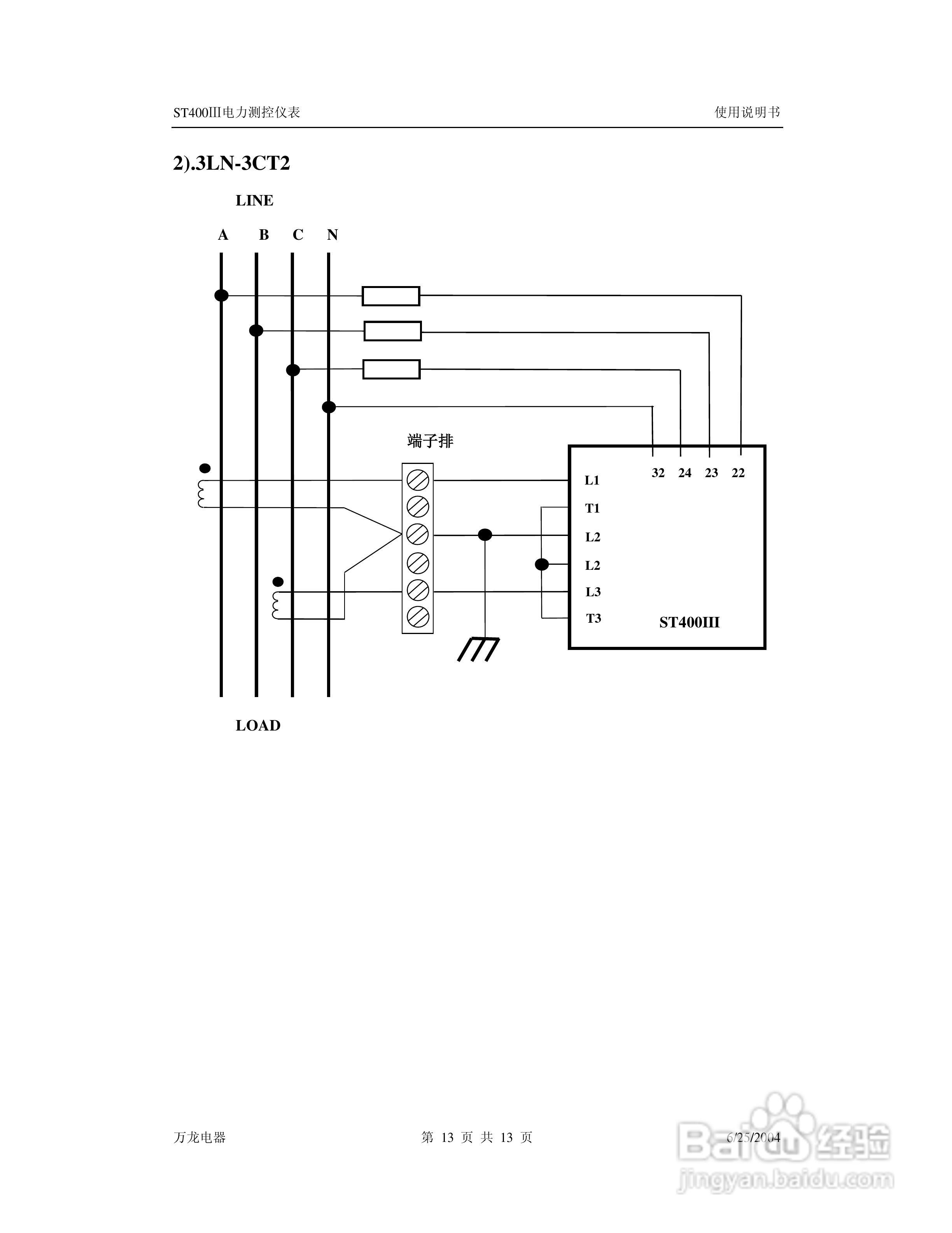
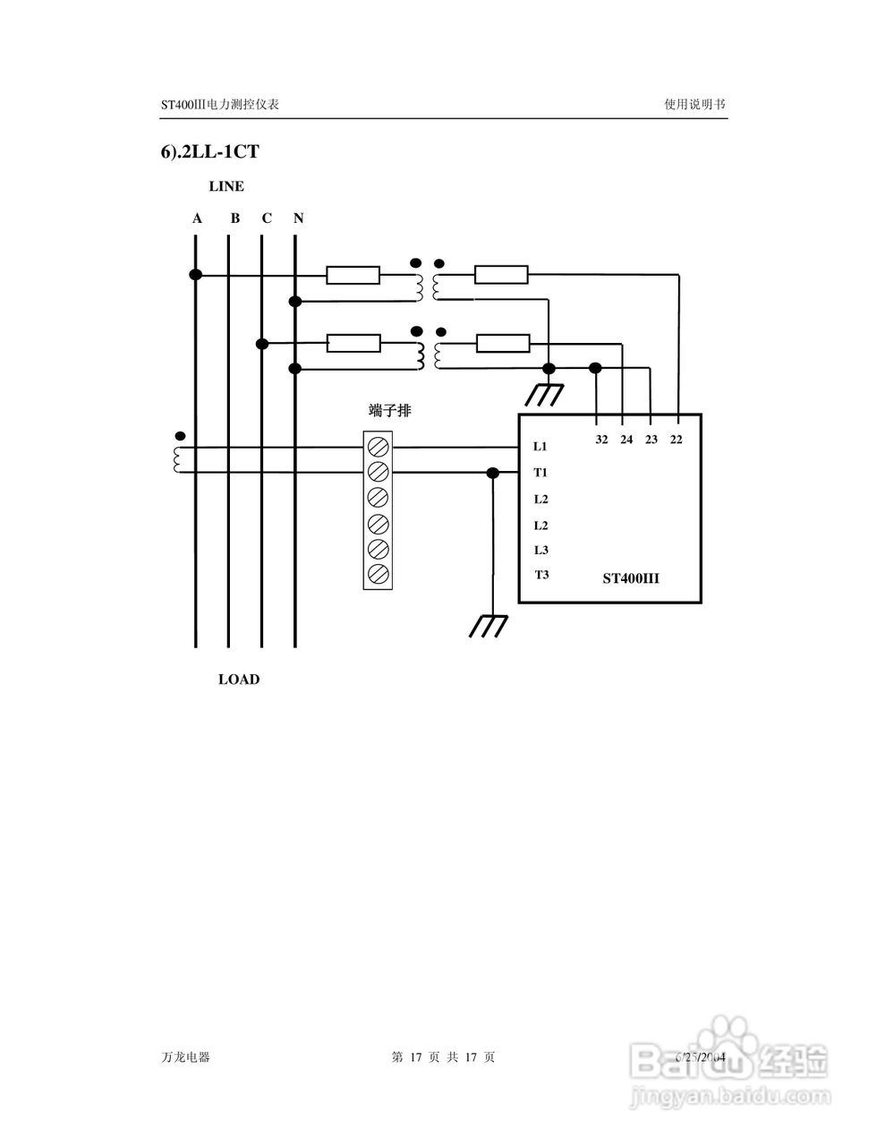
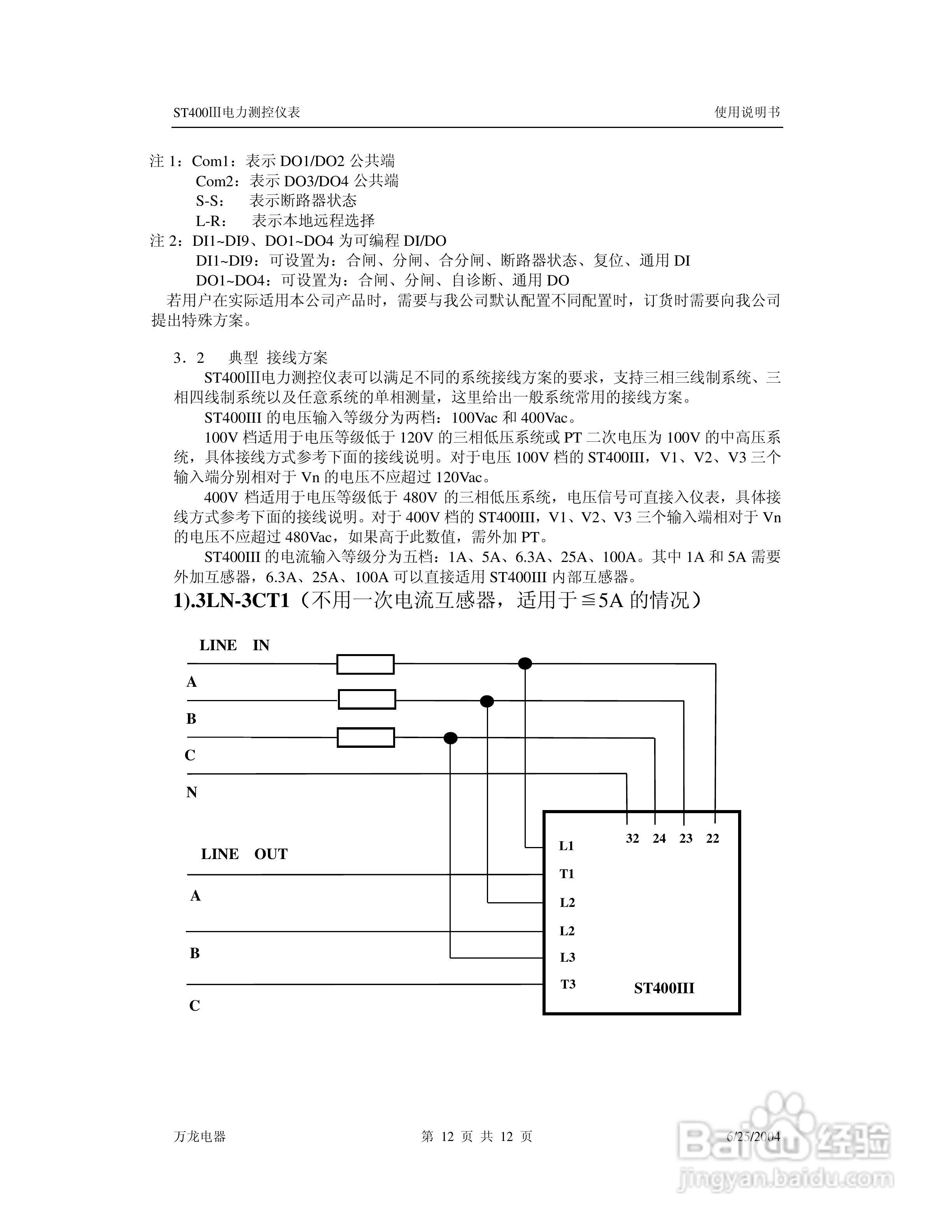
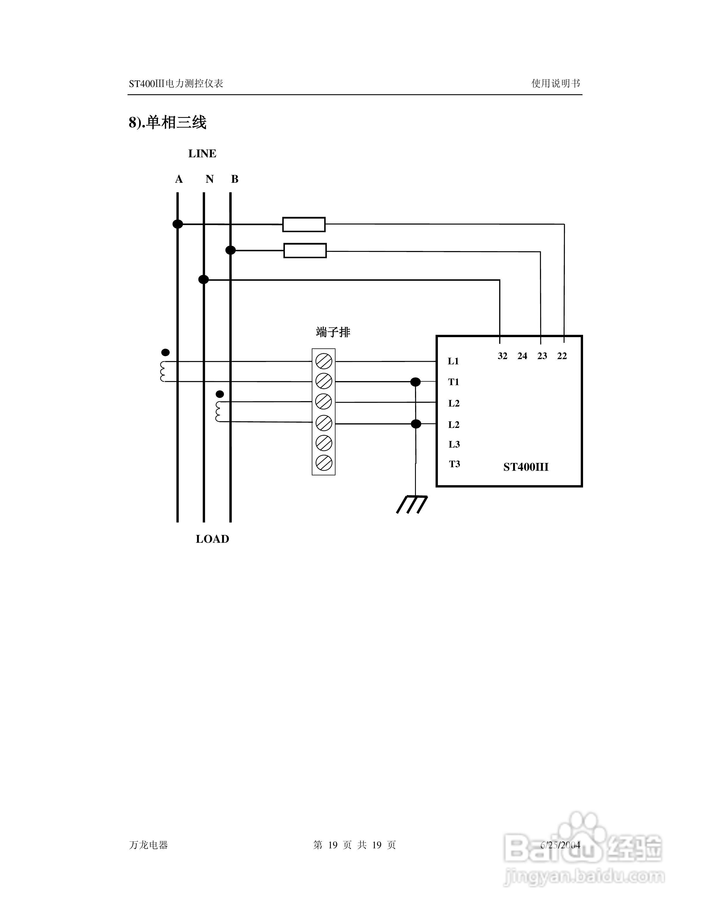
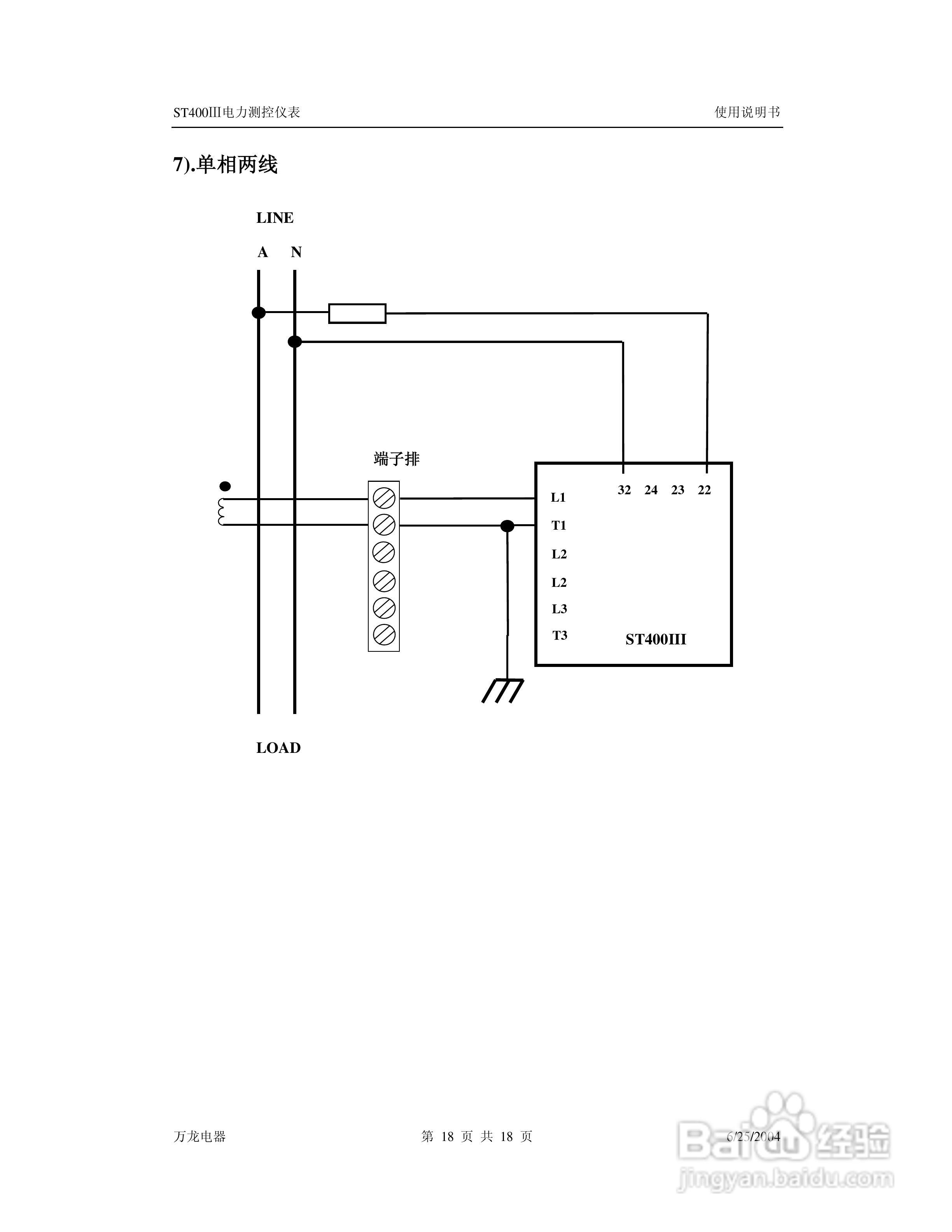
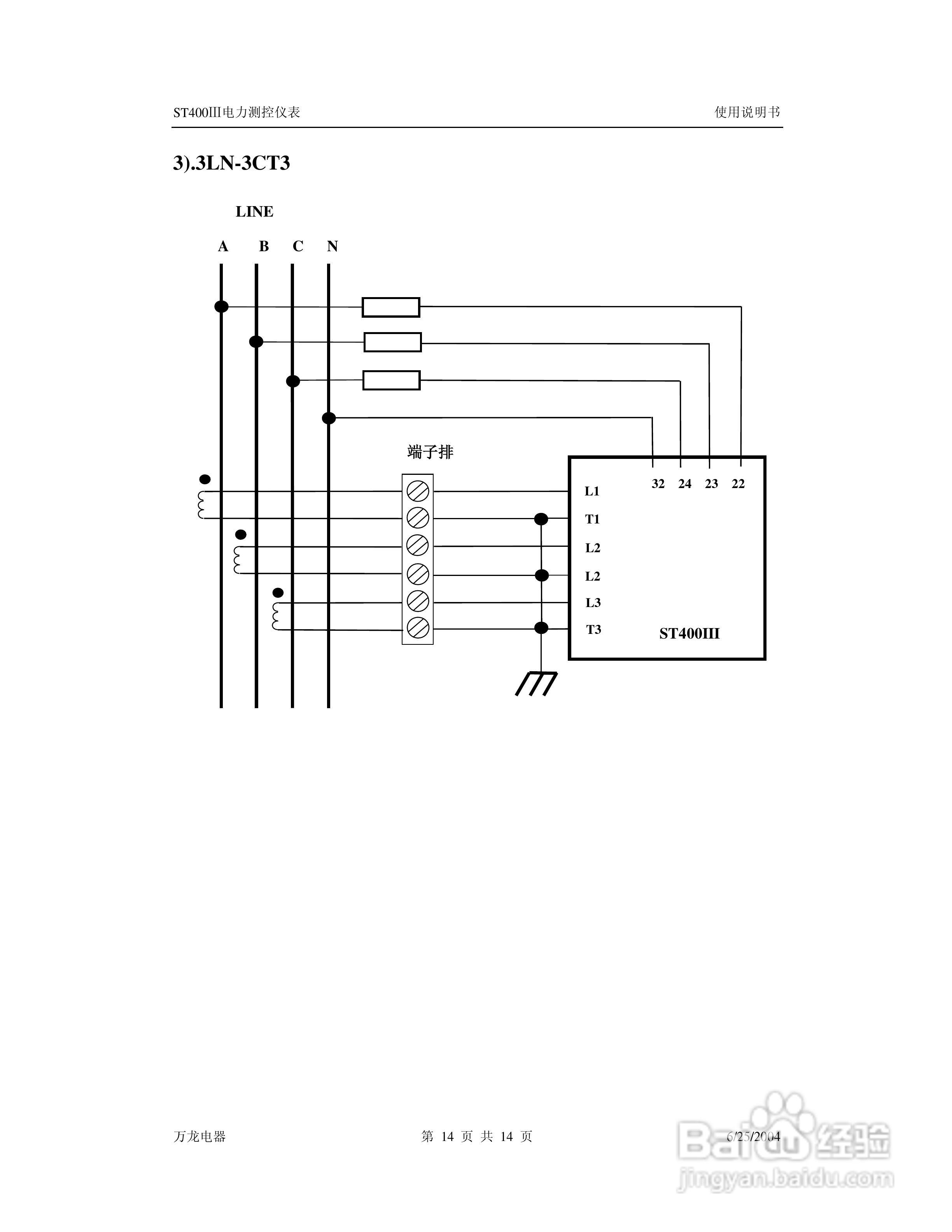
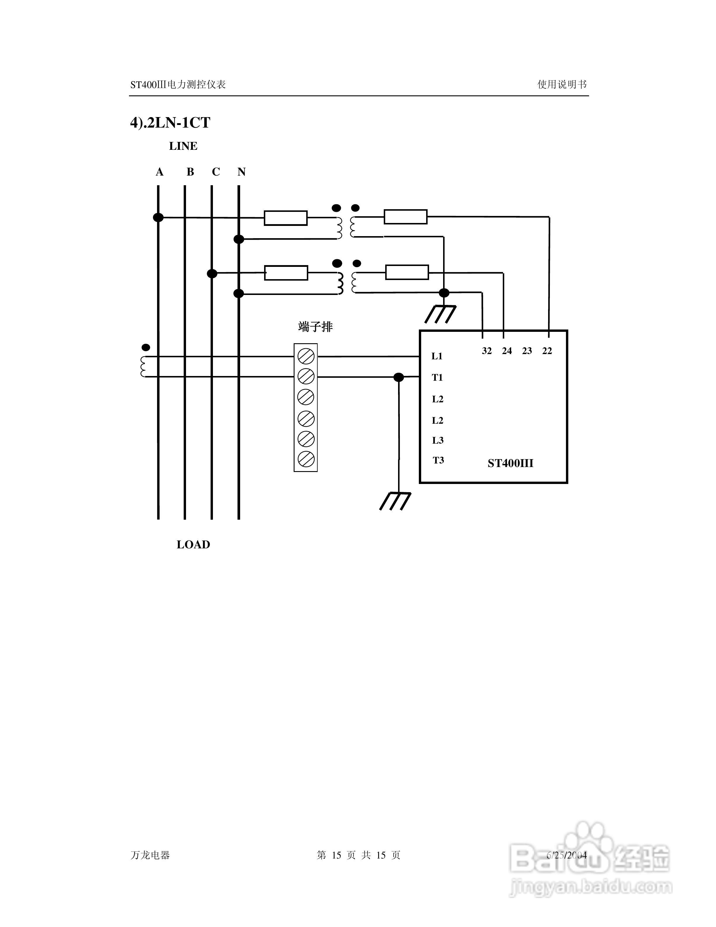
万龙电器ST400III电力测控仪表使用说明书:[2]
2026-04-11 17:18:46
本篇为《万龙电器ST400III电力测控仪表使用说明书》,主要介绍该产品的使用方法以及常见故障解决方案。
(共篇)
上一篇:
|
下一篇:
声明:
本网站引用、摘录或转载内容仅供网站访问者交流或参考,不代表本站立场,如存在版权或非法内容,请联系站长删除,联系邮箱:site.kefu@qq.com。
相关推荐
怎么允许天眼.查使用麦克风功能
阅读量:52
清远清城区亲子鉴定哪里可以做?
阅读量:33
基于网络环境下的CRM功能及其特性
阅读量:170
杰克的部落完美通关攻略★第2关
阅读量:139
厂房防水怎么处理?
阅读量:187
猜你喜欢
ielts怎么读
策划案怎么写
音乐学院怎么考
个人说明怎么写
strict怎么读
小米5怎么样
apec怎么读
代理服务器怎么设置
小孩一直咳嗽怎么办
怎么做目录
猜你喜欢
苹果手机怎么制作铃声
电脑开机蓝屏怎么办
怎么隐藏文件夹
竖线符号怎么打
阴阳眼怎么开
泉来净水器怎么样
控制面板怎么打开
她怎么组词
怎么做红烧排骨
隐藏分怎么提高