指南生活
首页
美食营养
手工爱好
生活家居
返回
指南生活
首页
美食营养
游戏数码
手工爱好
生活家居
健康养生
运动户外
职场理财
情感交际
母婴教育
时尚美容
知识问答
生活知识
生活百科
搜索
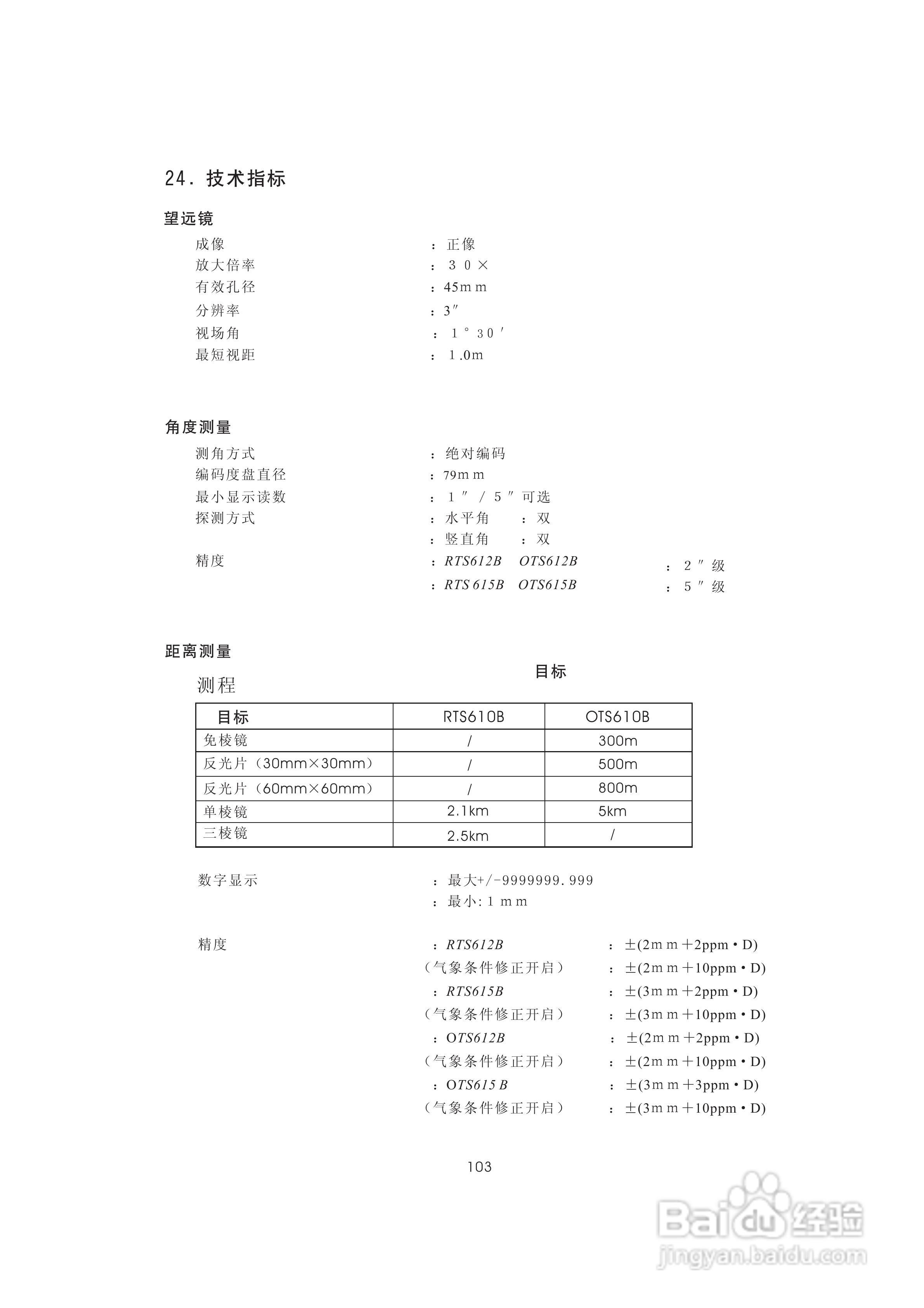
一光OTS610B全站仪使用说明书:[12]
2026-04-23 20:44:53
本篇为《一光OTS610B全站仪使用说明书》,主要介绍该产品的使用方法以及常见故障解决方案。
(共篇)
上一篇:
|
下一篇:
声明:
本网站引用、摘录或转载内容仅供网站访问者交流或参考,不代表本站立场,如存在版权或非法内容,请联系站长删除,联系邮箱:site.kefu@qq.com。
相关推荐
上海-女方为外市户口办理准生证
阅读量:22
神仙道R59版本非R、憋神、土豪伙伴选择攻略
阅读量:111
疫情就是命令,防控就是责任手抄报
阅读量:73
主题实践活动:有效提升幼儿集体生活适应能力
阅读量:30
“百县万村示范工程”广播建设经验
阅读量:93
猜你喜欢
b站邀请码怎么获得
如何报火警
如何去除抬头纹
如何做推广
如何学习炒股
济南周边旅游景点
独生子女证在哪里办
微信朋友圈怎么发链接
粤s是哪里的车牌
如何做好ppt
猜你喜欢
绝味鸭脖是哪里的特产
怎么画眼线显得眼睛大
鄂e是哪里的车牌号码
罪恶都市怎么招小弟
湿气重的表现怎么调理
如何学习摄影
如何招人
呼和浩特 旅游
条件格式怎么用
张杰是哪里人