指南生活
首页
美食营养
手工爱好
生活家居
返回
指南生活
首页
美食营养
游戏数码
手工爱好
生活家居
健康养生
运动户外
职场理财
情感交际
母婴教育
时尚美容
知识问答
生活知识
生活百科
搜索
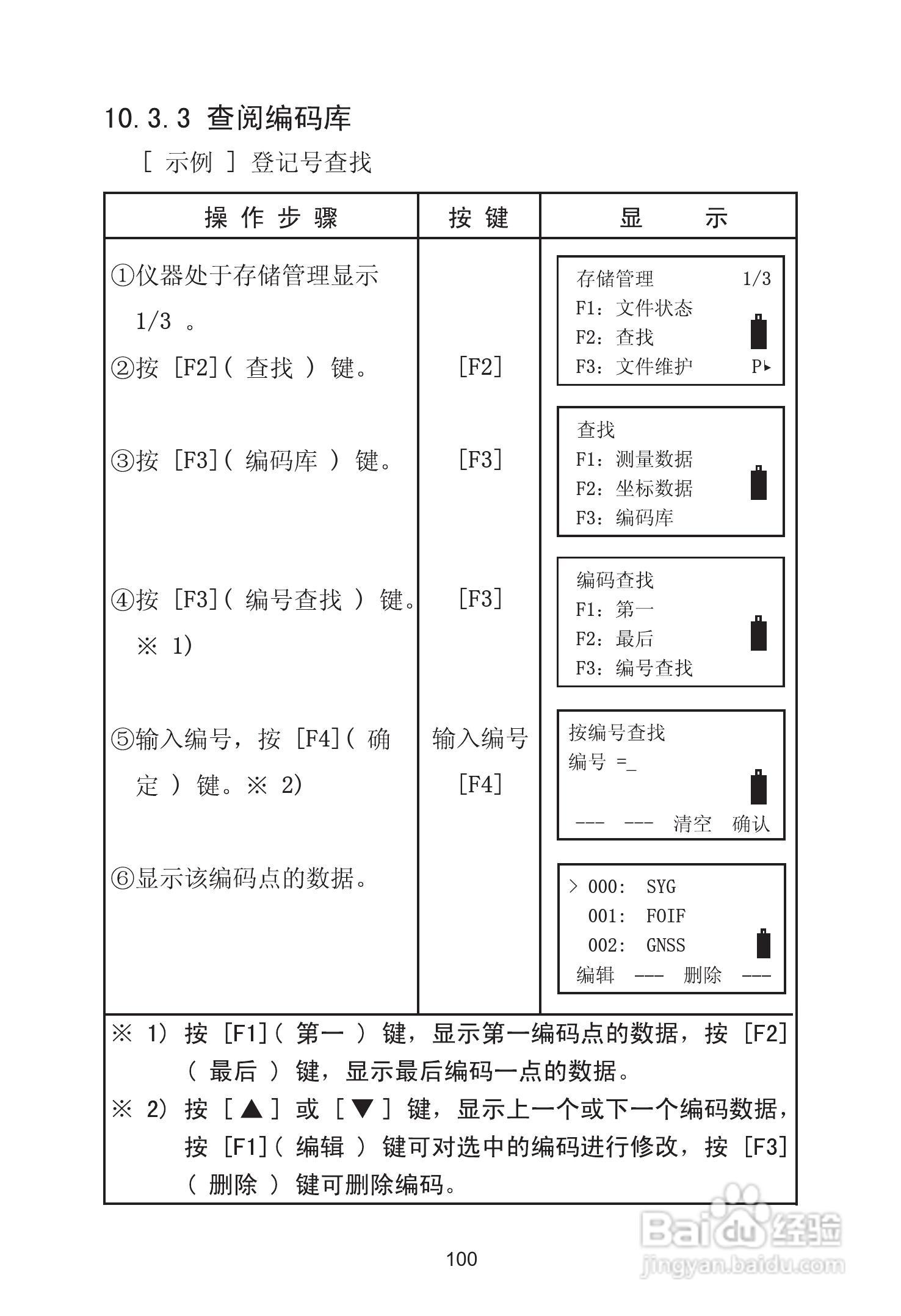
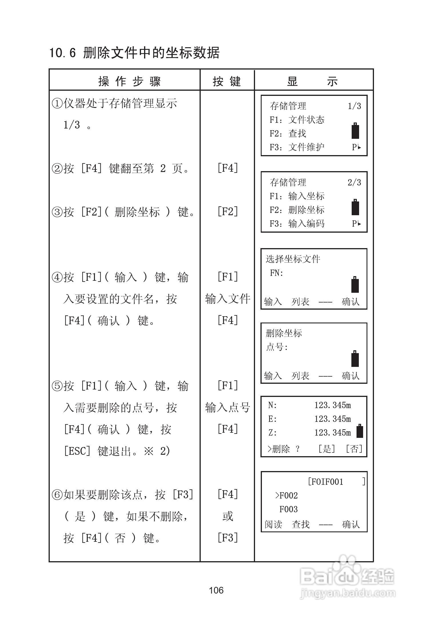
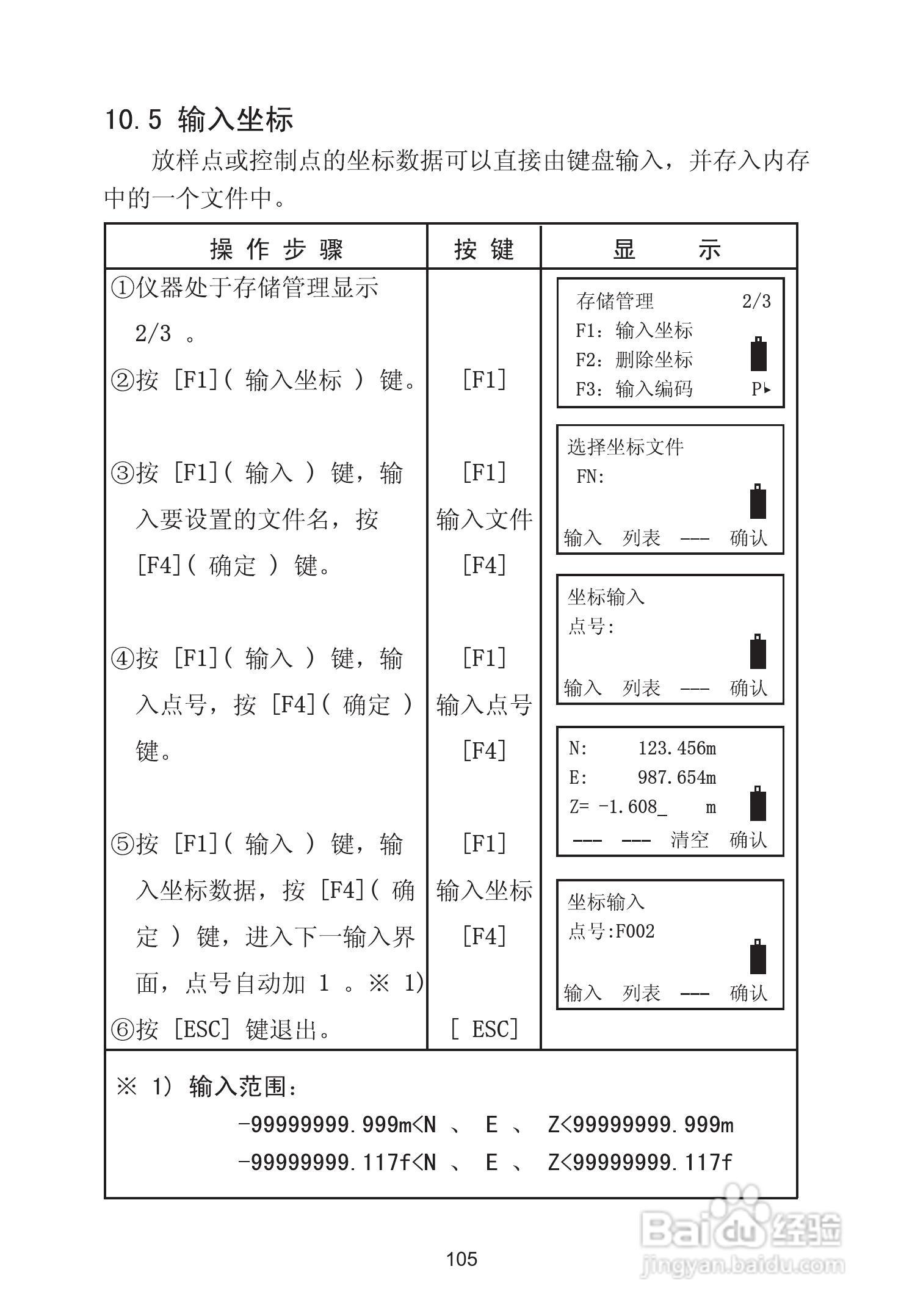
苏州一光RTS630D全站仪使用说明书:[12]
2026-03-26 02:48:56
本篇为《苏州一光RTS630D全站仪使用说明书》,主要介绍该产品的使用方法以及常见故障解决方案。
(共篇)
上一篇:
|
下一篇:
声明:
本网站引用、摘录或转载内容仅供网站访问者交流或参考,不代表本站立场,如存在版权或非法内容,请联系站长删除,联系邮箱:site.kefu@qq.com。
相关推荐
cad使用技巧之旋转、复制旋转、参照旋转
阅读量:94
CAD怎么旋转图形怎么旋转角度
阅读量:161
怎样将两个CAD图形组合
阅读量:125
CAD中如何将一个线段平移一定的距离
阅读量:71
CAD如何使用参照旋转功能?
阅读量:35
猜你喜欢
怎么打马赛克
我的世界怎么挖钻石
充电宝怎么用
擦伤怎么处理
炉石传说巫妖王怎么打
两个路由器怎么连接
指甲油干了怎么办
紫薯怎么吃
老是拉肚子是怎么回事
新生儿发烧怎么办
猜你喜欢
怎么转换视频格式
甲醛怎么去除
结婚证丢了怎么补办
apple music怎么用
除法竖式怎么列
项羽怎么死的
微信怎么分享歌曲
怎么做飞机
老是拉肚子是怎么回事
吐血是怎么回事