指南生活
首页
美食营养
手工爱好
生活家居
返回
指南生活
首页
美食营养
游戏数码
手工爱好
生活家居
健康养生
运动户外
职场理财
情感交际
母婴教育
时尚美容
知识问答
生活知识
生活百科
搜索
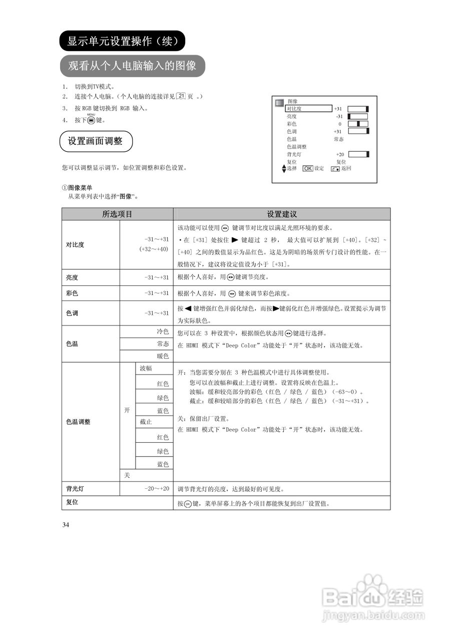
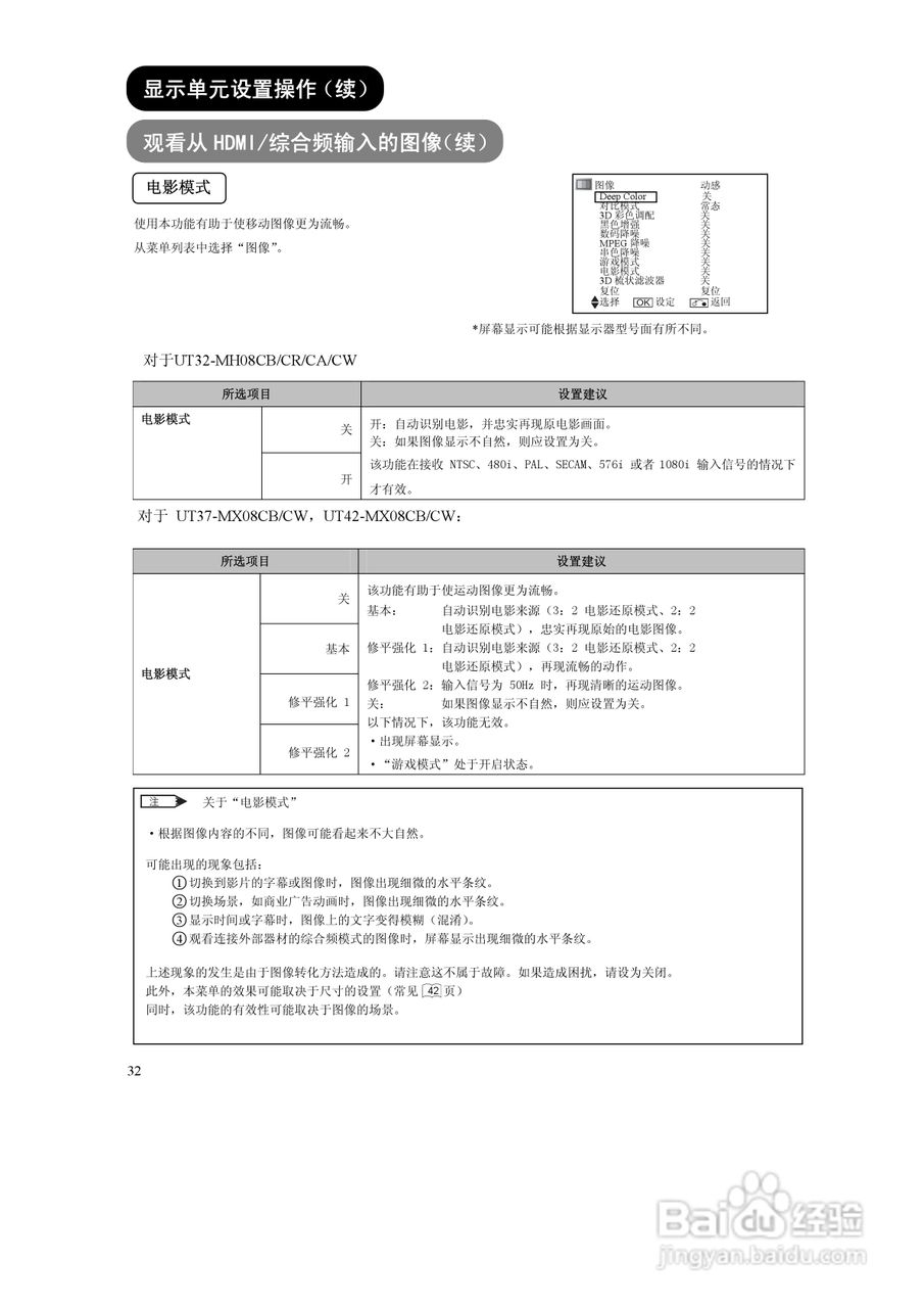
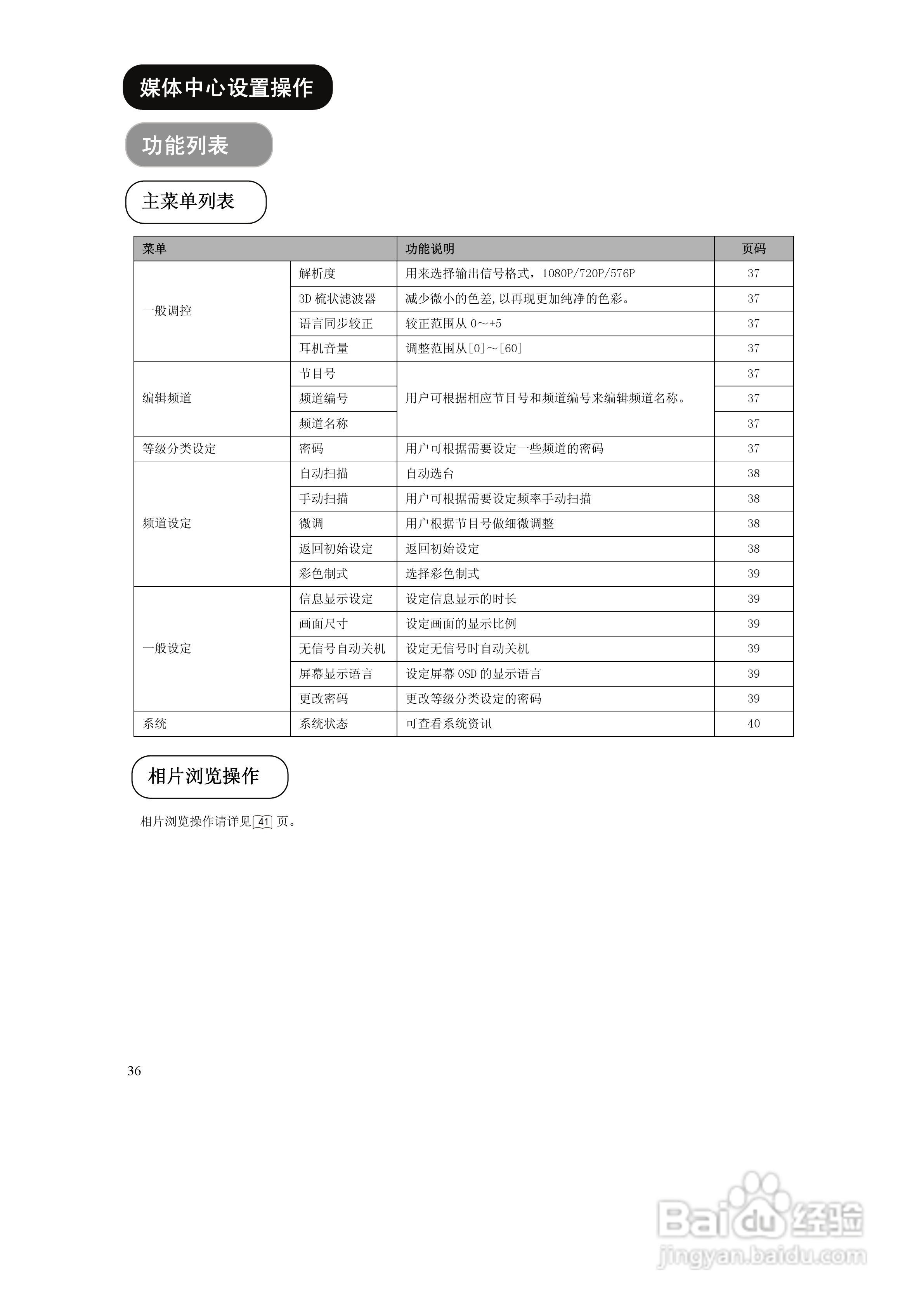
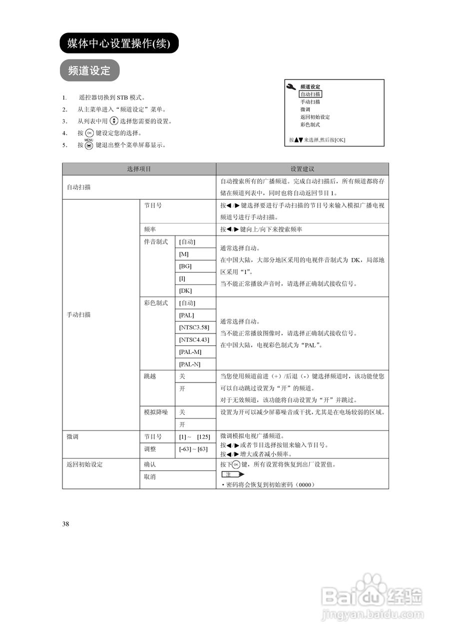
日立液晶彩色电视机UT42-MX08CB/CW型使用说明书:[4]
2026-04-22 13:09:09
(共篇)
上一篇:
|
下一篇:
声明:
本网站引用、摘录或转载内容仅供网站访问者交流或参考,不代表本站立场,如存在版权或非法内容,请联系站长删除,联系邮箱:site.kefu@qq.com。
相关推荐
日立电锤如何辨别真假
阅读量:39
日立液晶彩色电视机UT37-MX08CB/CW型使用说明书:[4]
阅读量:144
日立液晶彩色电视机UT37-MX08CB/CW型使用说明书:[6]
阅读量:69
日立液晶彩色电视机UT32-MH08CB/CR/CW/CA型使用说明书:[2]
阅读量:68
日立液晶彩色电视机UT32-MH08CB/CR/CW/CA型使用说明书:[4]
阅读量:156
猜你喜欢
什么是小微企业
结业是什么意思
结膜炎用什么眼药水
ipad是什么意思
跳槽是什么意思
男士面膜什么牌子好
欣然是什么意思
可以组什么词
70年属什么生肖
公务员考什么
猜你喜欢
失眠什么原因
siri什么意思
白鹿原泡枣是什么意思
职高和技校有什么区别
thin是什么意思
万劫不复什么意思
什么是b站
圆脸适合什么发型女
排酸肉是什么意思
月亮是什么星