指南生活
首页
美食营养
手工爱好
生活家居
返回
指南生活
首页
美食营养
游戏数码
手工爱好
生活家居
健康养生
运动户外
职场理财
情感交际
母婴教育
时尚美容
知识问答
生活知识
搜索
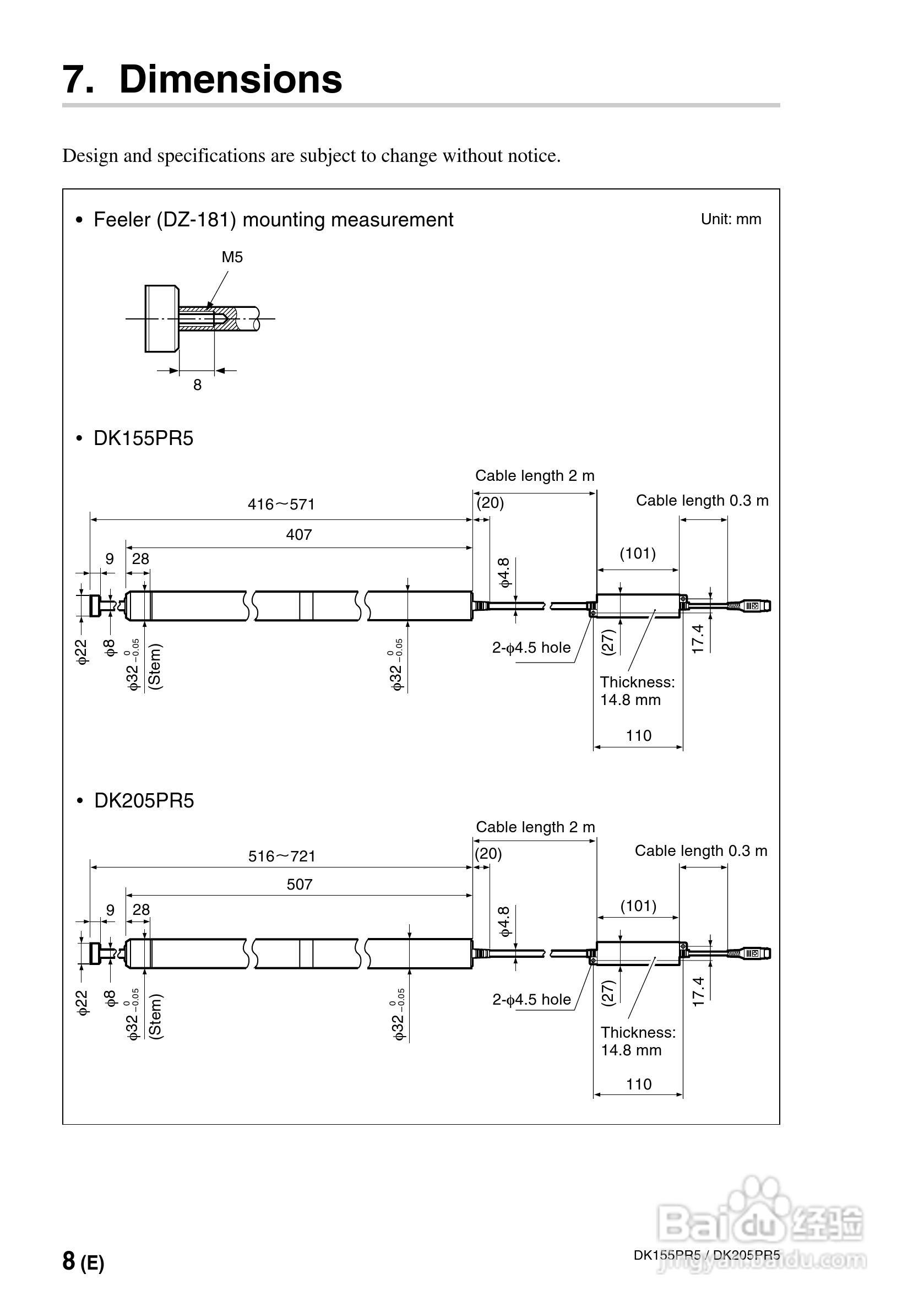
SONY DK155PR5PR5/DK205PR5数字测量器使用说明书:[5]
2025-12-30 17:24:39
本篇为《SONY DK155PR5PR5/DK205PR5数字测量器使用说明书》,主要介绍该产品的使用方法以及常见故障解决方案。
(共篇)
上一篇:
|
下一篇:
声明:
本网站引用、摘录或转载内容仅供网站访问者交流或参考,不代表本站立场,如存在版权或非法内容,请联系站长删除,联系邮箱:site.kefu@qq.com。
相关推荐
SONY DK110NLR5数字测量器说明书:[5]
阅读量:181
SONY DK110NLR5数字测量器说明书:[1]
阅读量:133
SONY DK110NLR5数字测量器说明书:[8]
阅读量:174
SONY DK110NLR5数字测量器说明书:[6]
阅读量:24
SONY DK110NLR5数字测量器说明书:[4]
阅读量:37
猜你喜欢
最好的避孕方法
催眠小说大全
百合花的养殖方法和注意事项
什么蛋糕最好吃
连衣裙英语怎么说
紫金保险怎么样
怎么盗qq号简单方法
测试方法
痔疮的最佳治疗方法
儿童机票价格怎么算
猜你喜欢
好评怎么写
红旗h7怎么样
北极贝怎么吃
土豆怎么做好吃又简单
早餐饼的做法大全
圣诞节用英语怎么写
南瓜饼的做法家常做法
冰箱怎么除霜
怎么样治疗早泄
唇炎的治疗方法