指南生活
首页
美食营养
手工爱好
生活家居
返回
指南生活
首页
美食营养
游戏数码
手工爱好
生活家居
健康养生
运动户外
职场理财
情感交际
母婴教育
时尚美容
知识问答
生活知识
搜索
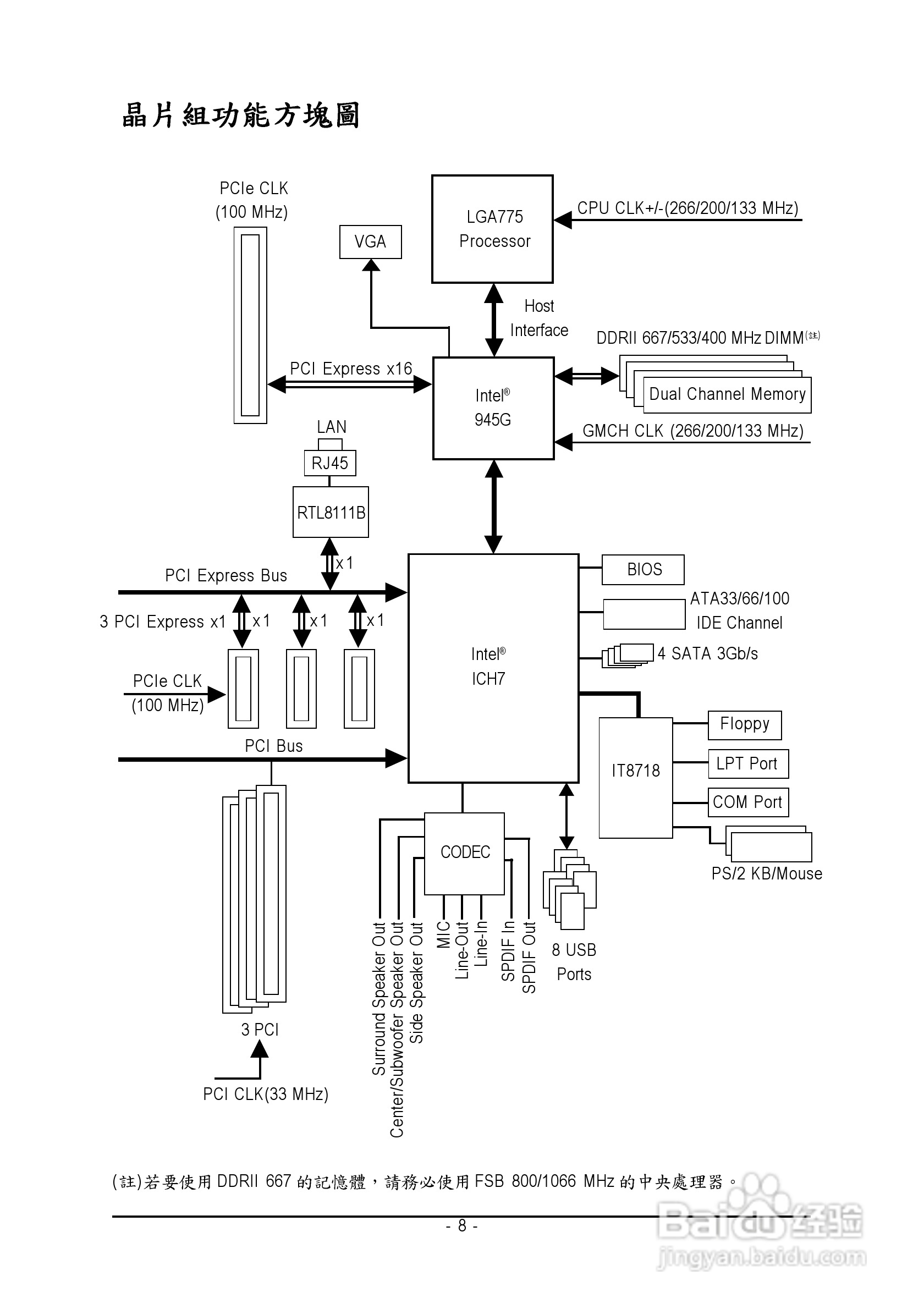
技嘉GA-945G-DS3 (rev. 2.0)型主板说明书:[1]
2026-01-02 05:46:38
本篇为《技嘉GA-945G-DS3 (rev. 2.0)型主板说明书》,主要介绍该产品的使用方法以及常见故障解决方案。
(共篇)
下一篇:
声明:
本网站引用、摘录或转载内容仅供网站访问者交流或参考,不代表本站立场,如存在版权或非法内容,请联系站长删除,联系邮箱:site.kefu@qq.com。
相关推荐
技嘉GA-945G-DS3 (rev. 2.0)型主板说明书:[3]
阅读量:115
技嘉GA-945G-DS3 (rev. 2.0)型主板说明书:[6]
阅读量:185
技嘉GA-945P-DS3 (rev.2.0)型主板说明书:[3]
阅读量:196
技嘉主板如何设置内存频率
阅读量:194
技嘉主板bios升级教程
阅读量:43
猜你喜欢
斧正是什么意思
有什么好看的言情小说
南宁有什么好玩的地方
谷雨是什么时候
人瘦是什么原因
christmas什么意思
日成念什么
明朗的近义词是什么
维生素e可以擦脸吗
什么是三次元
猜你喜欢
thank you是什么意思
炙手可热是什么意思
斯凯奇运动鞋
维生素b6价格
咱也不知道咱也不敢问是什么梗
什么冰箱质量最好
炎症是什么引起的
维生素b6治疗脱发
大学运动会新闻稿
日皮是什么意思