指南生活
首页
美食营养
手工爱好
生活家居
返回
指南生活
首页
美食营养
游戏数码
手工爱好
生活家居
健康养生
运动户外
职场理财
情感交际
母婴教育
时尚美容
知识问答
生活知识
搜索
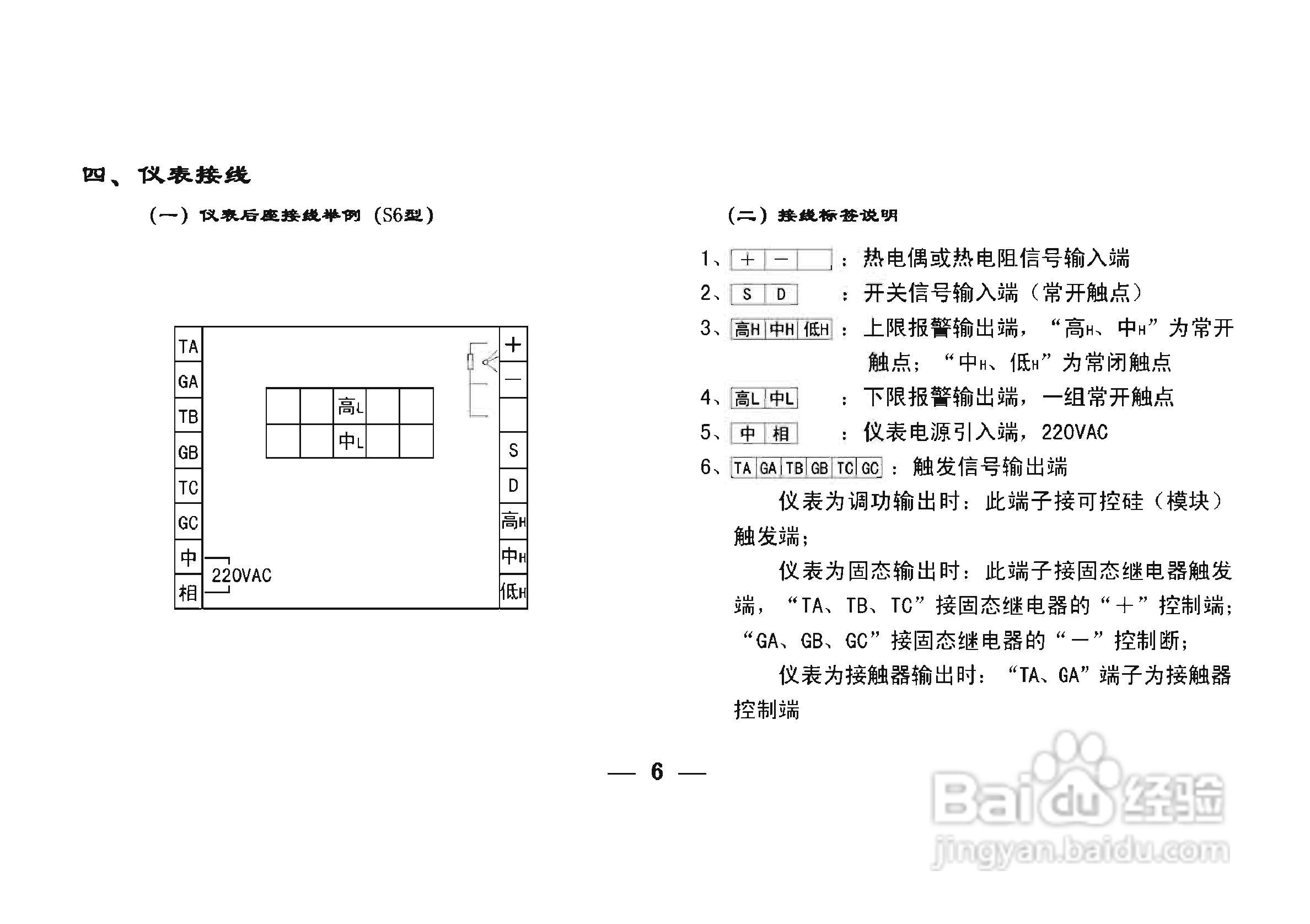
TCW-34A智能化数显温控仪使用说明书:[1]
2026-01-24 17:19:21
本篇为《TCW-34A智能化数显温控仪使用说明书》,主要介绍该产品的使用方法以及常见故障解决方案。
(共篇)
下一篇:
声明:
本网站引用、摘录或转载内容仅供网站访问者交流或参考,不代表本站立场,如存在版权或非法内容,请联系站长删除,联系邮箱:site.kefu@qq.com。
相关推荐
卡西欧EX-Z8数码相机使用说明书.pdf:[1]
阅读量:176
丽江3天自助游攻略
阅读量:41
如何成为职场的中坚力量
阅读量:32
斐济旅游攻略大全
阅读量:53
什么是抗雾霾帽(霾克星)
阅读量:135
猜你喜欢
看车主要看什么
什么产品去黑头最好
脉血康胶囊治疗什么病
吃火锅配什么菜
群发祝福短信
运杂费计入什么科目
尘埃的意思
forty是什么意思
韩国什么东西值得买
本科一批是什么意思啊
猜你喜欢
中出 什么意思
全自动洗衣机什么品牌好
外盘与内盘是什么意思
相敬如宾是什么意思
黑色代表什么
竭力的意思
lgg抗体是什么意思
stage是什么意思
不俗气的简短祝福语
慎重的意思