指南生活
首页
美食营养
手工爱好
生活家居
返回
指南生活
首页
美食营养
游戏数码
手工爱好
生活家居
健康养生
运动户外
职场理财
情感交际
母婴教育
时尚美容
知识问答
生活知识
生活百科
搜索
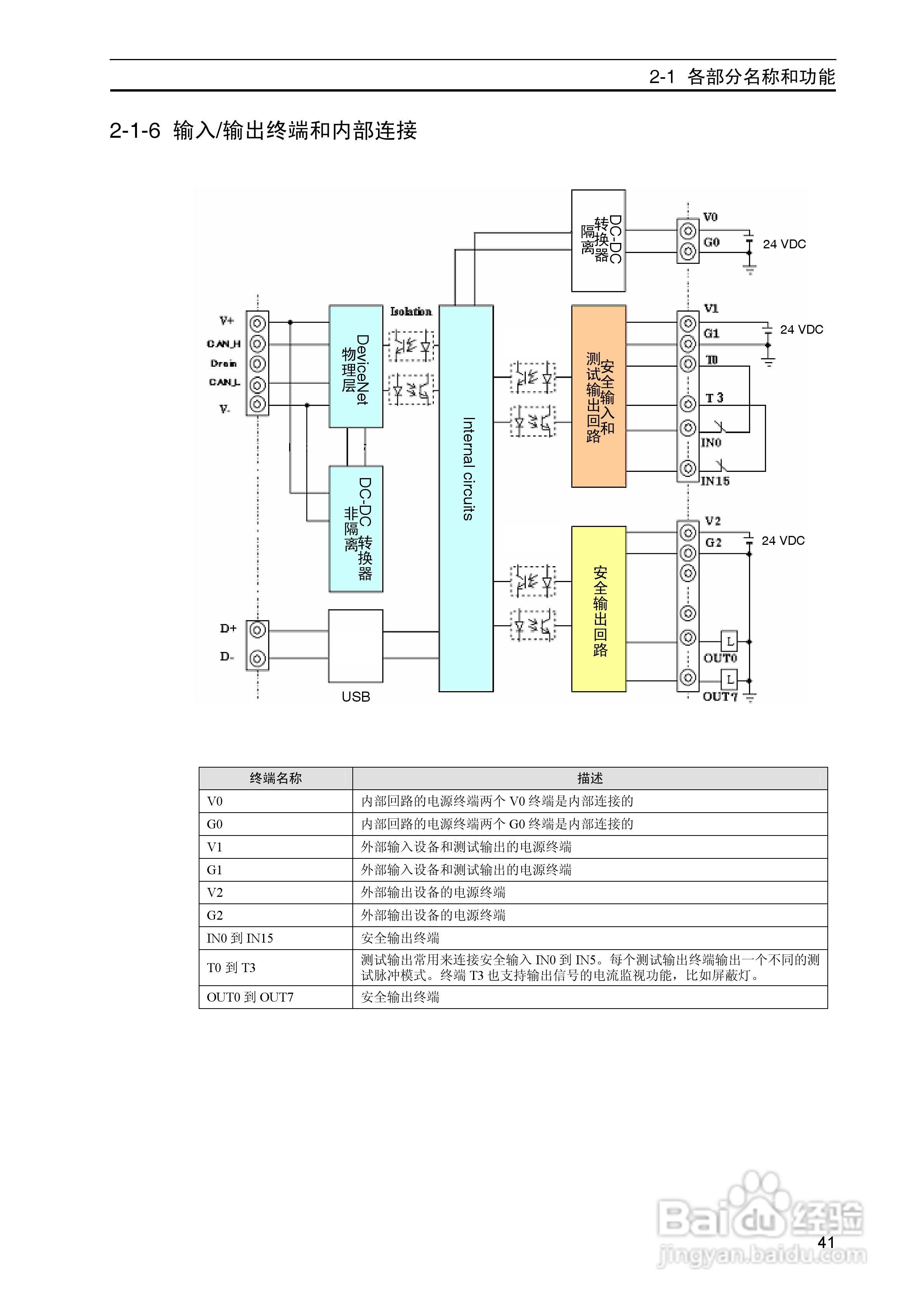
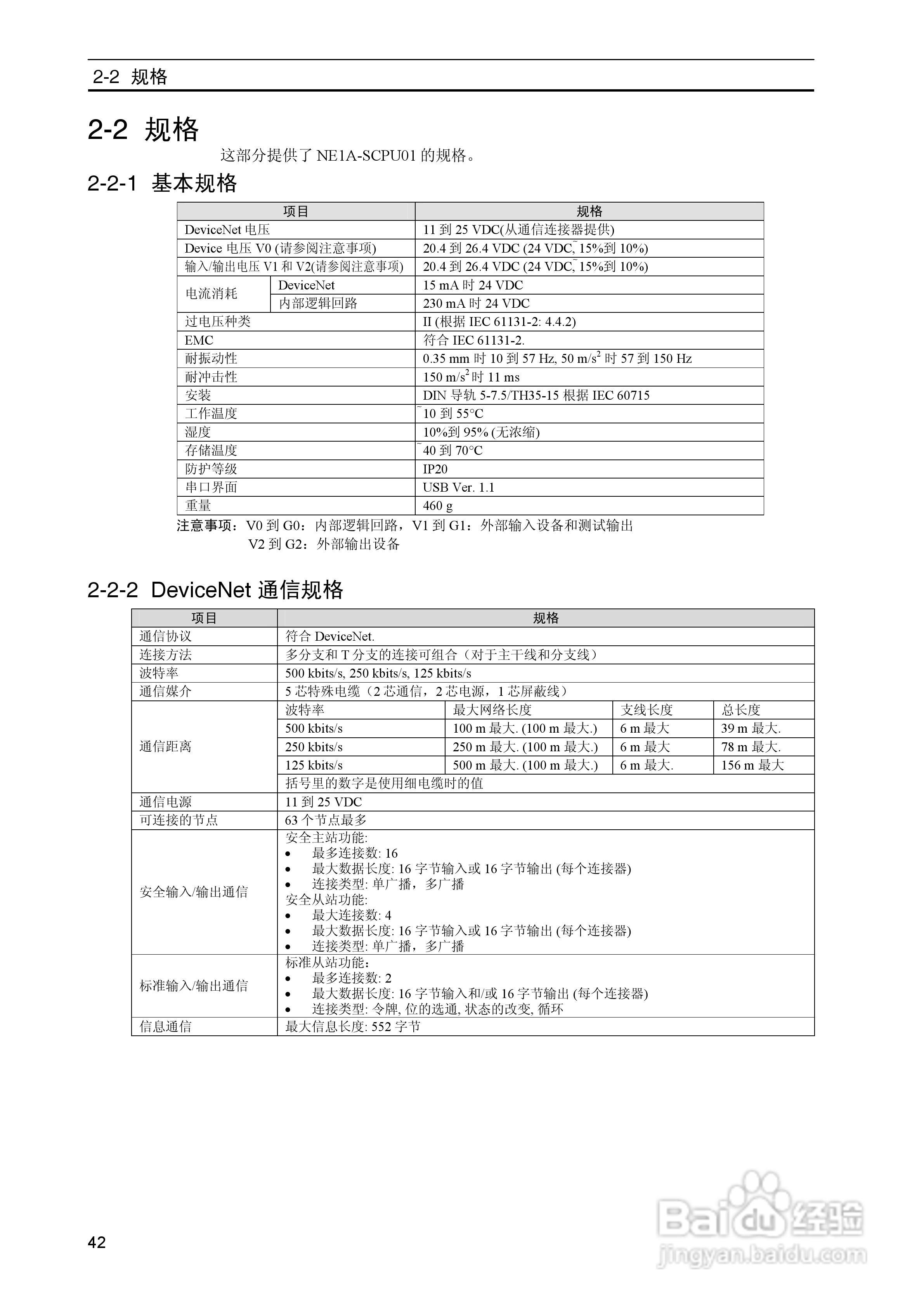
DeviceNet Z906安全网络控制器操作手册(中文):[5]
2026-04-26 09:17:21
本篇为《DeviceNet Z906安全网络控制器操作手册(中文)》,主要介绍该产品的使用方法以及常见故障解决方案。
(共篇)
上一篇:
|
下一篇:
声明:
本网站引用、摘录或转载内容仅供网站访问者交流或参考,不代表本站立场,如存在版权或非法内容,请联系站长删除,联系邮箱:site.kefu@qq.com。
相关推荐
DeviceNet Z906安全网络控制器操作手册(中文):[14]
阅读量:90
DeviceNet Z906安全网络控制器操作手册(中文):[13]
阅读量:110
网络控制器更新驱动程序
阅读量:66
实现PROFIENT 与DeviceNet 网关配置步骤
阅读量:35
DeviceNet Z906安全网络控制器操作手册(中文):[17]
阅读量:100
猜你喜欢
有什么好看的电影推荐
肝在什么位置图片
汇仁肾宝片的功效与作用
地漏什么牌子好
蛹虫草的功效与作用
弱水三千只取一瓢什么意思
减小腹最有效的运动
甘草的作用
运动会入场式口号
绿茶有什么好处
猜你喜欢
小学生知识竞赛
八珍丸的功效与作用
运动会的宣传稿
绿色代表什么意思
乳化作用
什么是泡沫经济
分号的作用
亚洲运动会
运动美女
过期的酸奶有什么用