指南生活
首页
美食营养
手工爱好
生活家居
返回
指南生活
首页
美食营养
游戏数码
手工爱好
生活家居
健康养生
运动户外
职场理财
情感交际
母婴教育
时尚美容
知识问答
生活知识
搜索
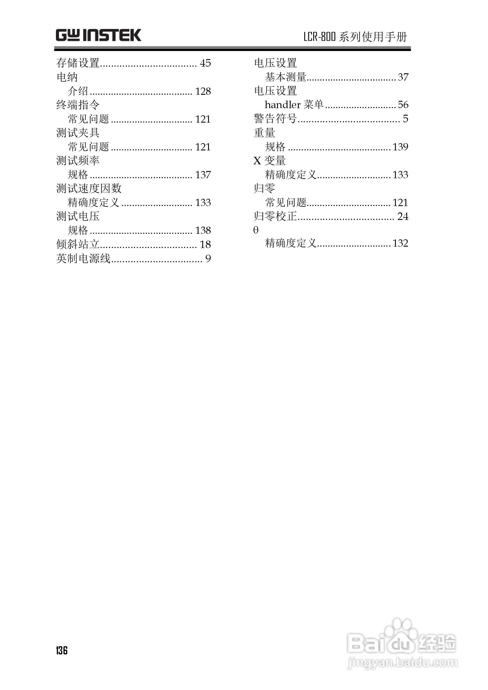
固纬LCR-819高精度LCR测试仪使用说明书:[14]
2025-12-16 02:20:33
本篇为《固纬LCR-819高精度LCR测试仪使用说明书》,主要介绍该产品的使用方法以及常见故障解决方案。
(共篇)
上一篇:
声明:
本网站引用、摘录或转载内容仅供网站访问者交流或参考,不代表本站立场,如存在版权或非法内容,请联系站长删除,联系邮箱:site.kefu@qq.com。
相关推荐
固纬LCR-819高精度LCR测试仪使用说明书:[12]
阅读量:139
固纬LCR-819高精度LCR测试仪使用说明书:[8]
阅读量:132
固纬LCR-819高精度LCR测试仪使用说明书:[10]
阅读量:105
固纬LCR-819高精度LCR测试仪使用说明书:[7]
阅读量:171
固纬LCR-819高精度LCR测试仪使用说明书:[9]
阅读量:83
猜你喜欢
怎么读音标
恶魔城晓月圆舞曲攻略
围棋是怎么下的
上海野生动物园攻略
怎么去痘痘简单方法
瘟疫公司攻略
亚历山大大帝简介
怎么样去除皱纹
哈尔滨工业大学简介
厦门旅游攻略
猜你喜欢
西红柿减肥7天瘦7斤
西北师范大学怎么样
浙江天台山旅游攻略
小品剧本怎么写
二十一天减肥法
使命召唤12攻略
鼻翼肥大怎么办
巨人僵尸怎么打
减肥肚脐贴
盐城工学院怎么样