指南生活
首页
美食营养
手工爱好
生活家居
返回
指南生活
首页
美食营养
游戏数码
手工爱好
生活家居
健康养生
运动户外
职场理财
情感交际
母婴教育
时尚美容
知识问答
生活知识
生活百科
搜索
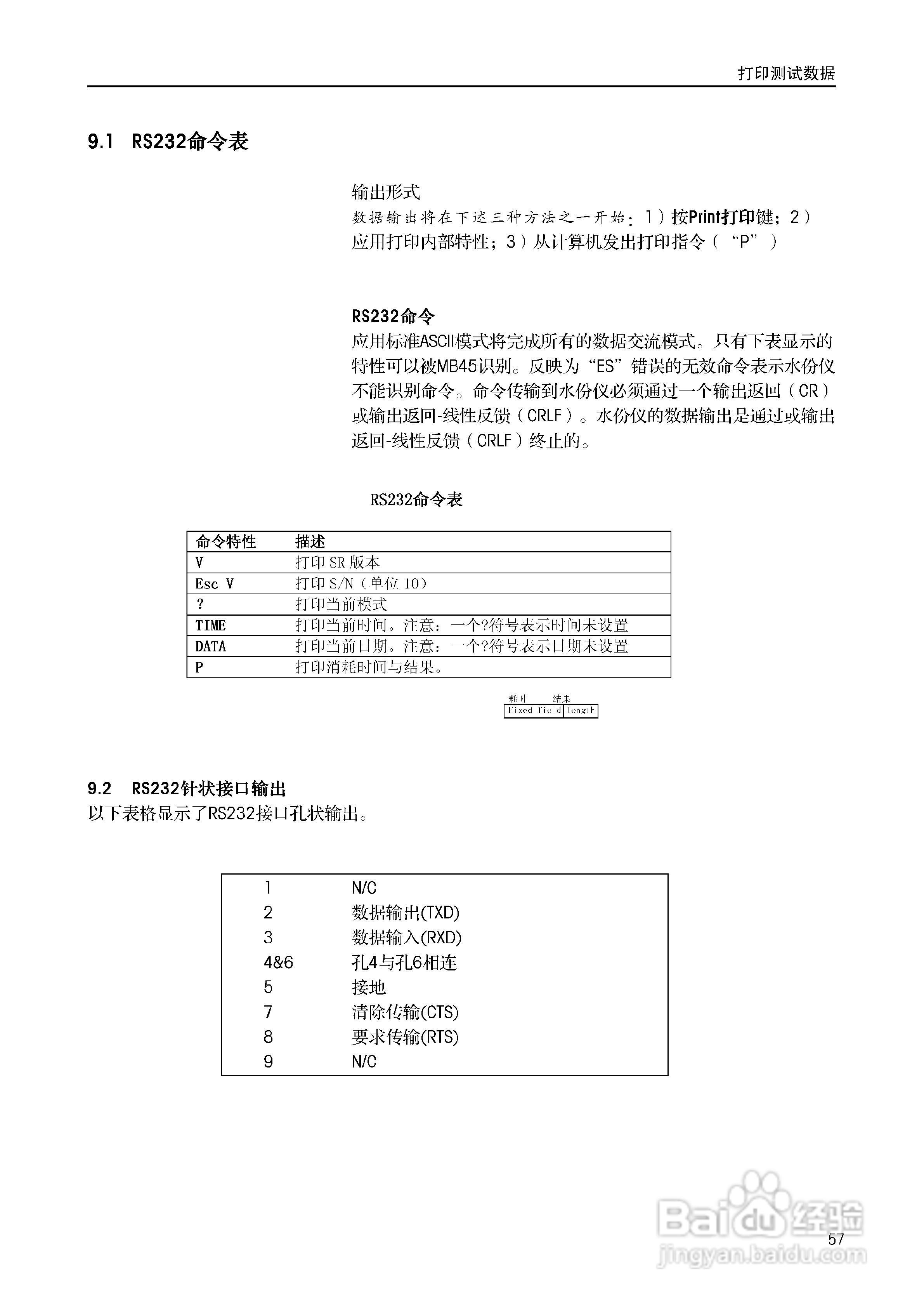
美国奥豪斯MB45水份测定仪中文说明书:[6]
2026-05-17 23:08:44
本篇为《美国奥豪斯MB45水份测定仪中文说明书》,主要介绍该产品的使用方法以及常见故障解决方案。
(共篇)
上一篇:
|
下一篇:
声明:
本网站引用、摘录或转载内容仅供网站访问者交流或参考,不代表本站立场,如存在版权或非法内容,请联系站长删除,联系邮箱:site.kefu@qq.com。
相关推荐
美国奥豪斯MB45水份测定仪中文说明书:[7]
阅读量:132
炉石的米尔豪斯法力风暴怎么用
阅读量:96
美国奥豪斯MB45水份测定仪中文说明书:[5]
阅读量:90
MB35水份测定仪说明书:[2]
阅读量:96
MB35水份测定仪说明书:[3]
阅读量:51
猜你喜欢
步步高手机怎么样
如何补充胶原蛋白
如何定位别人手机位置
增值电信业务经营许可证怎么办理
手机如何恢复出厂设置
如何练出马甲线
水土不服长痘怎么办
联合国总部设在哪里
怎么发邮件到qq邮箱
旅游作文600字
猜你喜欢
tp路由器管理员密码
澳洲旅游签证
怎么抢网速
峨眉山旅游地图
青春期如何瘦腿
白衬衣发黄怎么洗
涂壁哪里多
烧伤起泡怎么处理
显卡在哪里看
富士通笔记本怎么样