指南生活
首页
美食营养
手工爱好
生活家居
返回
指南生活
首页
美食营养
游戏数码
手工爱好
生活家居
健康养生
运动户外
职场理财
情感交际
母婴教育
时尚美容
知识问答
生活知识
生活百科
搜索
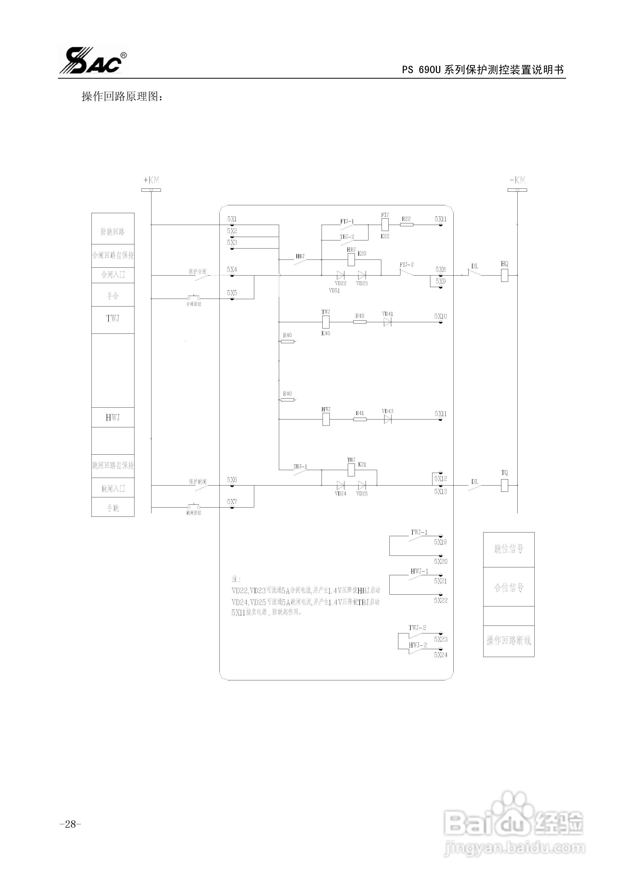
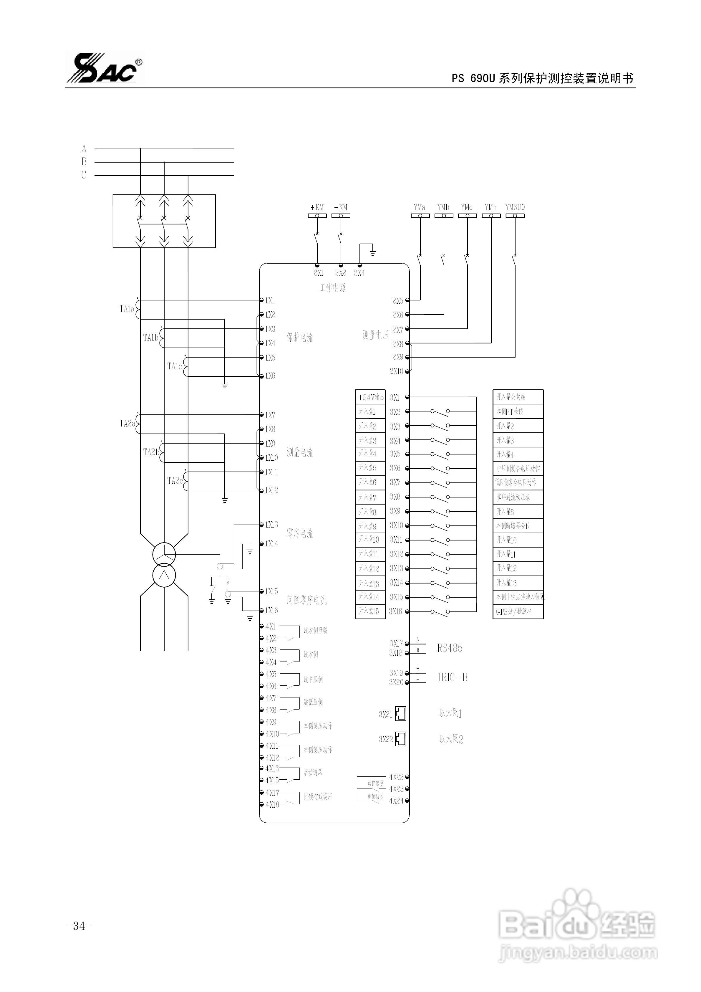
PSM691U电动机差动综合保护装置说明书:[4]
2026-04-22 12:23:02
本篇为《PSM691U电动机差动综合保护装置说明书》,主要介绍该产品的使用方法以及常见故障解决方案。
(共篇)
上一篇:
|
下一篇:
声明:
本网站引用、摘录或转载内容仅供网站访问者交流或参考,不代表本站立场,如存在版权或非法内容,请联系站长删除,联系邮箱:site.kefu@qq.com。
相关推荐
电动机三相电流不平衡的原因及表现
阅读量:101
PSM691U电动机差动综合保护装置说明书:[12]
阅读量:189
PSM691U电动机差动综合保护装置说明书:[11]
阅读量:104
PSM669B数字式电动机保护装置技术说明书:[3]
阅读量:106
PSM669B数字式电动机保护装置技术说明书:[4]
阅读量:194
猜你喜欢
电表怎么看
尿酸高怎么办
我的世界酿造台怎么做
经常放屁是怎么回事
荻怎么读
油麦菜怎么做好吃
为什么不能摸死人的手
为什么科学技术是第一生产力
怎么包馄饨
带鱼怎么处理
猜你喜欢
盅怎么读
歆怎么读
秦始皇陵墓为什么不挖
微信号怎么注销
倪怎么读
殇怎么读拼音
跳蚤怎么消灭
为什么会得白血病
电脑锁屏密码怎么设置
鸡蛋怎么做好吃