指南生活
首页
美食营养
手工爱好
生活家居
返回
指南生活
首页
美食营养
游戏数码
手工爱好
生活家居
健康养生
运动户外
职场理财
情感交际
母婴教育
时尚美容
知识问答
生活知识
生活百科
搜索
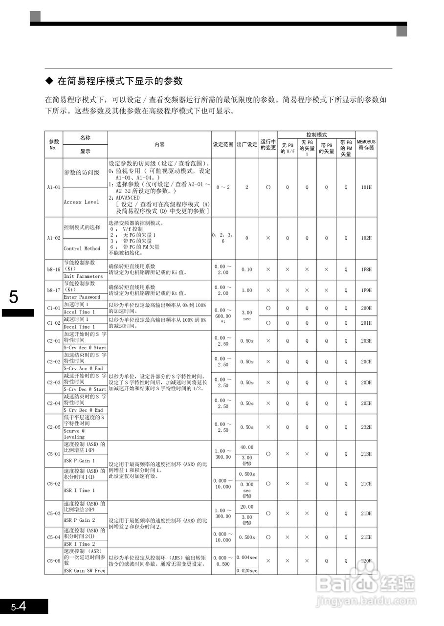
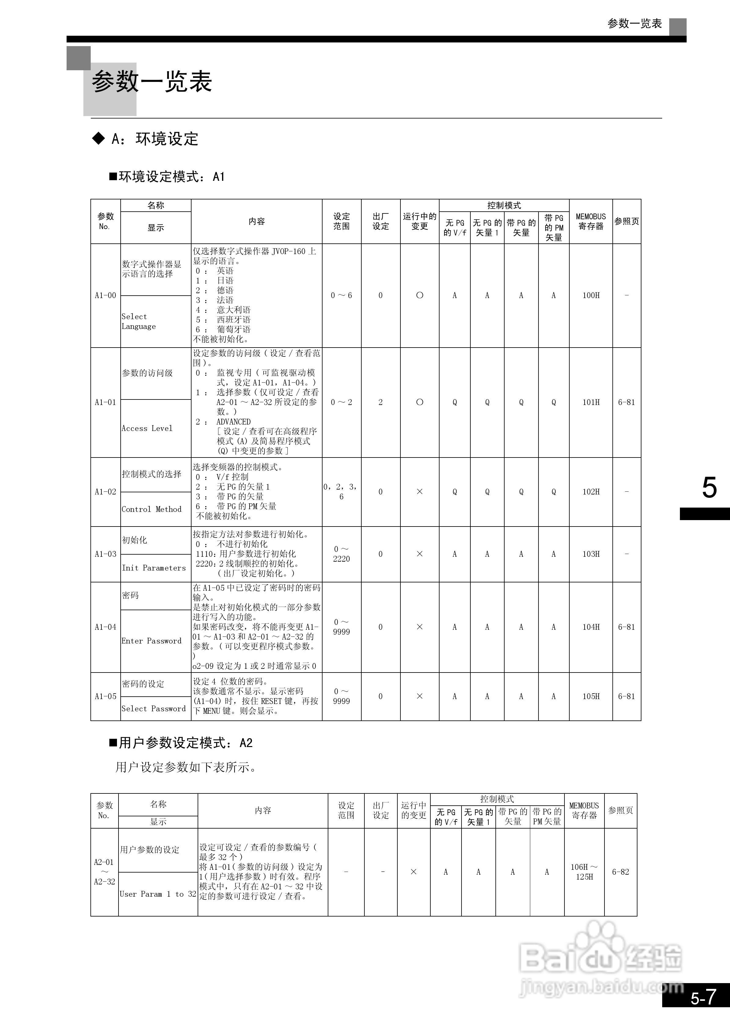
安川CIMR-L7B4055变频器使用说明书:[11]
2026-04-26 00:05:13
本篇为《安川CIMR-L7B4055变频器使用说明书》,主要介绍该产品的使用方法以及常见故障解决方案。
(共篇)
上一篇:
|
下一篇:
声明:
本网站引用、摘录或转载内容仅供网站访问者交流或参考,不代表本站立场,如存在版权或非法内容,请联系站长删除,联系邮箱:site.kefu@qq.com。
相关推荐
安川CIMR-L7B4055变频器使用说明书:[1]
阅读量:85
安川CIMR-L7B4055变频器使用说明书:[30]
阅读量:20
使用说明书wf2651使用指南
阅读量:63
使用说明书封面怎么做
阅读量:139
安川CIMR-L7B4055变频器使用说明书:[27]
阅读量:151
猜你喜欢
华北电力大学科技学院怎么样
书怎么画图片
抬头纹很重怎么办
脚趾甲变厚怎么治
man是什么意思
宝骏730油耗怎么样
专科如何升本科
微笑让生活更美好作文
健康生活
论文引用文献如何标注
猜你喜欢
生活小故事
title是什么意思
如何缓解眼睛疲劳
怎么查看电脑硬件配置
长城汽车待遇怎么样
剑灵邪魔铃怎么获得
如何判断生男生女
如何做外贸生意
整洁的反义词是什么
组织生活会发言材料