指南生活
首页
美食营养
手工爱好
生活家居
返回
指南生活
首页
美食营养
游戏数码
手工爱好
生活家居
健康养生
运动户外
职场理财
情感交际
母婴教育
时尚美容
知识问答
生活知识
生活百科
搜索
Wellon(威龙)VP-ISP1编程器使用说明书:[5]
2026-05-13 12:27:26
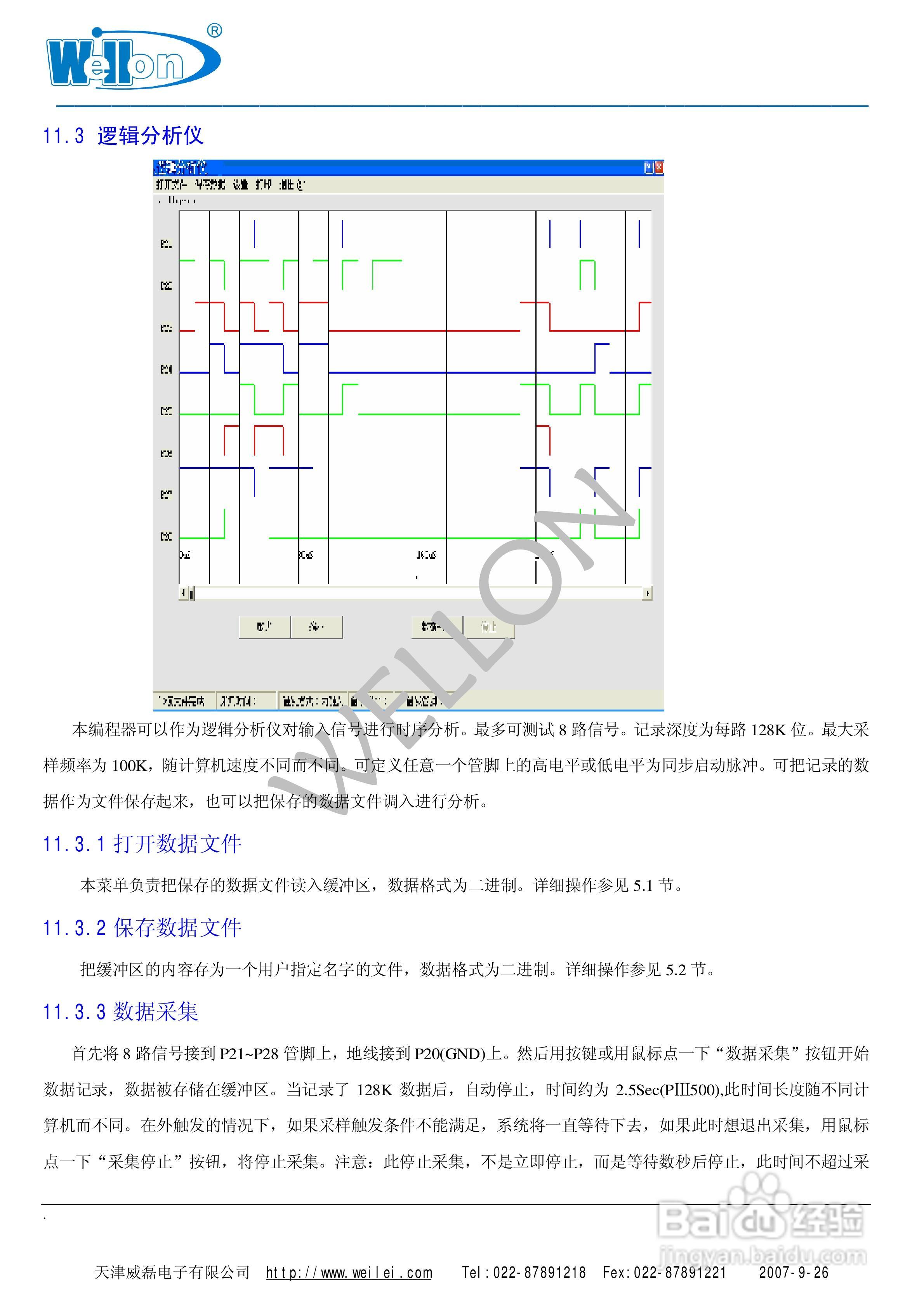
本篇为《Wellon(威龙)VP-ISP1编程器使用说明书》,主要介绍该产品的使用方法以及常见故障解决方案。
(共篇)
上一篇:
声明:
本网站引用、摘录或转载内容仅供网站访问者交流或参考,不代表本站立场,如存在版权或非法内容,请联系站长删除,联系邮箱:site.kefu@qq.com。
相关推荐
Wellon(威龙)VP-ISP1编程器使用说明书:[1]
阅读量:136
Wellon(威龙)VP-ISP1编程器使用说明书:[3]
阅读量:52
Wellon(威龙)VP-480编程器使用说明书:[5]
阅读量:108
Wellon(威龙)VP-480编程器使用说明书:[1]
阅读量:48
Wellon(威龙)VP-190编程器使用说明书:[1]
阅读量:40
猜你喜欢
债转股是什么意思
分机号是什么
三牛念什么
什么解酒
全开麦是什么意思
眼花缭乱是什么意思
cucci是什么牌子
put是什么意思
&是什么意思
coat是什么意思
猜你喜欢
隔离霜有什么作用
一个立一个羽念什么
11月22日是什么星座
offer是什么意思
什么烟好抽
relax是什么意思
3cr13是什么材料
乳环是什么
什么药膏能让疣体脱落
来日方长什么意思