指南生活
首页
美食营养
手工爱好
生活家居
返回
指南生活
首页
美食营养
游戏数码
手工爱好
生活家居
健康养生
运动户外
职场理财
情感交际
母婴教育
时尚美容
知识问答
生活知识
搜索
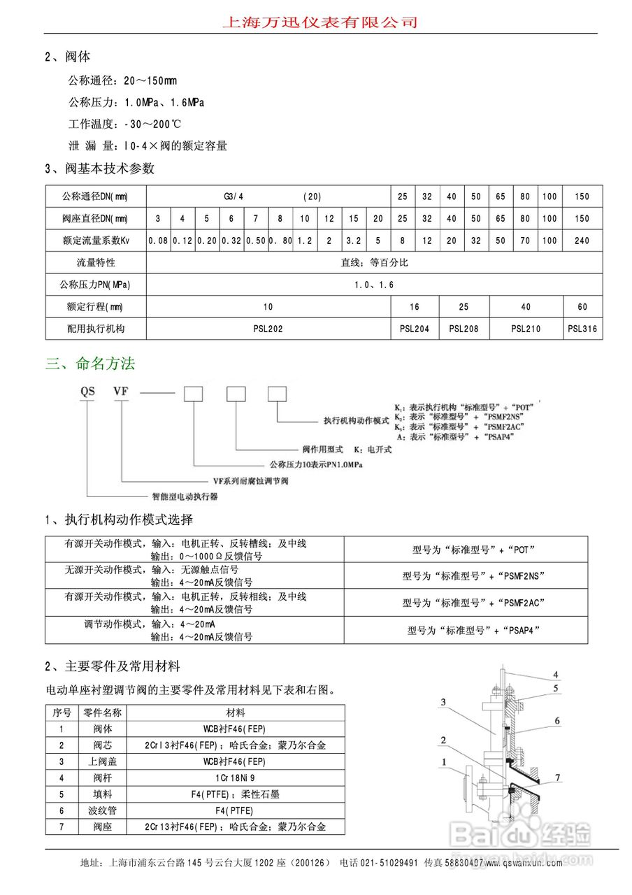
QSTP系列智能电动引进单座调节阀说明书:[3]
2025-12-18 14:14:27
本篇为《QSTP系列智能电动引进单座调节阀说明书》,主要介绍该产品的使用方法以及常见故障解决方案。
(共篇)
上一篇:
|
下一篇:
声明:
本网站引用、摘录或转载内容仅供网站访问者交流或参考,不代表本站立场,如存在版权或非法内容,请联系站长删除,联系邮箱:site.kefu@qq.com。
相关推荐
QSTP系列智能电动引进单座调节阀说明书:[2]
阅读量:96
调节阀类型及选型
阅读量:40
QSTP系列智能电动引进单座调节阀说明书:[4]
阅读量:60
QSTP系列智能电动引进单座调节阀说明书:[1]
阅读量:40
调节阀基本知识
阅读量:125
猜你喜欢
手机otg功能是什么
转让费是什么意思
sweater是什么意思
对冲是什么意思
薛定谔的猫什么意思
轻诺必寡信什么意思
待产包需要准备什么
摩托车加什么油
亡者归来的真相是什么
佚名是什么意思
猜你喜欢
代表什么
ping是什么意思
人丝是什么面料
pahs是什么意思
e是什么意思
摩羯座和什么座最配
入盆是什么感觉
cute什么意思
冰箱结冰是什么原因
马甲线是什么