指南生活
首页
美食营养
手工爱好
生活家居
返回
指南生活
首页
美食营养
游戏数码
手工爱好
生活家居
健康养生
运动户外
职场理财
情感交际
母婴教育
时尚美容
知识问答
生活知识
生活百科
搜索
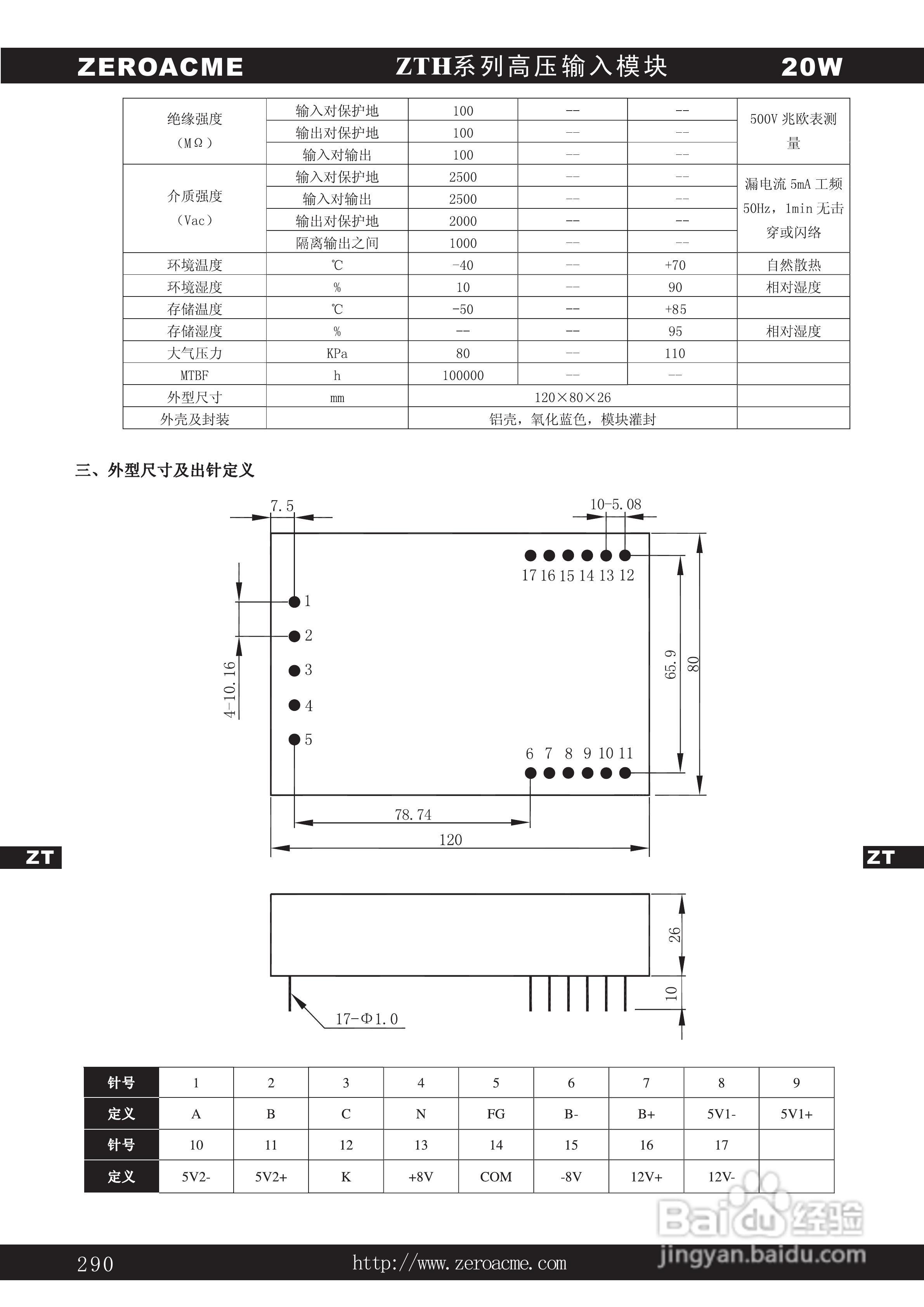
中盛科技ZT系列多路输出模块电源产品说明书:[7]
2026-04-30 05:01:20
本篇为《中盛科技ZT系列多路输出模块电源产品说明书》,主要介绍该产品的使用方法以及常见故障解决方案。
(共篇)
上一篇:
声明:
本网站引用、摘录或转载内容仅供网站访问者交流或参考,不代表本站立场,如存在版权或非法内容,请联系站长删除,联系邮箱:site.kefu@qq.com。
相关推荐
中盛科技ZT系列多路输出模块电源产品说明书:[6]
阅读量:28
中盛科技ZT系列多路输出模块电源产品说明书:[5]
阅读量:68
中盛科技ZBC系列电池充电模块电源产品手册:[4]
阅读量:116
中盛科技ZBC系列电池充电模块电源产品手册:[1]
阅读量:32
中盛科技ZAH系列三相输入模块电源产品说明书:[1]
阅读量:141
猜你喜欢
保险柜打不开怎么办
白内障怎么治
怎么看mac地址
琉璃神社怎么下载
脸部皮肤粗糙怎么办
豆腐乳怎么做
比亚迪s7油耗怎么样
澳门城市大学怎么样
柏氏护肤品怎么样
淋巴结节怎么消除
猜你喜欢
简历计算机水平怎么写
麦粒肿怎么治疗好得快
左胸口疼是怎么回事
信用卡到期了怎么办
弓形虫怎么传染
抽筋是怎么回事
淘宝打不开怎么回事
常春藤怎么养
芭妮兰卸妆膏怎么用
黄菊是怎么死的