指南生活
首页
美食营养
手工爱好
生活家居
返回
指南生活
首页
美食营养
游戏数码
手工爱好
生活家居
健康养生
运动户外
职场理财
情感交际
母婴教育
时尚美容
知识问答
生活知识
生活百科
搜索
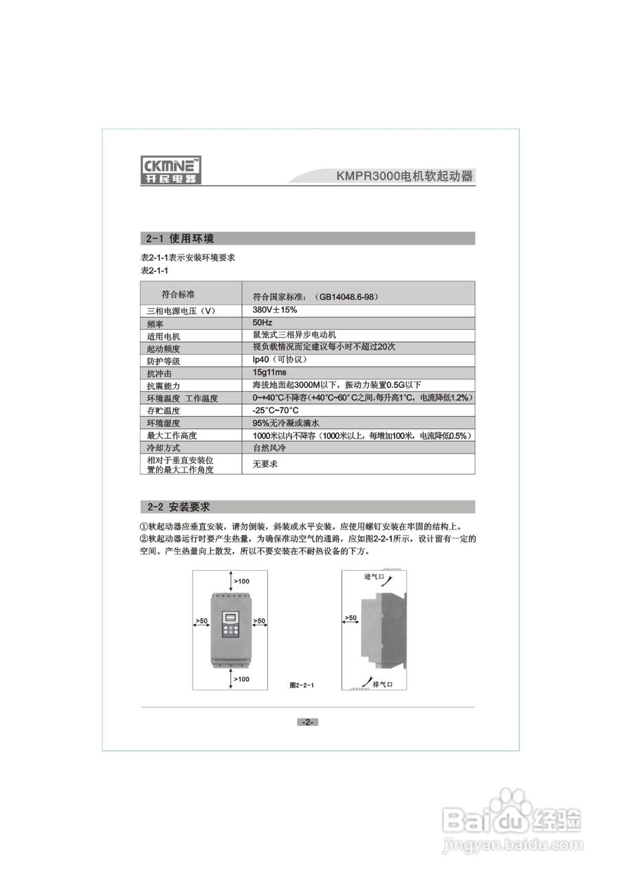
KMPR3软启动器说明书:[1]
2026-05-09 11:22:14
本篇为《KMPR3软启动器说明书》,主要介绍该产品的使用方法以及常见故障解决方案。
(共篇)
下一篇:
声明:
本网站引用、摘录或转载内容仅供网站访问者交流或参考,不代表本站立场,如存在版权或非法内容,请联系站长删除,联系邮箱:site.kefu@qq.com。
相关推荐
马努·吉诺比利:一个被低估的超级巨星
阅读量:69
双拼域名有哪些优势
阅读量:172
对付“火爆”老公有妙招
阅读量:110
少年三国志2如何领取体力
阅读量:110
微信群如何生成二维码(图文并茂)
阅读量:110
猜你喜欢
负荆请罪什么意思
侧柏叶的功效与作用
石斛的作用与功效
英联邦运动会
护发素的作用
华为mate9什么时候上市
八宝茶的功效与作用
什么是gis
阿胶的功效与作用
摩根石的功效与作用
猜你喜欢
建筑知识
生蚝的功效与作用
跳蛋是干什么用的
皮肤黑穿什么颜色好看
固化剂的作用
知识
桑葚酒的功效与作用
nba常规赛什么时候开始
桂圆的功效与作用
头孢的作用和主治