指南生活
首页
美食营养
手工爱好
生活家居
返回
指南生活
首页
美食营养
游戏数码
手工爱好
生活家居
健康养生
运动户外
职场理财
情感交际
母婴教育
时尚美容
知识问答
生活知识
生活百科
搜索
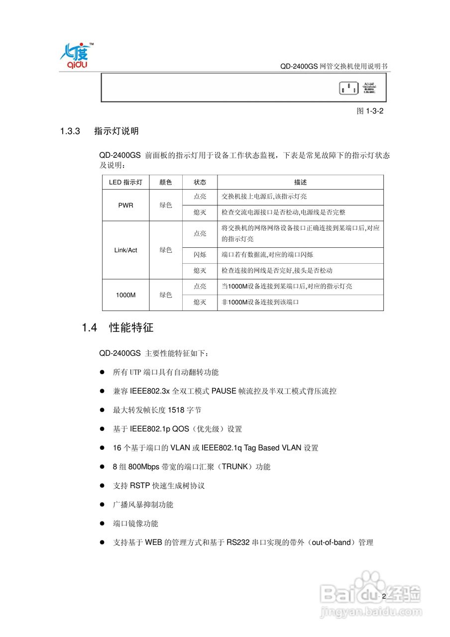
QD-2400GS网管交换机使用说明书:[1]
2026-04-23 04:32:12
本篇为《QD-2400GS网管交换机使用说明书》,主要介绍该产品的使用方法以及常见故障解决方案。
(共篇)
下一篇:
声明:
本网站引用、摘录或转载内容仅供网站访问者交流或参考,不代表本站立场,如存在版权或非法内容,请联系站长删除,联系邮箱:site.kefu@qq.com。
相关推荐
QD-2400GS网管交换机使用说明书:[2]
阅读量:113
QD-7324GS网管交换机使用说明书:[3]
阅读量:145
QD-100型气动标记机使用说明书:[1]
阅读量:113
QD-100型标记机使用说明书
阅读量:181
使用说明书wf2651使用指南
阅读量:180
猜你喜欢
中铁银通卡怎么办理
吸顶灯怎么拆
我的世界雪傀儡怎么做
微信怎么改微信号
本田雅阁怎么样
人人贷怎么样
微信小程序怎么做
父母离婚孩子怎么判
土豆怎么保存不发芽
怎么在淘宝上卖东西
猜你喜欢
安宫牛黄丸怎么吃
唱歌怎么换气
汽车油表怎么看
西安工业大学怎么样
电脑ip地址怎么改
毕业论文摘要怎么写
电影观后感怎么写
手指脱皮是怎么回事
密码箱密码忘了怎么办
晓怎么组词