指南生活
首页
美食营养
手工爱好
生活家居
返回
指南生活
首页
美食营养
游戏数码
手工爱好
生活家居
健康养生
运动户外
职场理财
情感交际
母婴教育
时尚美容
知识问答
生活知识
搜索
微能WIN_9V-500-800T11变频器使用说明书:[8]
2025-12-23 17:38:18
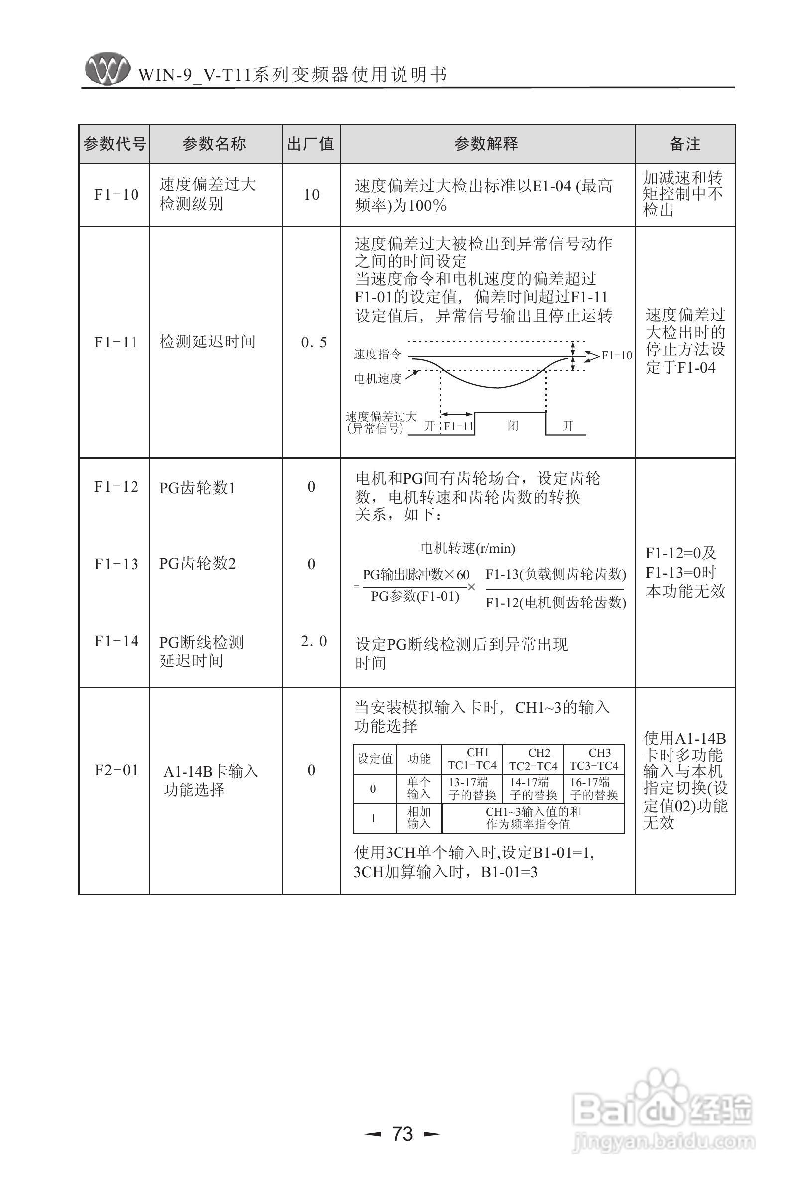
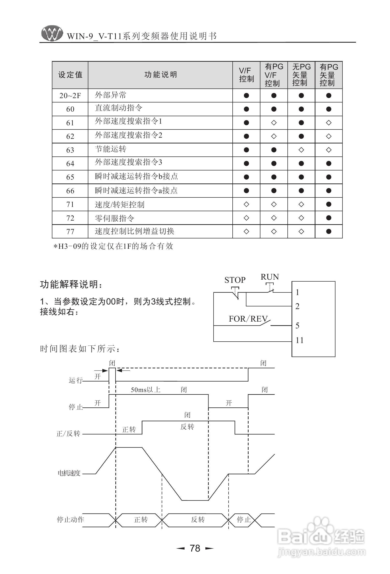
本篇为《微能WIN_9V-500-800T11变频器使用说明书》,主要介绍该产品的使用方法以及常见故障解决方案。
(共篇)
上一篇:
|
下一篇:
声明:
本网站引用、摘录或转载内容仅供网站访问者交流或参考,不代表本站立场,如存在版权或非法内容,请联系站长删除,联系邮箱:site.kefu@qq.com。
相关推荐
微能WIN_9V-500-800T11变频器使用说明书:[9]
阅读量:27
微能WIN_9V-500-800T11变频器使用说明书:[7]
阅读量:174
如何创建500人QQ群
阅读量:185
使用说明书封面怎么做
阅读量:86
使用说明书wf2651使用指南
阅读量:156
猜你喜欢
嘴角烂是什么原因
八万左右买什么车好
因地制宜是什么意思
mango是什么意思
新艺术运动
三点水一个金读什么
担保费计入什么科目
三唑仑是什么
快闪是什么意思
心脏病有什么症状
猜你喜欢
什么是压缩比
什么显卡性价比高
萨德是什么
女人赚钱靠什么
author是什么意思
yue什么意思
酸豆角的腌制方法
什么是喜欢什么是爱
妖机是什么意思
欲罢不能什么意思