指南生活
首页
美食营养
手工爱好
生活家居
返回
指南生活
首页
美食营养
游戏数码
手工爱好
生活家居
健康养生
运动户外
职场理财
情感交际
母婴教育
时尚美容
知识问答
生活知识
生活百科
搜索
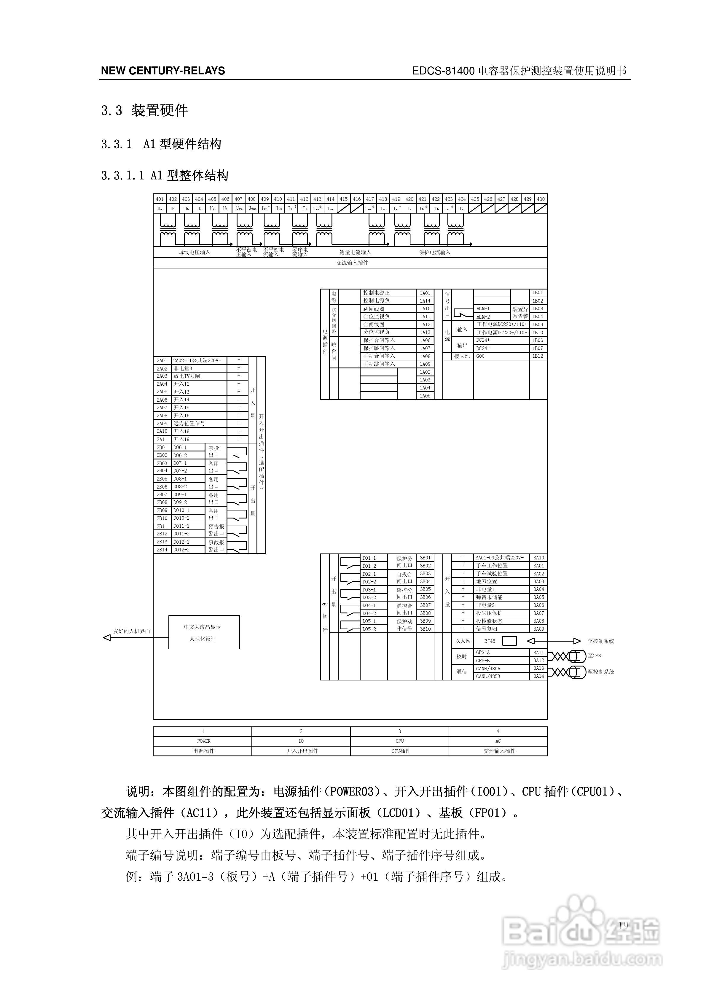
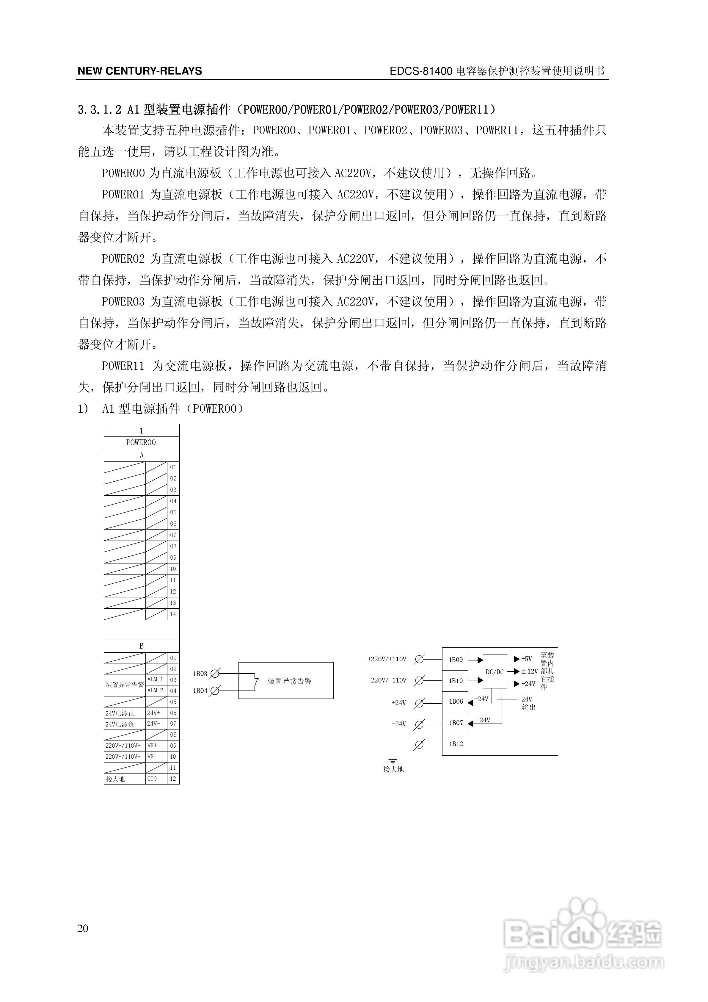
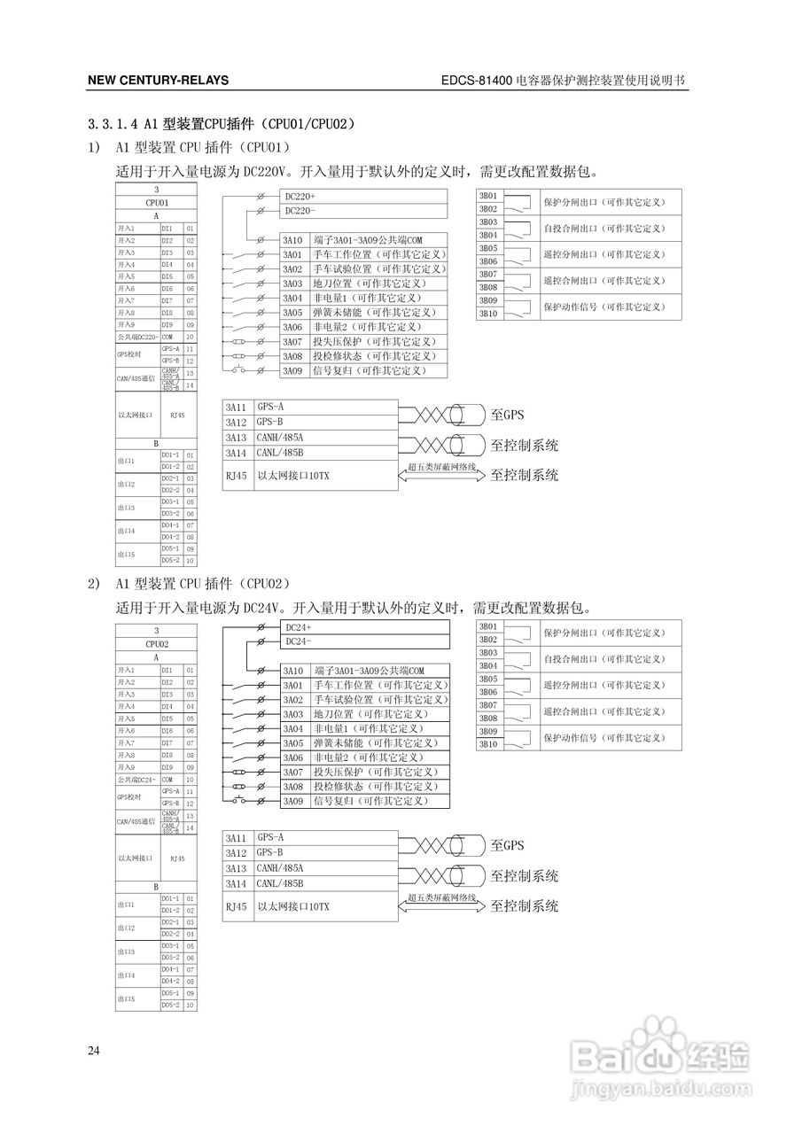
新世纪EDCS-81403电容器保护测控装置说明书:[3]
2026-04-15 19:10:05
本篇为《新世纪EDCS-81403电容器保护测控装置说明书》,主要介绍该产品的使用方法以及常见故障解决方案。
(共篇)
上一篇:
|
下一篇:
声明:
本网站引用、摘录或转载内容仅供网站访问者交流或参考,不代表本站立场,如存在版权或非法内容,请联系站长删除,联系邮箱:site.kefu@qq.com。
相关推荐
Discuz如何进行DIY制作入门
阅读量:27
易语言-数组排序-数组操作
阅读量:82
如何在BAE 3.0上面安装Discuz X3.2
阅读量:136
如何设置discuz论坛的默认文章缩略图
阅读量:168
CNZZ数据专家统计添加
阅读量:103
猜你喜欢
苹果6s怎么截图
柒怎么读
来例假肚子疼怎么缓解
卤肉饭的做法大全
蔺怎么读
为什么会有白头发
ipad充不进电怎么回事
爱要怎么说出口
头痛怎么办
甫怎么读
猜你喜欢
电脑待机时间怎么设置
荣耀手机怎么样
招商信诺保险怎么样
10万个为什么大全集
面食小吃做法大全
肚脐眼臭是怎么回事
经常放屁是怎么回事
电脑mac地址怎么查
怎么查高考分数
为什么连不上wifi