指南生活
首页
美食营养
手工爱好
生活家居
返回
指南生活
首页
美食营养
游戏数码
手工爱好
生活家居
健康养生
运动户外
职场理财
情感交际
母婴教育
时尚美容
搜索
艾泰交换机HiPER 3310NB型说明书:[4]
2025-10-27 19:14:59
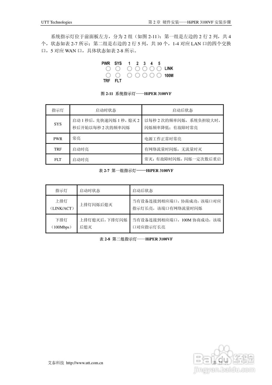
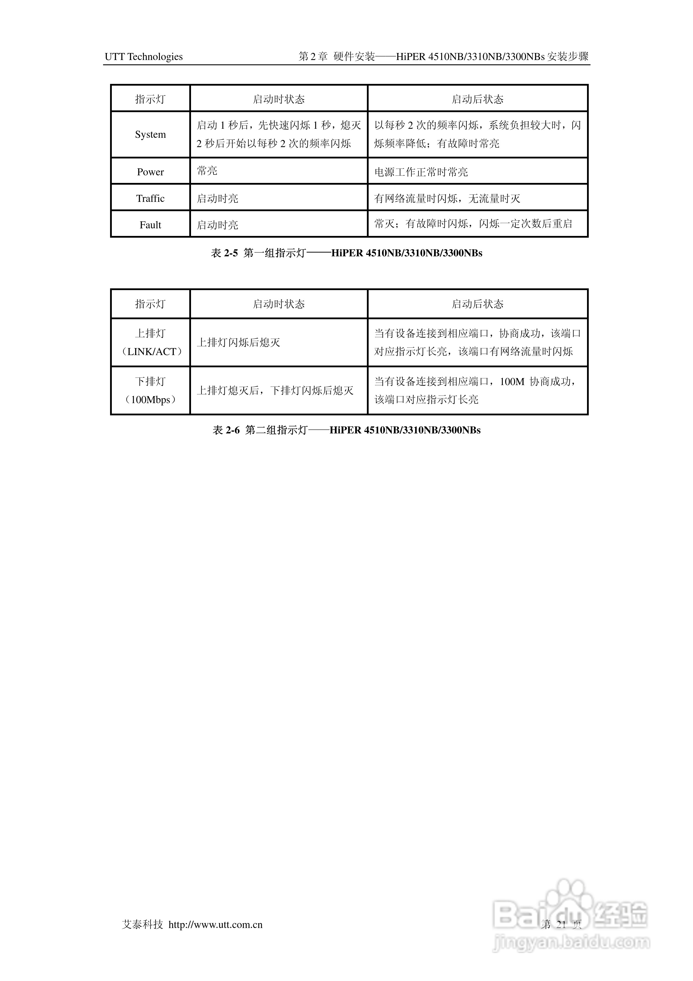
本篇为《艾泰交换机HiPER 3310NB型说明书》,主要介绍该产品的使用方法以及常见故障解决方案。
(共篇)
上一篇:
|
下一篇:
声明:
本网站引用、摘录或转载内容仅供网站访问者交流或参考,不代表本站立场,如存在版权或非法内容,请联系站长删除,联系邮箱:site.kefu@qq.com。
相关推荐
艾泰交换机HiPER 3310NB型说明书:[3]
阅读量:125
艾泰交换机HiPER 3310NB型说明书:[22]
阅读量:52
艾泰交换机HiPER 4240NB型说明书:[9]
阅读量:125
艾泰交换机HiPER 4240NB型说明书:[7]
阅读量:56
交换机怎么使用
阅读量:110
猜你喜欢
immediately是什么意思
运动会广播稿20字
控股关联是什么意思
小腿浮肿是什么病
ppt用什么软件打开
惟妙惟肖什么意思
sofa是什么意思
ips屏幕是什么意思
邑是什么意思
宁静致远什么意思
猜你喜欢
中老年人喝什么奶粉好
seo优化是什么
什么叫质数什么叫合数
九九归一是什么意思
叶酸片有什么作用
御姐是什么
focus什么意思
灯下黑是什么意思
结婚十周年是什么婚
什么是像素