指南生活
首页
美食营养
手工爱好
生活家居
返回
指南生活
首页
美食营养
游戏数码
手工爱好
生活家居
健康养生
运动户外
职场理财
情感交际
母婴教育
时尚美容
知识问答
生活知识
生活百科
搜索
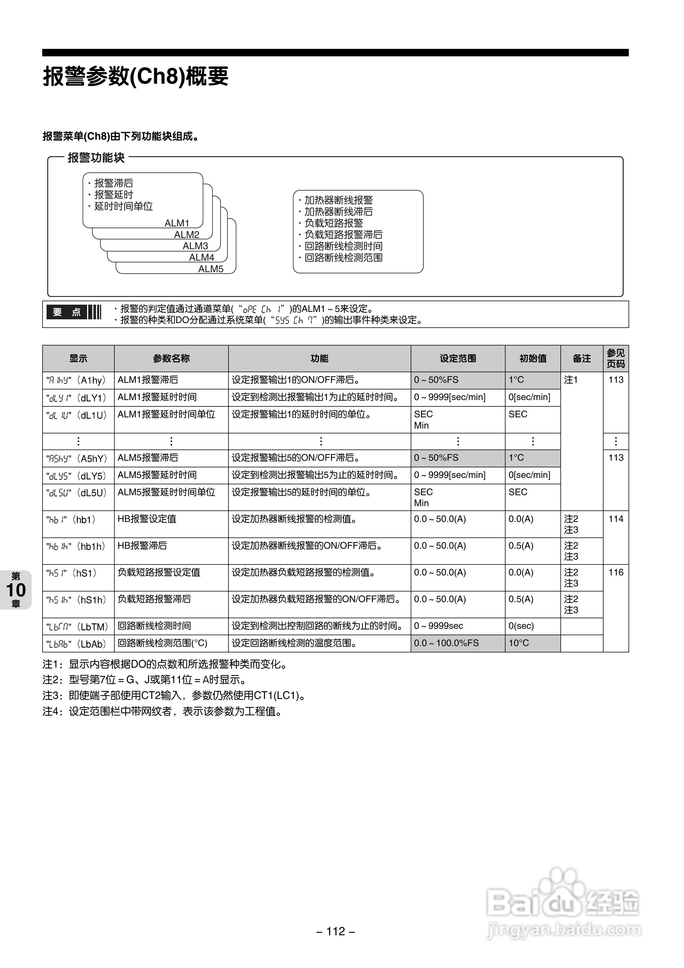
富士电机PXG数字式温度调节器/微型控制器X操作手册:[12]
2026-04-09 21:42:49
本篇为《富士电机PXG数字式温度调节器/微型控制器X操作手册》,主要介绍该产品的使用方法以及常见故障解决方案。
(共篇)
上一篇:
|
下一篇:
声明:
本网站引用、摘录或转载内容仅供网站访问者交流或参考,不代表本站立场,如存在版权或非法内容,请联系站长删除,联系邮箱:site.kefu@qq.com。
相关推荐
富士电机PXG数字式温度调节器/微型控制器X操作手册:[14]
阅读量:64
富士电机PXG数字式温度调节器/微型控制器X操作手册:[16]
阅读量:142
富士PXG 数字式温度调节器操作手册:[12]
阅读量:84
富士PXG 数字式温度调节器操作手册:[13]
阅读量:170
富士PXG 数字式温度调节器操作手册:[5]
阅读量:152
猜你喜欢
小孩不吃饭是什么原因
手关节痛是什么原因
8月14日是什么情人节
吃葡萄有什么好处
ipad有什么用
童年像什么
zero是什么意思
工业增加值是什么意思
美人鱼是什么动物
涤棉是什么面料
猜你喜欢
什么变了作文
plc是什么意思
白鞋子发黄有什么办法变白
farm是什么意思
总成是什么意思
半月板是什么
入珠是什么意思
reason是什么意思
地球属于什么星
felt是什么意思