指南生活
首页
美食营养
手工爱好
生活家居
返回
指南生活
首页
美食营养
游戏数码
手工爱好
生活家居
健康养生
运动户外
职场理财
情感交际
母婴教育
时尚美容
知识问答
生活知识
搜索
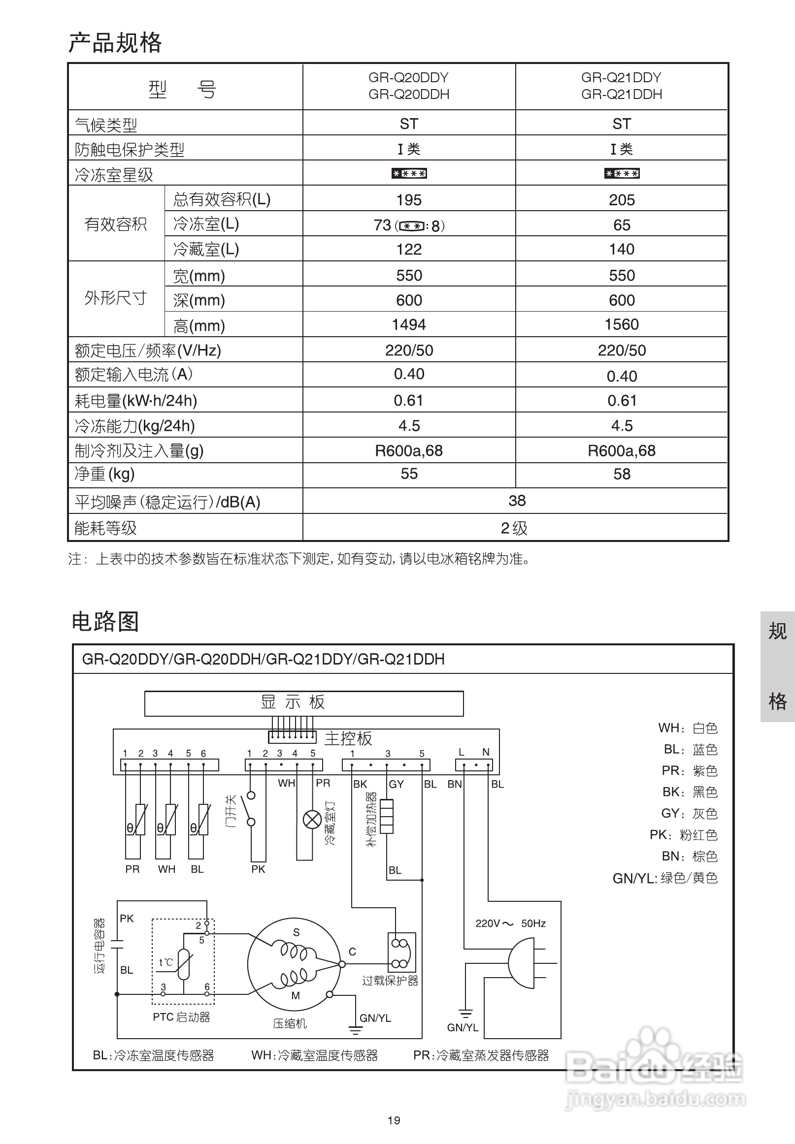
LG GR-Q21DDY电冰箱使用说明书:[3]
2026-01-02 20:09:46
(共篇)
上一篇:
声明:
本网站引用、摘录或转载内容仅供网站访问者交流或参考,不代表本站立场,如存在版权或非法内容,请联系站长删除,联系邮箱:site.kefu@qq.com。
相关推荐
LG GR-Q21DDY电冰箱使用说明书:[2]
阅读量:25
LG GR-S25DDY电冰箱使用说明书:[3]
阅读量:49
LG GR-S25NDP电冰箱使用说明书:[3]
阅读量:49
使用说明书wf2651使用指南
阅读量:106
使用说明书封面怎么做
阅读量:190
猜你喜欢
猪肝怎么炒好吃又嫩
鲍鱼怎么吃
垃圾桶怎么画
抖音直播怎么赚钱
爱要怎么说出口
圩怎么读音
oppo手机怎么分屏
雷神笔记本怎么样
荔枝怎么保存
为什么月经量少
猜你喜欢
为什么不能喝隔夜茶
电脑蓝屏了怎么办修复
逄怎么读
排骨怎么做
尾气检测不合格怎么办
豆腐怎么做好吃又简单
金枝玉叶怎么养
心情压抑怎么办
迷你世界飞机怎么做
简单点心的做法大全