指南生活
首页
美食营养
手工爱好
生活家居
返回
指南生活
首页
美食营养
游戏数码
手工爱好
生活家居
健康养生
运动户外
职场理财
情感交际
母婴教育
时尚美容
知识问答
生活知识
搜索
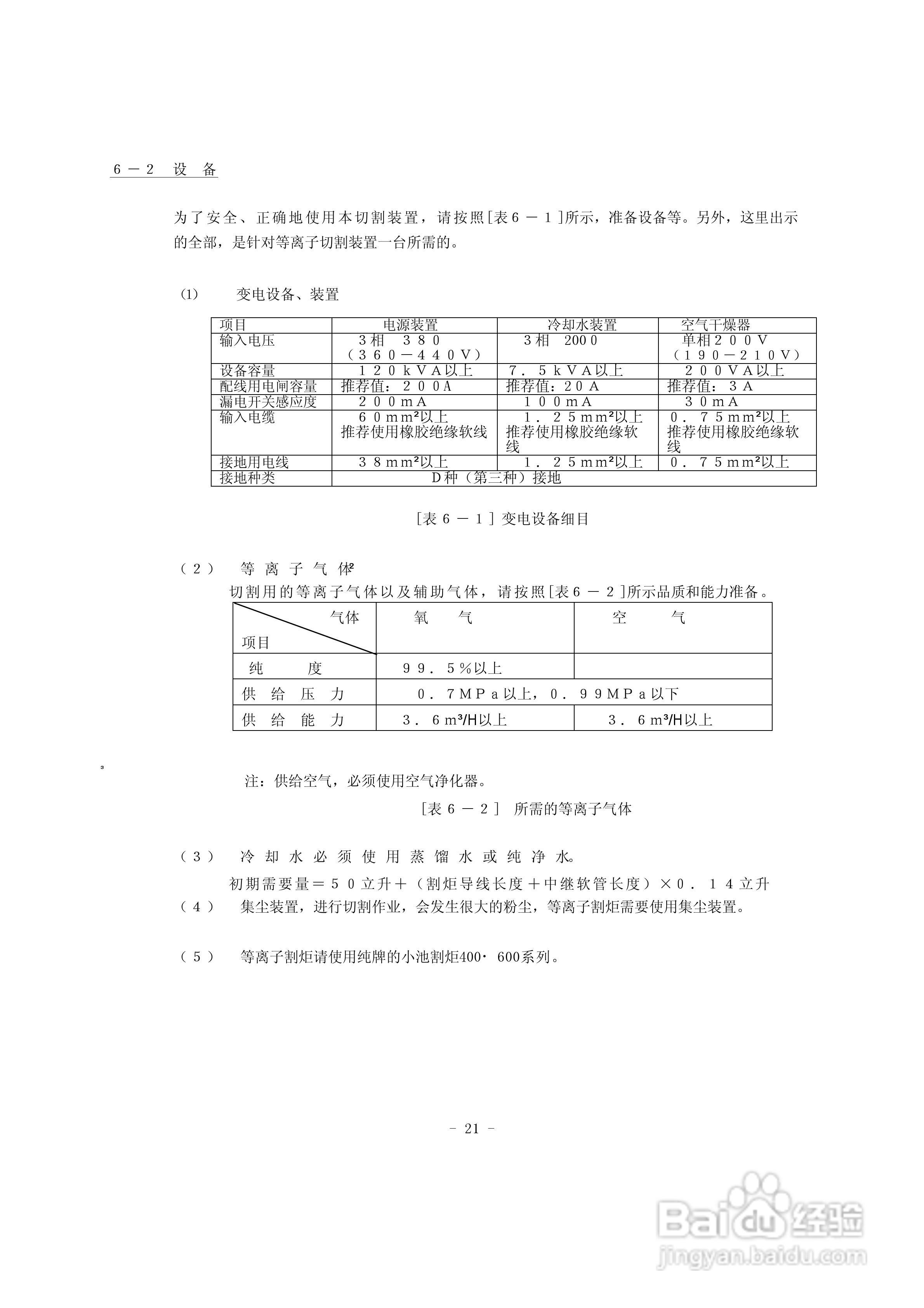
super-400等离子电源说明书:[3]
2026-01-28 00:09:16
本篇为《super-400等离子电源说明书》,主要介绍该产品的使用方法以及常见故障解决方案。
(共篇)
上一篇:
|
下一篇:
声明:
本网站引用、摘录或转载内容仅供网站访问者交流或参考,不代表本站立场,如存在版权或非法内容,请联系站长删除,联系邮箱:site.kefu@qq.com。
相关推荐
等离子清洗机使用方法
阅读量:157
等离子清洗机的作用
阅读量:185
等离子除臭设备的工艺方法
阅读量:187
等离子体的介绍与作用
阅读量:127
SuperSDK交互原理
阅读量:122
猜你喜欢
哪里造句
手机忘记解锁图案怎么办
word箭头怎么打
6月份适合去哪里旅游
鄂f是哪里的车牌
耳朵红热是怎么回事
去厦门旅游要多少钱
旅游发朋友圈的精美句子
翼状胬肉怎么治疗
双龙汽车怎么样
猜你喜欢
羊绒围巾怎么清洗
大连圣亚旅游控股股份有限公司
手机缓存的视频在哪里
河南的旅游景点
往返机票怎么订
如何增肥
台式机怎么装系统
4g路由器
烫伤如何处理
笔记本触摸板怎么设置