指南生活
首页
美食营养
手工爱好
生活家居
返回
指南生活
首页
美食营养
游戏数码
手工爱好
生活家居
健康养生
运动户外
职场理财
情感交际
母婴教育
时尚美容
知识问答
生活知识
搜索
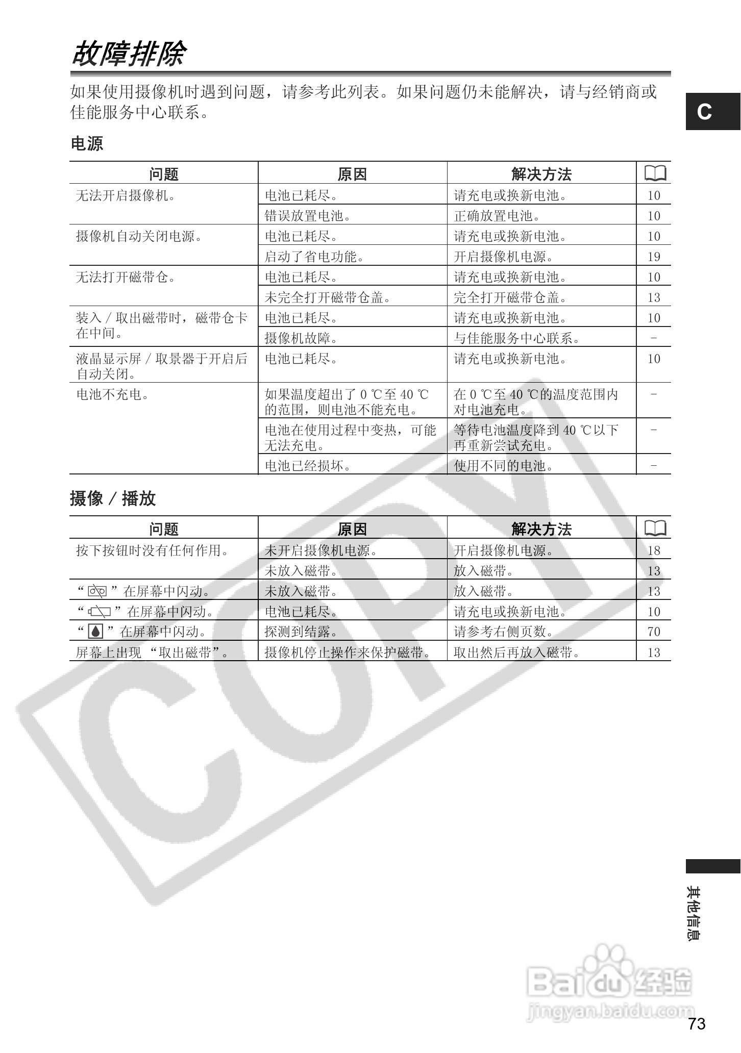
佳能MV900数码摄像机使用说明书:[8]
2025-12-22 02:53:57
本篇为《佳能MV900数码摄像机使用说明书》,主要介绍该产品的使用方法以及常见故障解决方案。
(共篇)
上一篇:
|
下一篇:
声明:
本网站引用、摘录或转载内容仅供网站访问者交流或参考,不代表本站立场,如存在版权或非法内容,请联系站长删除,联系邮箱:site.kefu@qq.com。
相关推荐
佳能MV900数码摄像机使用说明书:[9]
阅读量:104
佳能MV700数码摄像机使用说明书:[8]
阅读量:113
佳能MV5i数码摄像机使用说明书:[8]
阅读量:163
佳能相机5d单机如何使用
阅读量:131
佳能相机怎么传照片到手机
阅读量:185
猜你喜欢
语文小知识
牛奶什么时间喝最好
落寞什么意思
孕妇知识
青瓜的功效与作用
柠檬水什么时候喝
藤茶的功效与作用
杏仁的功效与作用
乒乓球运动员排名
马齿苋的功效与作用及食用方法
猜你喜欢
精液的作用
领结婚证需要什么证件
my heart will go on什么意思
emperor什么意思
藏茵陈的功效与作用
什么是ems
合肥有什么好吃的
内增高运动鞋
加味逍遥丸的功效与作用
蜂蜜水的功效与作用