指南生活
首页
美食营养
手工爱好
生活家居
返回
指南生活
首页
美食营养
游戏数码
手工爱好
生活家居
健康养生
运动户外
职场理财
情感交际
母婴教育
时尚美容
知识问答
生活知识
生活百科
搜索
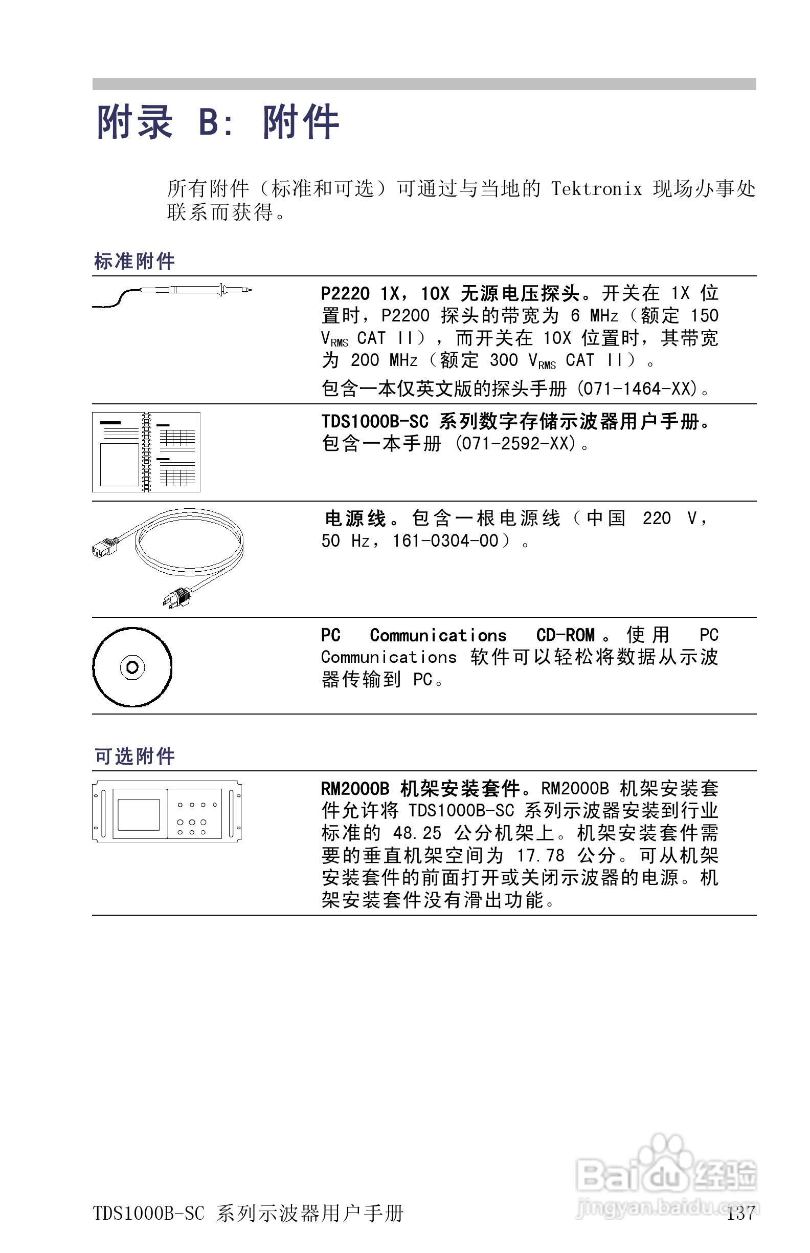
TDS1012B-SC彩屏全中文便携式数字示波器说明书:[17]
2026-03-28 06:46:02
本篇为《TDS1012B-SC彩屏全中文便携式数字示波器说明书》,主要介绍该产品的使用方法以及常见故障解决方案。
(共篇)
上一篇:
|
下一篇:
声明:
本网站引用、摘录或转载内容仅供网站访问者交流或参考,不代表本站立场,如存在版权或非法内容,请联系站长删除,联系邮箱:site.kefu@qq.com。
相关推荐
TDS1012B-SC彩屏全中文便携式数字示波器说明书:[13]
阅读量:29
数字示波器使用方法
阅读量:137
数字示波器常用的13个技术用语
阅读量:71
数字示波器使用中常见问题
阅读量:40
TDS1012B-SC彩屏全中文便携式数字示波器说明书:[14]
阅读量:133
猜你喜欢
国防生是什么意思
什么水果养胃
送长辈什么礼物好
彼此是什么意思
什么头什么尾
口臭是什么原因引起的
hkd是什么货币
回族的传统节日是什么
na是什么意思
涟漪是什么意思
猜你喜欢
11月8日是什么星座
麒麟臂是什么意思
weather是什么意思
胰岛素是什么
黑洞是什么
籼米是什么米
三观是什么
超敏c反应蛋白偏高是什么原因
殖民地是什么意思
2月3日是什么星座