指南生活
首页
美食营养
手工爱好
生活家居
返回
指南生活
首页
美食营养
游戏数码
手工爱好
生活家居
健康养生
运动户外
职场理财
情感交际
母婴教育
时尚美容
知识问答
生活知识
生活百科
搜索
欧姆龙(OMRON)3G3XV-A4037-EV2变频器说明书:[2]
2026-05-13 06:19:14
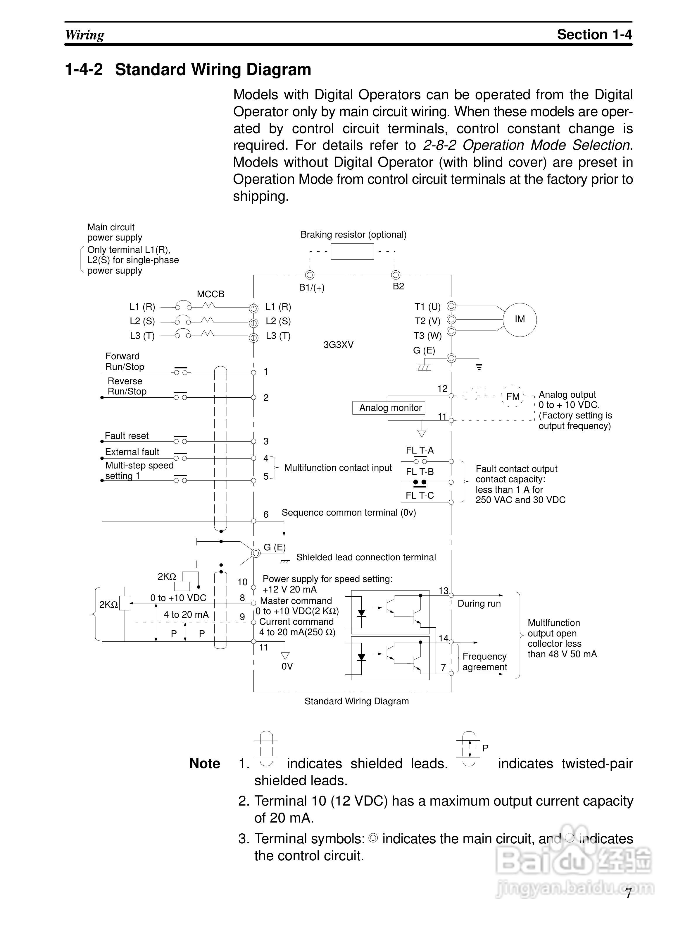
本篇为《欧姆龙(OMRON)3G3XV-A4037-EV2变频器说明书》,主要介绍该产品的使用方法以及常见故障解决方案。
(共篇)
上一篇:
|
下一篇:
声明:
本网站引用、摘录或转载内容仅供网站访问者交流或参考,不代表本站立场,如存在版权或非法内容,请联系站长删除,联系邮箱:site.kefu@qq.com。
相关推荐
松下Mknas系列AC伺服驱动器说明书:[1]
阅读量:128
液压摆式剪板机的三种工作方式
阅读量:187
电动闭门器装置及电动闭门器的应用要求!
阅读量:76
数字2016的8,16进制怎么写?
阅读量:98
我们如何关闭微信的游戏功能入口
阅读量:90
猜你喜欢
score是什么意思
xd股票是什么意思
2k屏幕是什么意思
恍如隔世的意思
寸草不生的意思
墨迹是什么意思
尊重的意思
busy是什么意思
资本溢价是什么意思
凝重的意思
猜你喜欢
吻合的意思
儿童洗发水什么牌子好
mps是什么意思
海纳百川是什么意思
three是什么意思
什么是团队协作
什么叫平面图
过门石有什么讲究
望洞庭古诗的意思
分销商是什么意思