指南生活
首页
美食营养
手工爱好
生活家居
返回
指南生活
首页
美食营养
游戏数码
手工爱好
生活家居
健康养生
运动户外
职场理财
情感交际
母婴教育
时尚美容
知识问答
生活知识
生活百科
搜索
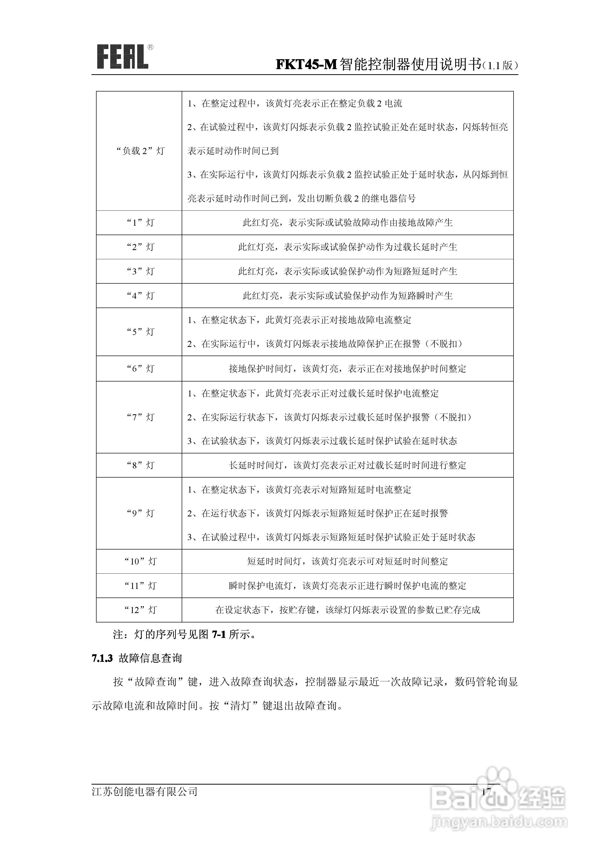
FKT45-M智能控制器使用说明书:[2]
2026-04-10 04:48:59
本篇为《FKT45-M智能控制器使用说明书》,主要介绍该产品的使用方法以及常见故障解决方案。
(共篇)
上一篇:
|
下一篇:
声明:
本网站引用、摘录或转载内容仅供网站访问者交流或参考,不代表本站立场,如存在版权或非法内容,请联系站长删除,联系邮箱:site.kefu@qq.com。
相关推荐
汽车方向盘锁了怎么开锁
阅读量:172
色姐构图小课堂:[5]三分法点的应用
阅读量:188
科唛CVM-WS60无线麦克风安装说明以及注意事项
阅读量:57
如何设置必需要域控制器身份验证以解除锁定
阅读量:87
酒吧低音炮噪音装修治理方法
阅读量:168
猜你喜欢
干锅鸭头的做法
酸菜鱼做法
菠菜怎么做好吃
雪蛤的做法
紫米粥的做法
红烧肉的做法窍门
芜怎么读音
卜姓怎么读
逯怎么读
凉拌木耳洋葱的做法
猜你喜欢
ipad密码忘记了怎么办
米糊的做法大全
酸菜肉丝面的做法
焦虑症怎么能治好
牙龈萎缩怎么恢复
核桃仁的做法
煎饼果子薄脆的做法
白木耳的做法大全
嵊怎么读
炖肘子的家常做法