指南生活
首页
美食营养
手工爱好
生活家居
返回
指南生活
首页
美食营养
游戏数码
手工爱好
生活家居
健康养生
运动户外
职场理财
情感交际
母婴教育
时尚美容
知识问答
生活知识
搜索
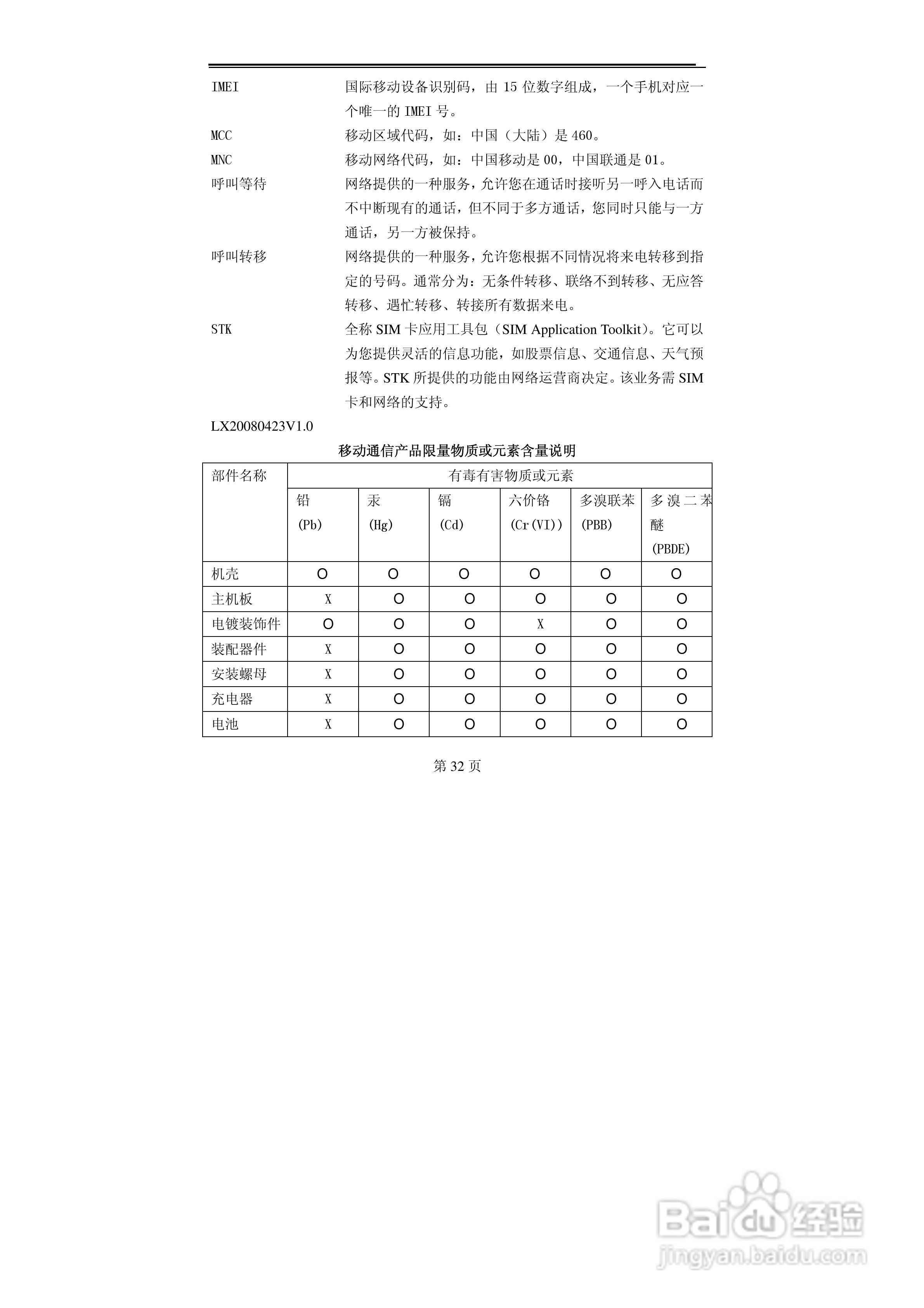
赛洛特CELLUTEL99型手机说明书:[4]
2025-12-27 16:45:54
(共篇)
上一篇:
声明:
本网站引用、摘录或转载内容仅供网站访问者交流或参考,不代表本站立场,如存在版权或非法内容,请联系站长删除,联系邮箱:site.kefu@qq.com。
相关推荐
赛洛特CELLUTEL9型手机说明书:[4]
阅读量:113
赛洛特CELLUTEL9型手机说明书:[1]
阅读量:146
手机怎么给视频添加音乐的三种方法
阅读量:78
赛洛特CELLUTEL9型手机说明书:[2]
阅读量:147
赛洛特CELLUTEL9型手机说明书:[3]
阅读量:187
猜你喜欢
warm是什么意思
极目远眺的意思
什么时间最容易怀孕
什么人没有头
stem课程是什么意思
兮是什么意思
中央空调什么品牌好
gprs是什么意思
coke是什么意思
ted是什么意思
猜你喜欢
飘洒的秋雨像什么
cancel是什么意思中文
梦见血是什么意思
beside是什么意思
惆怅是什么意思
海藻酸钠的作用
紫药水的作用
直男是什么意思啊
麦冬功效与作用
领略的意思