指南生活
首页
美食营养
手工爱好
生活家居
返回
指南生活
首页
美食营养
游戏数码
手工爱好
生活家居
健康养生
运动户外
职场理财
情感交际
母婴教育
时尚美容
知识问答
生活知识
搜索
实达BP-1650K打印机使用手册:[5]
2025-12-16 21:34:50
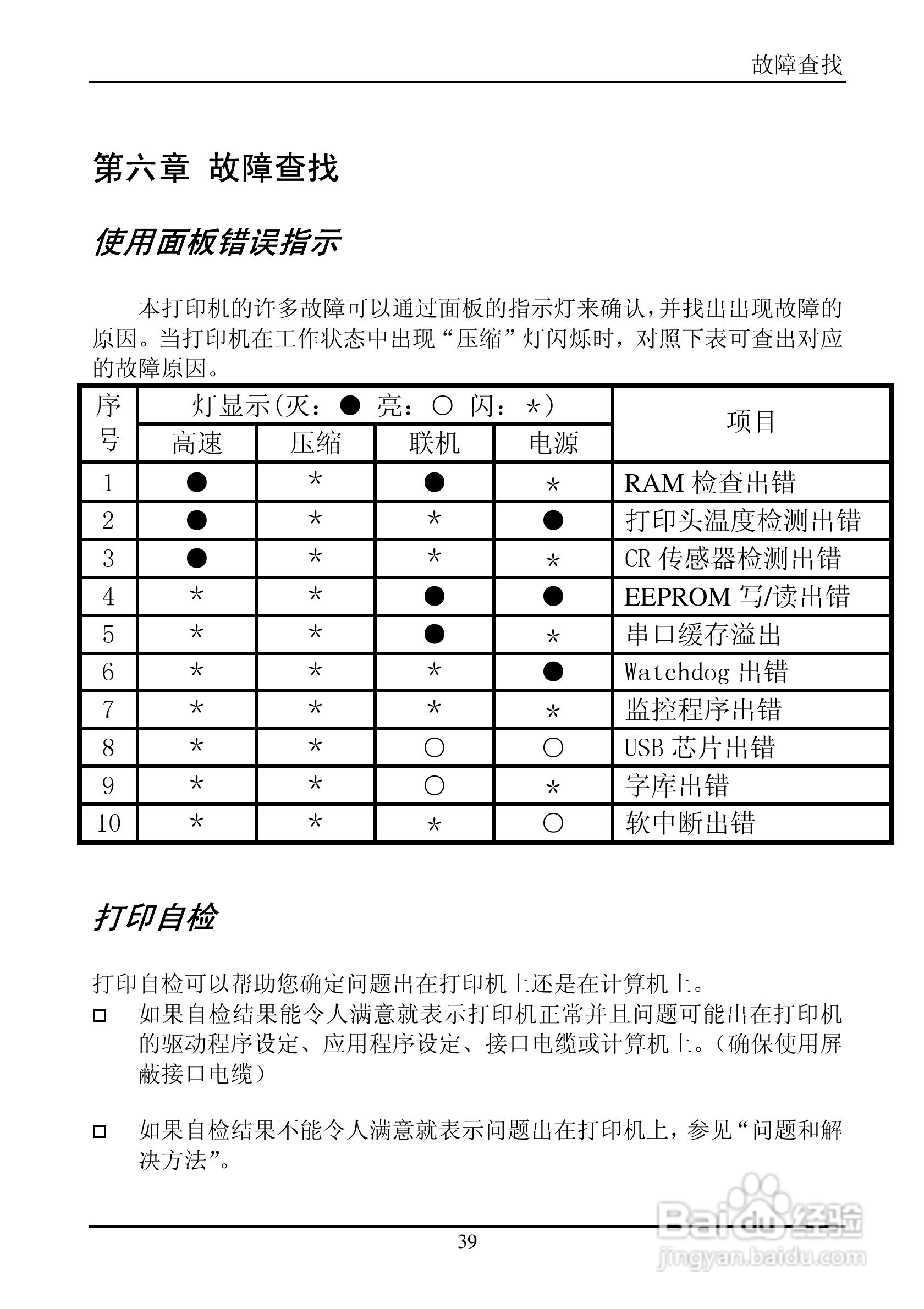
本篇为《实达BP-1650K打印机使用手册》,主要介绍该产品的使用方法以及常见故障解决方案。
(共篇)
上一篇:
|
下一篇:
声明:
本网站引用、摘录或转载内容仅供网站访问者交流或参考,不代表本站立场,如存在版权或非法内容,请联系站长删除,联系邮箱:site.kefu@qq.com。
相关推荐
实达BP-650K打印机使用说明书:[5]
阅读量:161
实达BP-1650K打印机使用手册:[6]
阅读量:137
实达BP-1650K打印机使用手册:[4]
阅读量:53
实达BP-650K打印机使用说明书:[2]
阅读量:143
打印机驱动程序如何安装
阅读量:171
猜你喜欢
爱放屁是什么原因
苹果5什么时候上市的
什么是生产资料
当你从我眼前慢慢走过是什么歌
什么是中央空调
kb什么意思
跑龙套是什么意思
补录是什么意思
头大脸大适合什么发型
419啥意思是什么
猜你喜欢
孕酮高是什么意思
眼袋重是什么原因造成的
attention什么意思
字母圈是什么
七一是什么节
孜孜不倦是什么意思
南京大屠杀是什么时候
what's up什么意思
抛锚是什么意思
建军节是什么时候