指南生活
首页
美食营养
手工爱好
生活家居
返回
指南生活
首页
美食营养
游戏数码
手工爱好
生活家居
健康养生
运动户外
职场理财
情感交际
母婴教育
时尚美容
知识问答
生活知识
生活百科
搜索
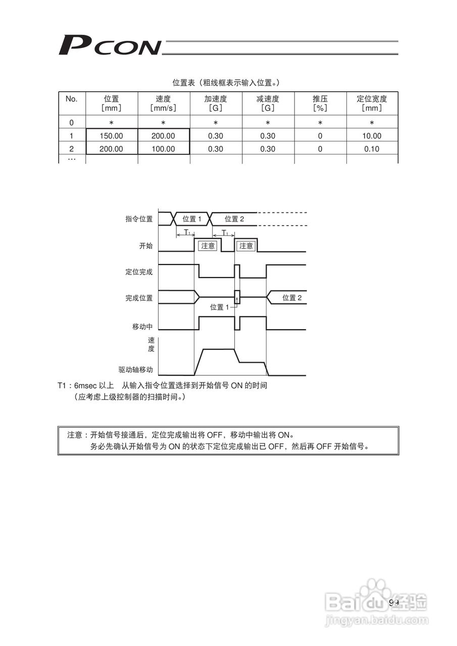
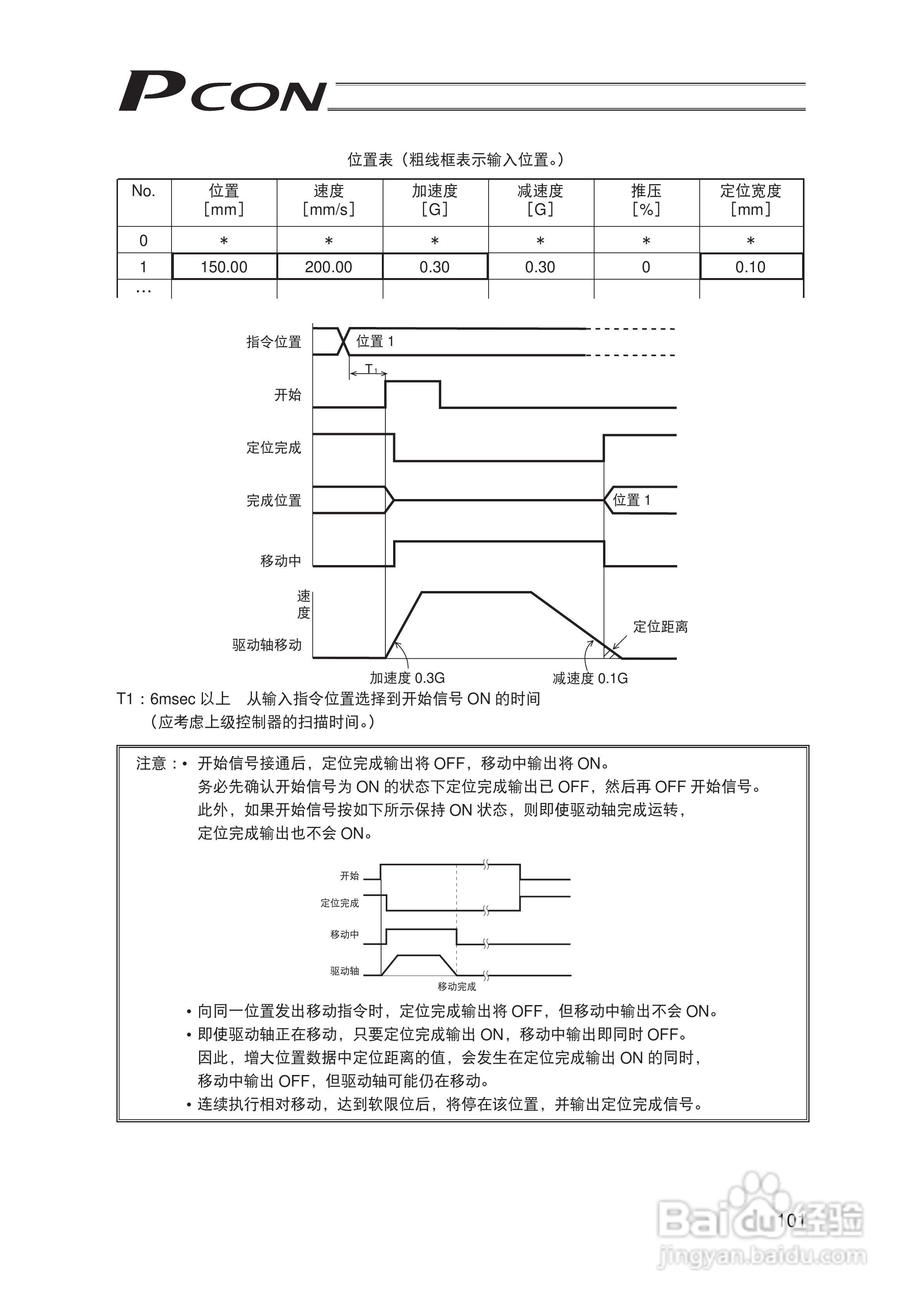
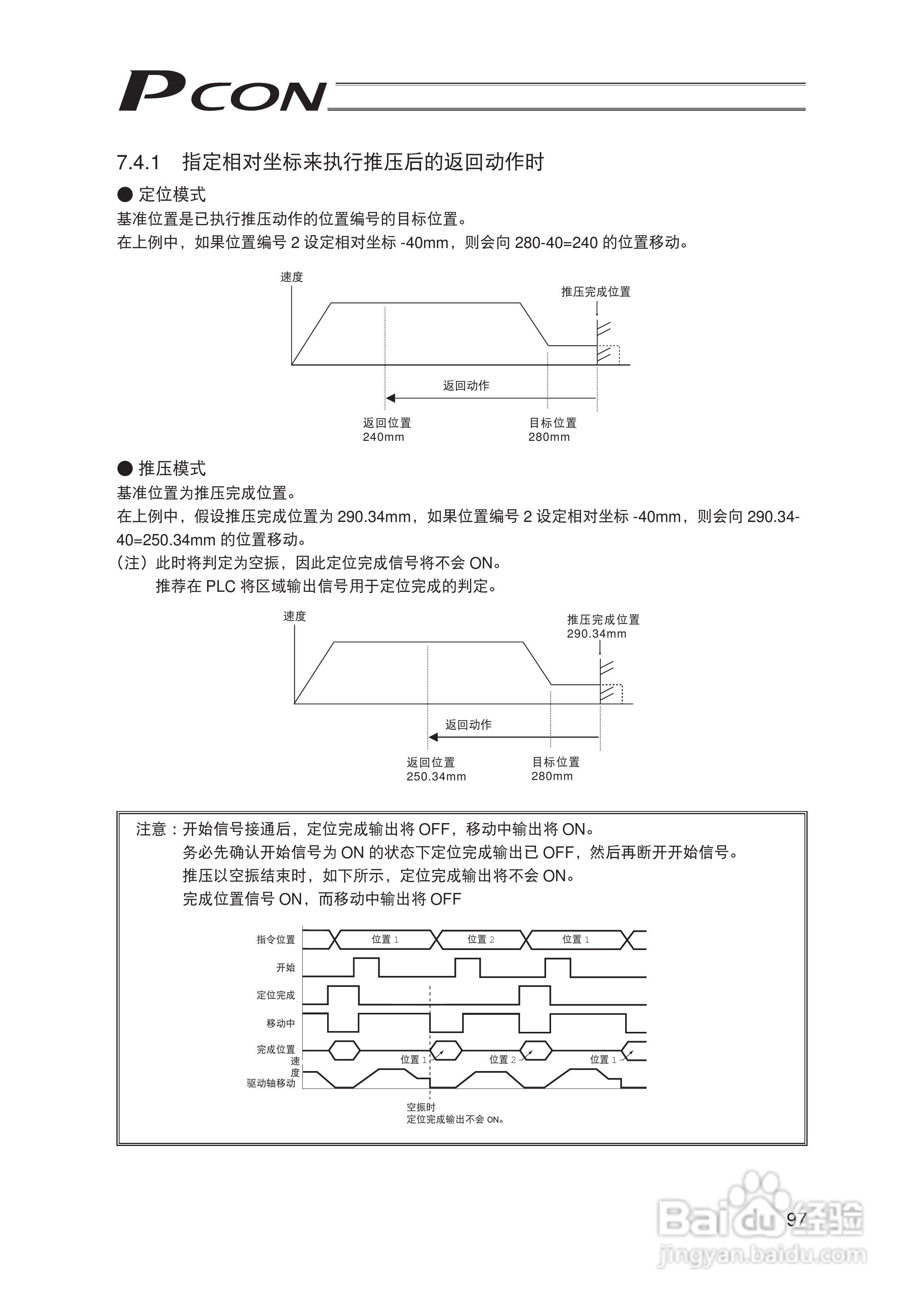
Pcon PCON-C/CG/CF 控制器定位型使用说明书:[12]
2026-04-22 14:06:20
本篇为《Pcon PCON-C/CG/CF 控制器定位型使用说明书》,主要介绍该产品的使用方法以及常见故障解决方案。
(共篇)
上一篇:
|
下一篇:
声明:
本网站引用、摘录或转载内容仅供网站访问者交流或参考,不代表本站立场,如存在版权或非法内容,请联系站长删除,联系邮箱:site.kefu@qq.com。
相关推荐
Pcon PCON-C/CG/CF 控制器定位型使用说明书:[11]
阅读量:93
Pcon PCON-C/CG/CF 控制器定位型使用说明书:[19]
阅读量:100
Pcon PCON-C/CG/CF 控制器定位型使用说明书:[17]
阅读量:45
Pcon PCON-C/CG/CF 控制器定位型使用说明书:[18]
阅读量:46
Pcon PCON-C/CG/CF 控制器定位型使用说明书:[14]
阅读量:46
猜你喜欢
乳腺钙化是什么意思
什么是智齿
2016年是什么年
lol是什么游戏
高级会计师报名需要什么条件
kgs是什么单位
灰色配什么颜色好看
toc是什么意思
牵引力控制是什么意思
喝苦荞茶有什么好处
猜你喜欢
业务员是做什么的
sp是什么
羊水破了什么感觉
约转存期是什么意思
微薄是什么意思
股票dr开头是什么意思
imei是什么意思
冰箱冷藏室结冰是什么原因
2月7日是什么星座
编外人员是什么意思