指南生活
首页
美食营养
手工爱好
生活家居
返回
指南生活
首页
美食营养
游戏数码
手工爱好
生活家居
健康养生
运动户外
职场理财
情感交际
母婴教育
时尚美容
知识问答
生活知识
生活百科
搜索
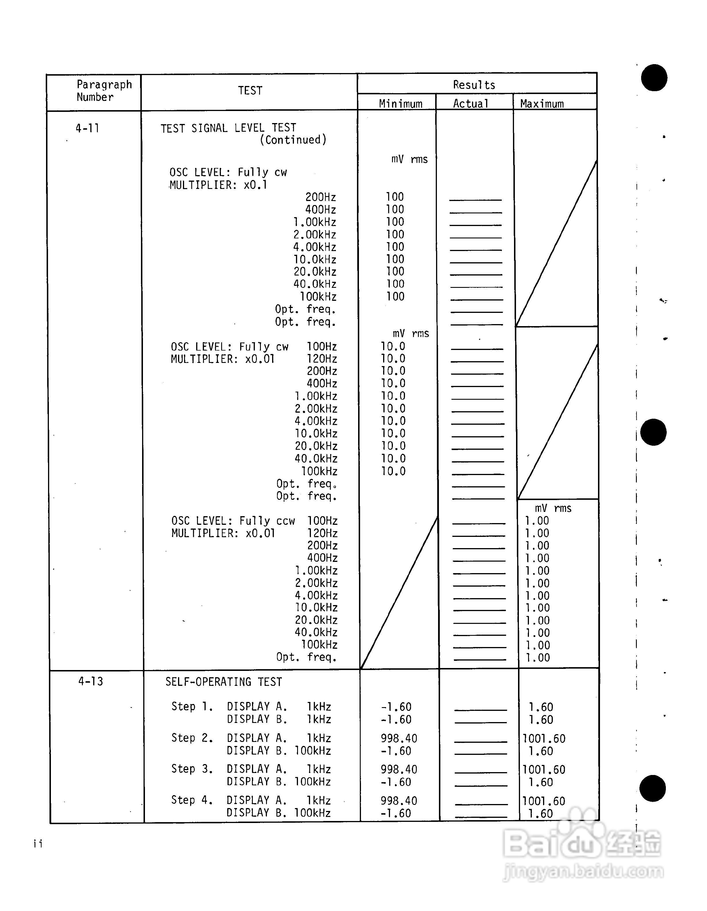
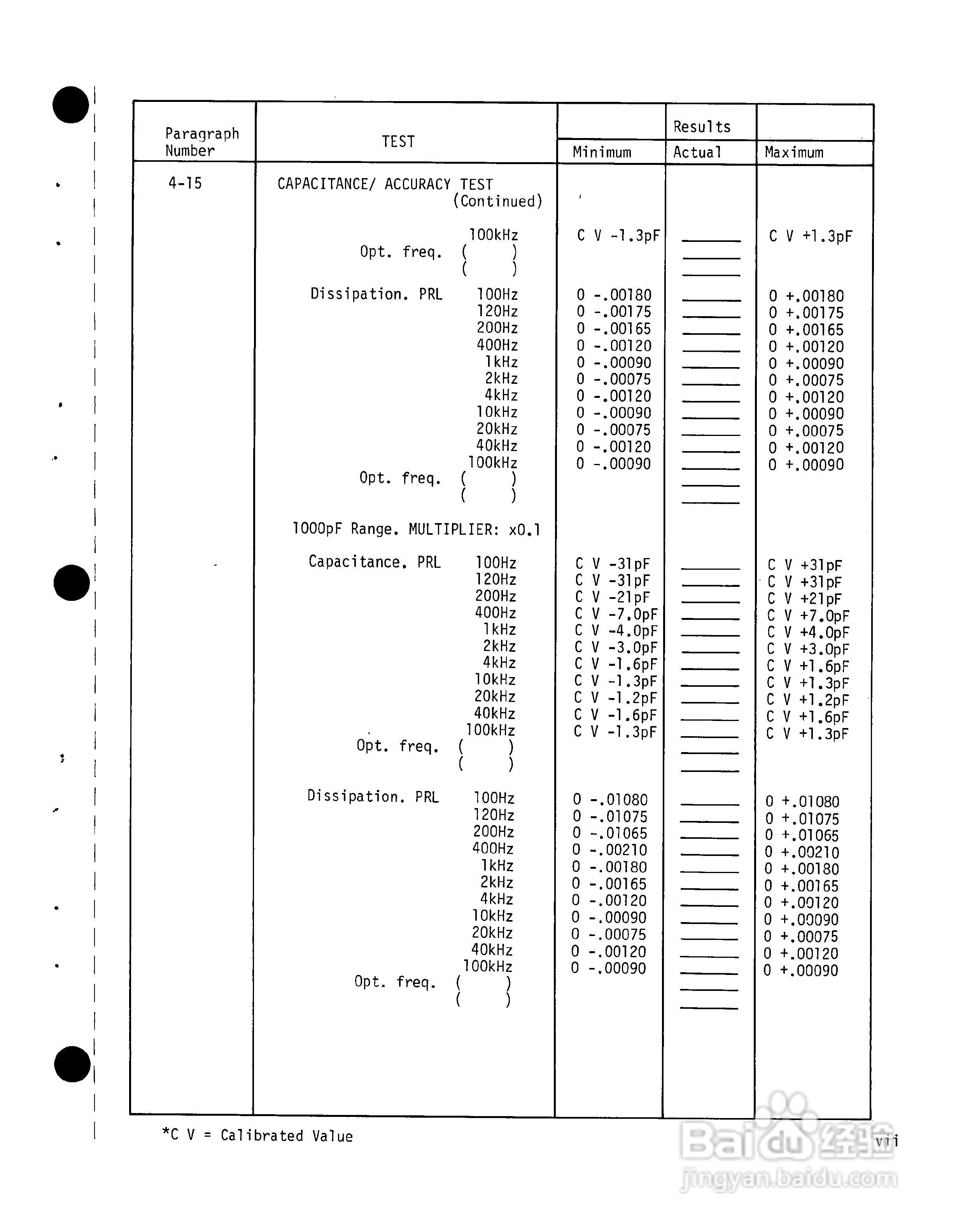
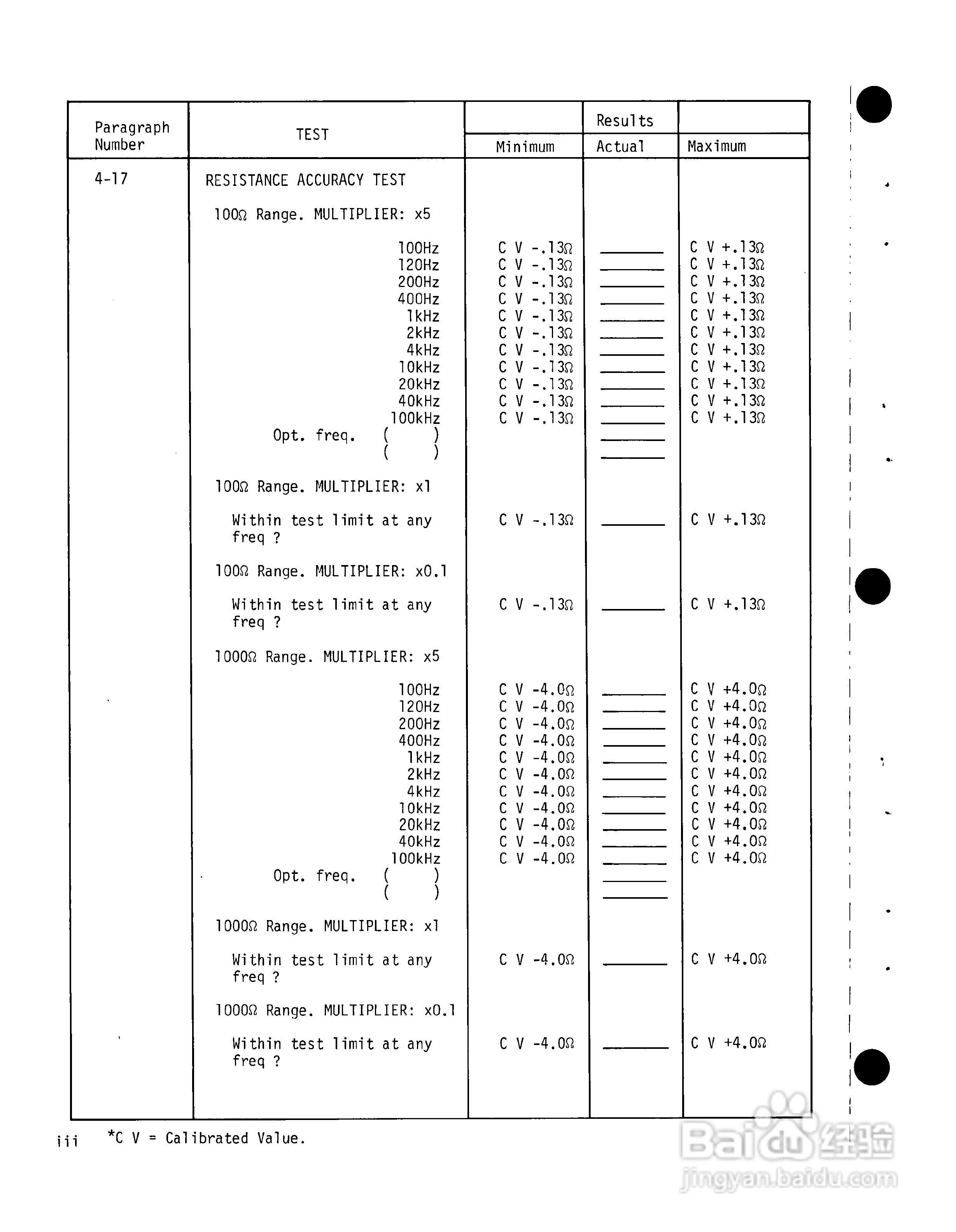
HP4274A分析仪用户使用手册:[5]
2026-05-05 02:56:54
本篇为《HP4274A分析仪用户使用手册》,主要介绍该产品的使用方法以及常见故障解决方案。
(共篇)
上一篇:
|
下一篇:
声明:
本网站引用、摘录或转载内容仅供网站访问者交流或参考,不代表本站立场,如存在版权或非法内容,请联系站长删除,联系邮箱:site.kefu@qq.com。
相关推荐
如何成为闪送员
阅读量:78
目前国内免费的CDN云加速
阅读量:62
巧做香甜可口的拔丝白薯
阅读量:152
新手开水果店怎么经营
阅读量:25
杭州信用贷款——银行个人小额信用贷款
阅读量:173
猜你喜欢
转户口需要什么手续
梦见狼是什么意思
无中生有的意思
hf是什么意思
woc是什么意思
小草的作用
帧率是什么意思
los红灯闪烁什么意思
奇异的什么
bird是什么意思
猜你喜欢
最近有什么电影好看
死而后已的意思
投影幕布什么材质好
什么样的发型好看
深邃的意思
7月1日什么节日
今年有什么好看的电影
bring是什么意思
什么是贸易逆差
什么是热裤