指南生活
首页
美食营养
手工爱好
生活家居
返回
指南生活
首页
美食营养
游戏数码
手工爱好
生活家居
健康养生
运动户外
职场理财
情感交际
母婴教育
时尚美容
知识问答
生活知识
搜索
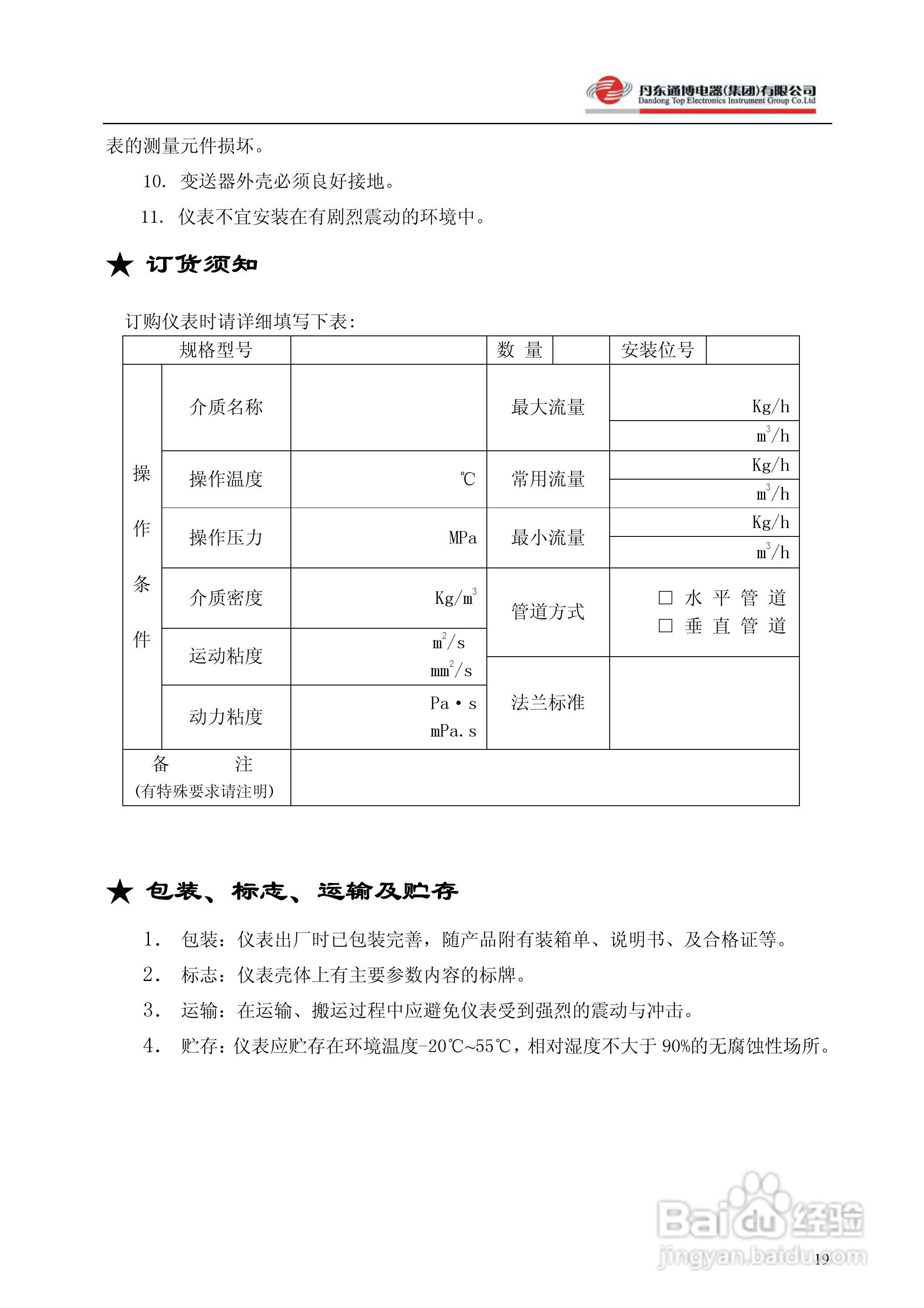
通博ZBLB系列智能靶式流量变送器使用说明书:[2]
2025-12-28 01:48:36
本篇为《通博ZBLB系列智能靶式流量变送器使用说明书》,主要介绍该产品的使用方法以及常见故障解决方案。
(共篇)
上一篇:
|
下一篇:
声明:
本网站引用、摘录或转载内容仅供网站访问者交流或参考,不代表本站立场,如存在版权或非法内容,请联系站长删除,联系邮箱:site.kefu@qq.com。
相关推荐
ZBL-R800/ZBL-R630A/ZBL-C310A钢筋位置测定仪使用说明:[2]
阅读量:102
如何自制简易蛋奶酱?
阅读量:117
白洋葱炒蛋的做法
阅读量:69
《邪恶双胞胎 Epic Evil Twins》评测:僵尸射击
阅读量:117
港湾网络交换机Hammer1008VVL型说明书:[1]
阅读量:152
猜你喜欢
知识产权交易
亲子运动会游戏项目
熔断器的作用
什么是涨停
高二政治必修三知识点
京剧知识
风平浪静什么意思
去眼袋用什么方法最佳
咖啡的功效与作用
金刚经的作用
猜你喜欢
中药远志的功效与作用
运动会稿件50字
买社保有什么好处
橘色配什么颜色好看
没药的功效与作用
南红的功效与作用
三七片的功效与作用
京东打白条什么意思
一二·九运动
幼儿交通安全知识