指南生活
首页
美食营养
手工爱好
生活家居
返回
指南生活
首页
美食营养
游戏数码
手工爱好
生活家居
健康养生
运动户外
职场理财
情感交际
母婴教育
时尚美容
知识问答
生活知识
生活百科
搜索
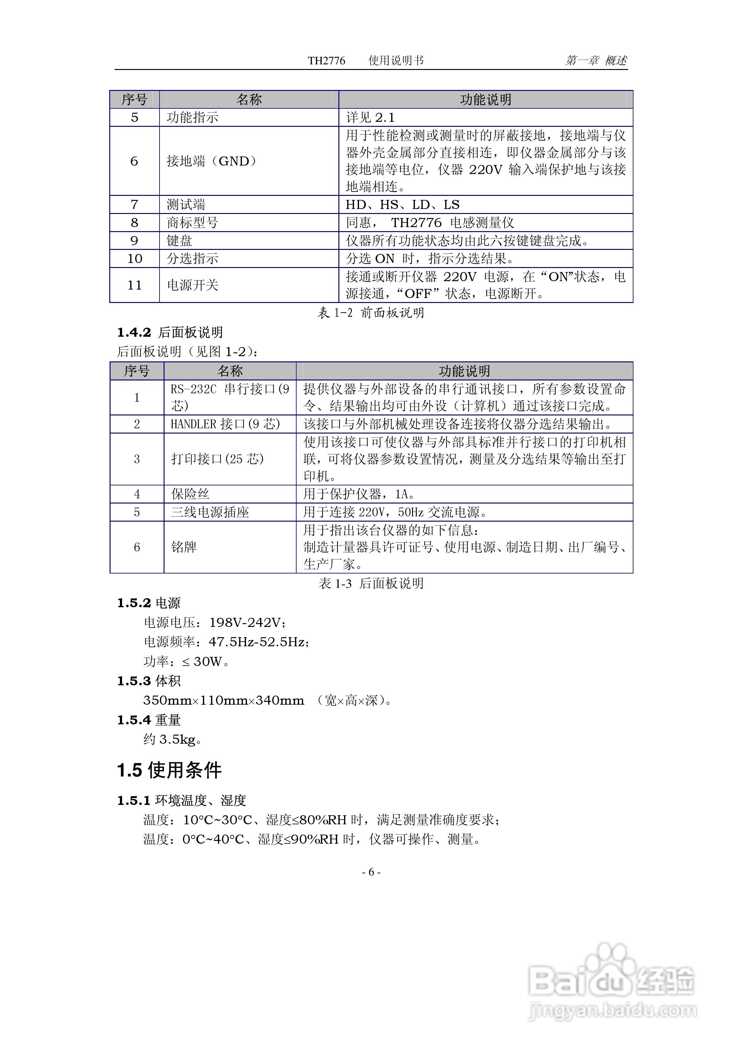
锦流源电子TH2776电感测试仪说明书:[1]
2026-05-12 14:38:42
本篇为《锦流源电子TH2776电感测试仪说明书》,主要介绍该产品的使用方法以及常见故障解决方案。
(共篇)
下一篇:
声明:
本网站引用、摘录或转载内容仅供网站访问者交流或参考,不代表本站立场,如存在版权或非法内容,请联系站长删除,联系邮箱:site.kefu@qq.com。
相关推荐
rad/s单位转换
阅读量:137
SolidWorks绘制零件图:[10]生成抽壳
阅读量:168
keil5没有coocox编译器怎么办
阅读量:35
如何控制步进电机正反转一次停止的程序?
阅读量:182
根轨迹怎么画
阅读量:111
猜你喜欢
打虫药什么时候吃
科普小知识
父亲节送什么
运动会加油稿霸气押韵
芸芸众生什么意思
红酒知识
猫的尾巴有什么作用
野葛根的作用与功效
硫酸镁的作用
什么是偷税漏税
猜你喜欢
vehicle什么意思
计算机知识
二陈丸的功效与作用
什么邮箱好用
维生素c的作用和功效
大枣的功效与作用
运动操
维生素b1的作用
金盏花的功效与作用
皇冠梨的功效与作用