指南生活
首页
美食营养
手工爱好
生活家居
返回
指南生活
首页
美食营养
游戏数码
手工爱好
生活家居
健康养生
运动户外
职场理财
情感交际
母婴教育
时尚美容
知识问答
生活知识
生活百科
搜索
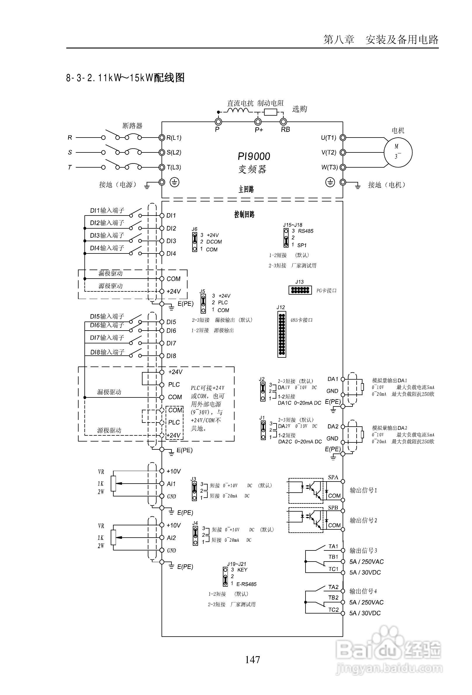
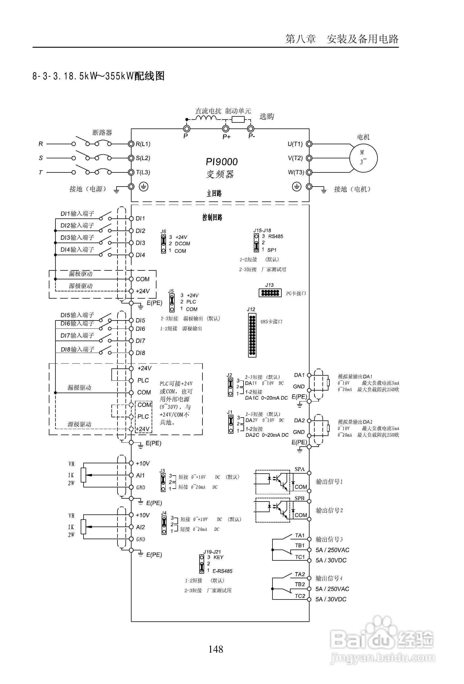
普传PI9200-075G2变频器使用说明书:[16]
2026-05-12 04:03:17
本篇为《普传PI9200-075G2变频器使用说明书》,主要介绍该产品的使用方法以及常见故障解决方案。
(共篇)
上一篇:
|
下一篇:
声明:
本网站引用、摘录或转载内容仅供网站访问者交流或参考,不代表本站立场,如存在版权或非法内容,请联系站长删除,联系邮箱:site.kefu@qq.com。
相关推荐
普传PI9200-075G2变频器使用说明书:[15]
阅读量:70
普传PI9200-075G2变频器使用说明书:[12]
阅读量:160
使用说明书wf2651使用指南
阅读量:163
使用说明书封面怎么做
阅读量:179
普传PI9200-075G2变频器使用说明书:[11]
阅读量:167
猜你喜欢
周记大全
日记大全
怎么去青春痘
白醋泡脚的正确方法
最笨的倒车入库方法
别克昂科拉怎么样
和面的方法
平方米怎么打出来
马自达5怎么样
干鳗鱼怎么做好吃
猜你喜欢
饺子皮怎么做好吃
大黄花鱼的家常做法
小米手机质量怎么样
呼吸困难是怎么回事
炒年糕怎么做好吃
祛痘印最好的方法
跑步减肥的正确方法
草鱼怎么做才好吃
腰背肌锻炼方法
怎么制作铃声