指南生活
首页
美食营养
手工爱好
生活家居
返回
指南生活
首页
美食营养
游戏数码
手工爱好
生活家居
健康养生
运动户外
职场理财
情感交际
母婴教育
时尚美容
知识问答
生活知识
生活百科
搜索
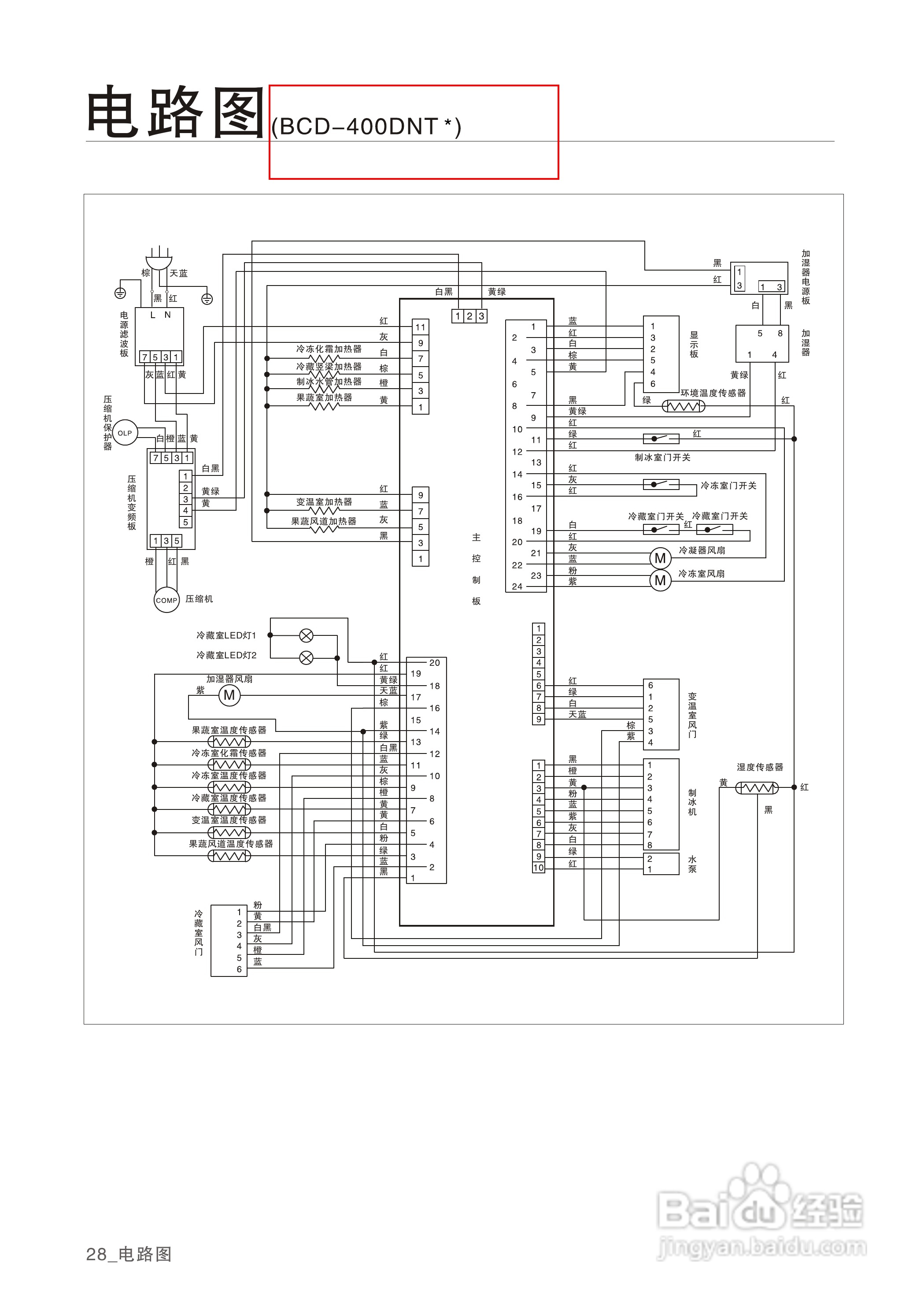
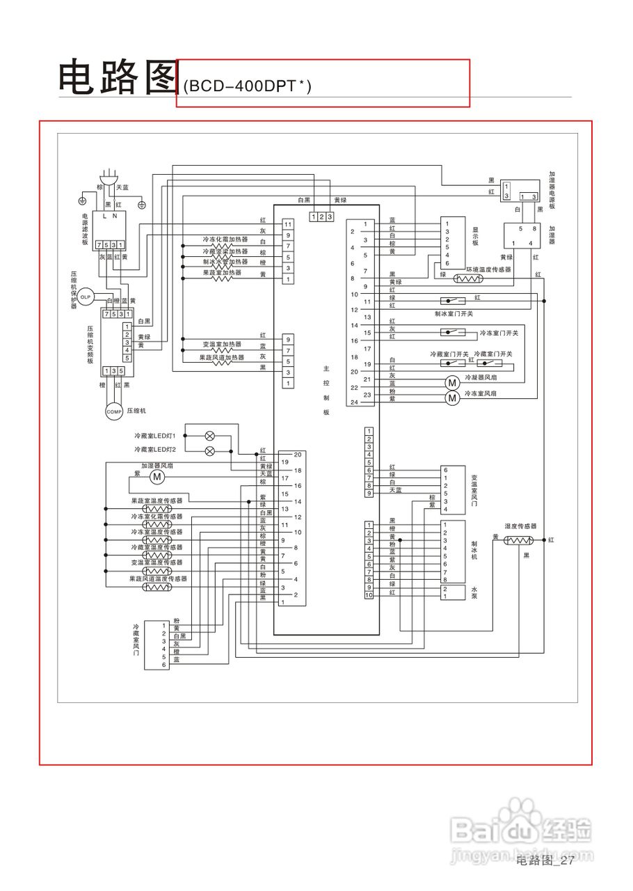
三星BCD-400DNTG1电冰箱使用说明书:[3]
2026-05-29 22:43:31
(共篇)
上一篇:
|
下一篇:
声明:
本网站引用、摘录或转载内容仅供网站访问者交流或参考,不代表本站立场,如存在版权或非法内容,请联系站长删除,联系邮箱:site.kefu@qq.com。
相关推荐
三星s8 打开usb调试教程
阅读量:52
三星BCD-400DNTS电冰箱使用说明书:[2]
阅读量:29
三星BCD-400DNTS电冰箱使用说明书:[3]
阅读量:78
三星BCD-400DNTS电冰箱使用说明书:[4]
阅读量:162
三星BCD-252MLV电冰箱使用说明书:[1]
阅读量:21
猜你喜欢
teacher是什么意思
回路是什么意思
今天开什么特马
学问的意思
梦见掉牙齿是什么意思
什么植物适合放在卧室
身体力行的意思
什么叫活动
什么叫投名状
camp是什么意思
猜你喜欢
张飞的妈妈姓什么
济南有什么好玩的景点
camera是什么意思
游戏策划要学什么
cl是什么意思
英语中什么是代词
网络上淦是什么意思
west是什么意思
puppy是什么意思
疙瘩的意思