指南生活
首页
美食营养
手工爱好
生活家居
返回
指南生活
首页
美食营养
游戏数码
手工爱好
生活家居
健康养生
运动户外
职场理财
情感交际
母婴教育
时尚美容
知识问答
生活知识
搜索
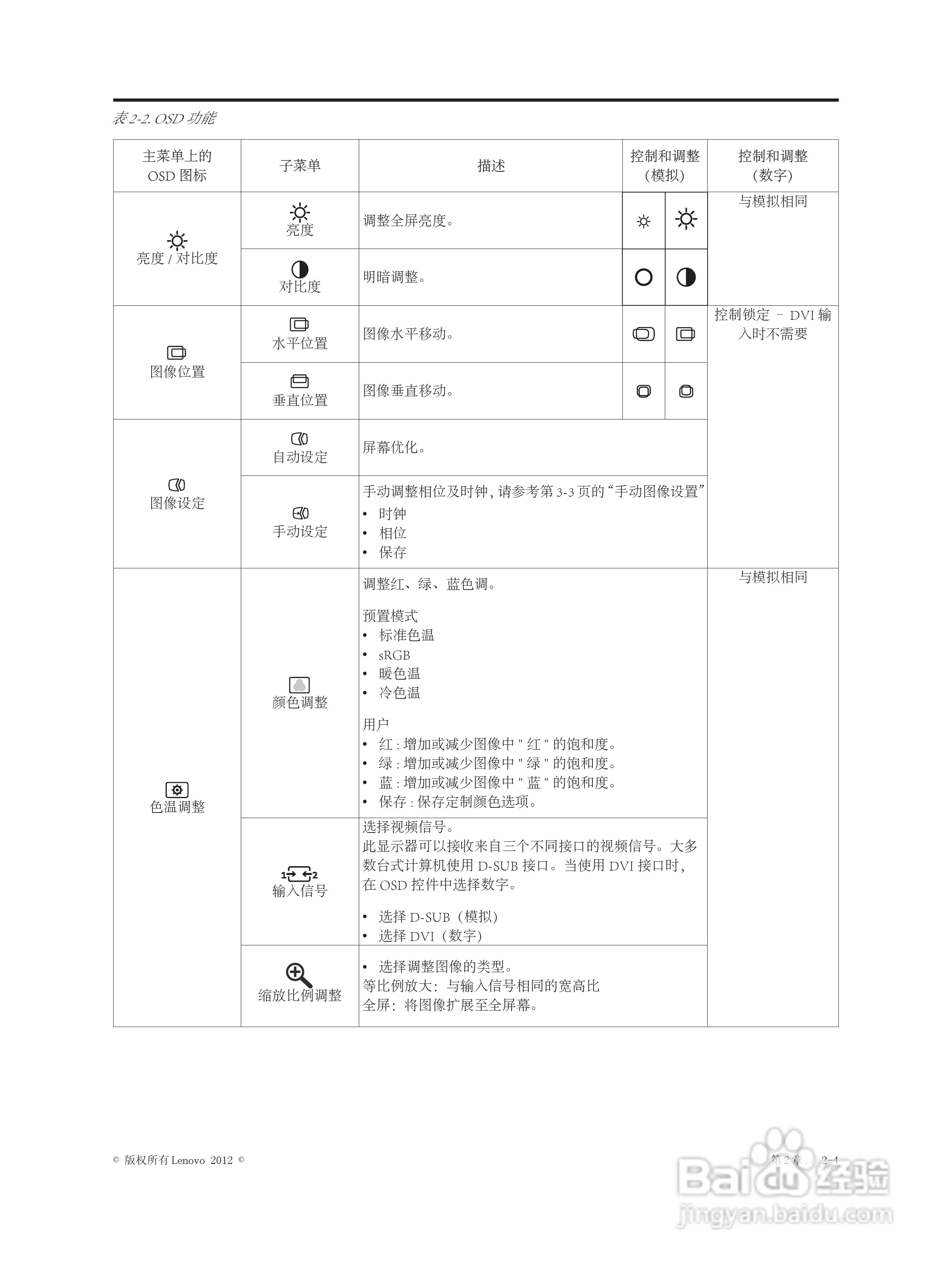
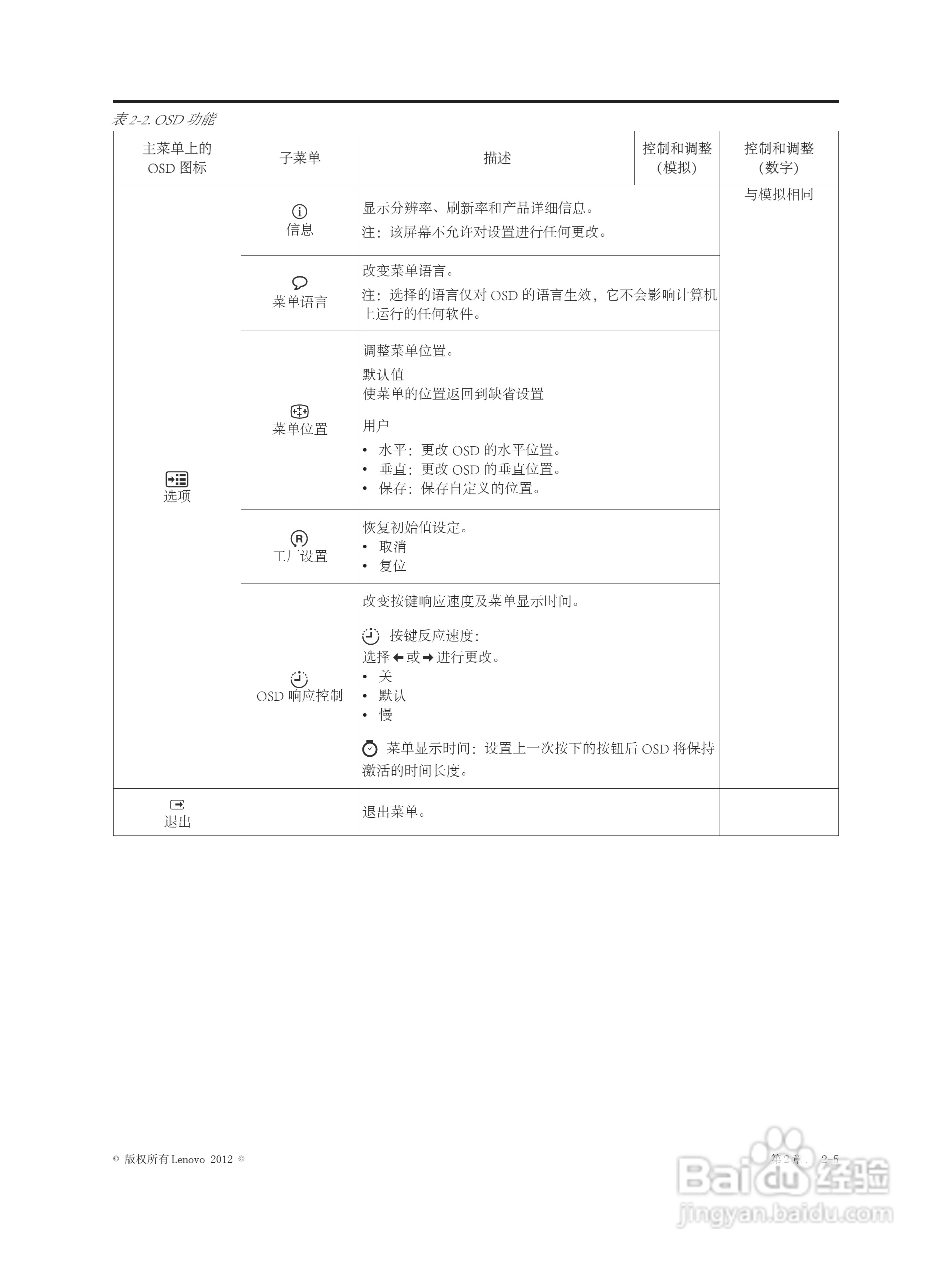
联想LT2024wA液晶显示器使用说明书:[2]
2025-12-20 15:48:44
(共篇)
上一篇:
|
下一篇:
声明:
本网站引用、摘录或转载内容仅供网站访问者交流或参考,不代表本站立场,如存在版权或非法内容,请联系站长删除,联系邮箱:site.kefu@qq.com。
相关推荐
华硕 U31SG笔记本电脑说明书:[6]
阅读量:112
黑鸦二阶段怎么走
阅读量:111
win10无法进入windows处理
阅读量:128
戴尔XPS L502X笔记本电脑使用说明书:[10]
阅读量:75
联想L2232wd液晶显示器使用说明书:[1]
阅读量:140
猜你喜欢
xd股票什么意思
滑石粉是什么
富含维生素a的食物
云淡风轻是什么意思
妒忌是什么意思
icp是什么意思
什么是承兑
actress是什么意思
三大法宝是什么
爱情观是什么
猜你喜欢
andy是什么意思
阴阳屏是什么
轻运动
特岗教师是什么
什么是社会保险
滴虫性阴炎的症状用什么药效果好
一曝十寒是什么意思
二恶英是什么
香椿是什么
什么钱最值钱